Запчасти Komatsu SAA6D140E-2B-8 НАТЯЖНОЙ РОЛИК (С НЕ ЗАКАЛЕНН. ШКИВ)(№88-) ДВИГАТЕЛЬ

Схема запчастей Komatsu SAA6D140E-2B-8 - НАТЯЖНОЙ РОЛИК (С НЕ ЗАКАЛЕНН. ШКИВ)(№88-) ДВИГАТЕЛЬ
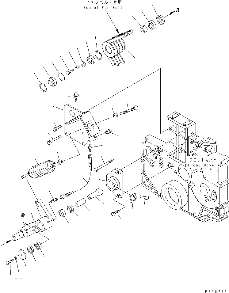
1
2
3
4
5
6
7
8
9
10
10
11
12
13
13
14
15
16
17
17
18
18
19
20
21
22
23
24
25
26
27
28
29
30
31
32
33
34
35
36
FIT
1:1
100%

Артикул

Название

Примечание

Количество

|1

6212-62-3900

TENSION PULLEY ASS'Y

SN: 22885-@

1шт.

1

6212-62-3910

BRACKET ASS'Y

SN: 22885-@

1шт.

|1

0

LEVER

SN: 22885-@

1шт.

|1

6212-62-3520

SHAFT

SN: 22885-@

1шт.

|1

6164-61-3490

BUSHING

SN: 22885-@

1шт.

|1

07043-70108

PLUG

SN: 22885-@

2шт.

2

6212-61-3930

SHAFT

SN: 22885-@

1шт.

3

6212-62-3630

BRACKET

SN: 22885-@

1шт.

4

6162-64-3920

RACE,INNER

SN: 22885-@

1шт.

5

6212-61-3530

STOPPER

SN: 22885-@

1шт.

6

6212-61-3660

COVER

SN: 22885-@

1шт.

7

6212-62-3930

PULLEY¤NON HARDENING,NON HARDENING

SN: 22885-@

1шт.

8

6691-61-2720

PLATE

SN: 22885-@

1шт.

9

6212-61-3690

SPACER

SN: 22885-@

1шт.

10

6212-61-3720

BEARING,BALL

SN: 22885-@

2шт.

11

6212-61-3750

WASHER

SN: 22885-@

1шт.

12

07011-00042

SEAL,OIL (K2)

SN: 22885-@

1шт.

13

04065-06525

RING,SNAP

SN: 22885-@

2шт.

14

07000-02065

O-RING (K2)

SN: 22885-@

1шт.

15

203-62-21740

NIPPLE,GREASE

SN: 22885-@

1шт.

16

6127-61-3890

VALVE

SN: 22885-@

1шт.

17

6162-64-3910

BEARING,NEEDLE

SN: 22885-@

2шт.

18

6162-64-3930

SEAL,BEARING

SN: 22885-@

2шт.

19

01010-80820

BOLT

SN: 22885-@

2шт.

20

6127-61-3790

LOCK (K2)

SN: 22885-@

1шт.

21

01010-81025

BOLT

SN: 22885-@

1шт.

22

01643-31032

WASHER

SN: 22885-@

1шт.

23

01010-80816

BOLT

SN: 22885-@

2шт.

24

01010-81235

BOLT

SN: 22885-@

2шт.

25

01011-81200

BOLT

SN: 22885-@

1шт.

26

6212-62-3730

BRACKET

SN: 22885-@

1шт.

27

01010-81225

BOLT

SN: 22885-@

2шт.

28

01010-81295

BOLT

SN: 22885-@

2шт.

29

01435-01025

BOLT

SN: 22885-@

2шт.

30

6166-61-3322

SPRING

SN: 24124-@

1шт.

|30

0

SPRING

SN: 22885-24123

1шт.

31

6212-61-3980

BOLT

SN: 22885-@

1шт.

32

6124-61-3830

WASHER

SN: 22885-@

1шт.

33

01580-01210

NUT

SN: 22885-@

1шт.

34

198-03-16470

HOSE

SN: 22885-@

1шт.

35

203-62-21740

NIPPLE

SN: 22885-@

1шт.

36

07020-00000

FITTING

SN: 22885-@

1шт.

Выбрано товаров: 42