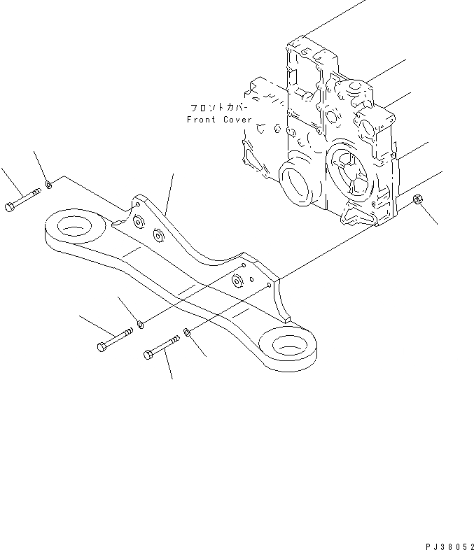
Запчасти Komatsu SAA6D140E-2B КРЕПЛЕНИЕ ДВИГАТЕЛЯ(№88-) ДВИГАТЕЛЬ

Схема запчастей Komatsu SAA6D140E-2B - КРЕПЛЕНИЕ ДВИГАТЕЛЯ(№88-) ДВИГАТЕЛЬ
1
2
3
3
4
5
5
5
FIT
1:1
100%

Артикул

Название

Примечание

Количество

1

209-01-51160

BRACKET

SN: 22885-UP

1шт.

2

6210-21-3940

BOLT

SN: 22885-UP

2шт.

3

01011-81240

BOLT

SN: 22885-UP

5шт.

4

01580-11210

NUT

SN: 22885-UP

2шт.

5

01640-21223

WASHER

SN: 22885-UP

7шт.

Выбрано товаров: 5