Запчасти Komatsu SAA6D140E-2D-8 КРЕПЛЕНИЕ ГЕНЕРАТОРА (9A) (С ЗАКАЛЕННЫМ ШКИВОМ)(№77-) ДВИГАТЕЛЬ

Схема запчастей Komatsu SAA6D140E-2D-8 - КРЕПЛЕНИЕ ГЕНЕРАТОРА (9A) (С ЗАКАЛЕННЫМ ШКИВОМ)(№77-) ДВИГАТЕЛЬ
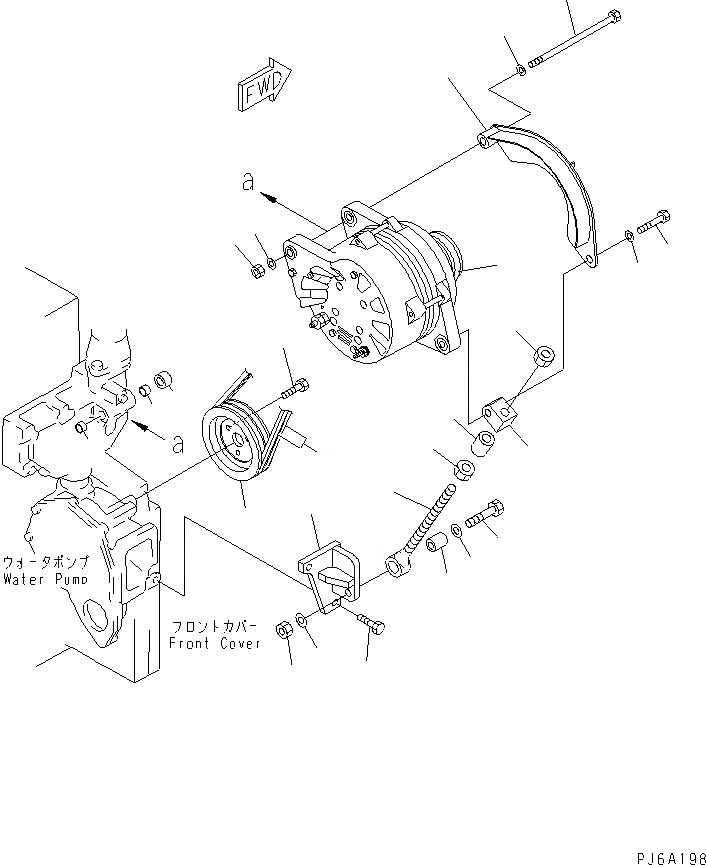
1
2
3
4
4
5
5
6
7
8
9
10
11
12
12
13
14
14
15
16
17
18
19
20
21
22
FIT
1:1
100%

Артикул

Название

Примечание

Количество

1

600-825-9310

ALTERNATOR A. (90A),(SEE FIG.A6010-B4G1)

SN: 27372-UP

1шт.

2

6210-82-6490

BOLT

SN: 27372-UP

1шт.

3

01582-01210

NUT

SN: 27372-UP

1шт.

4

01643-31232

WASHER

SN: 27372-UP

2шт.

5

6210-61-6530

PIN

SN: 27372-UP

2шт.

6

205-30-62650

COLLAR

SN: 27372-UP

1шт.

7

6150-82-8610

ROD,ADJUST

SN: 27372-UP

1шт.

8

6150-82-8690

PLATE

SN: 27372-UP

1шт.

9

6215-81-6150

PIN

SN: 27372-UP

1шт.

10

01010-81260

BOLT

SN: 27372-UP

1шт.

11

01580-11210

NUT

SN: 27372-UP

1шт.

12

01640-21223

WASHER

SN: 27372-UP

2шт.

13

6933-51-5150

SPACER

SN: 27372-UP

1шт.

14

01580-11411

NUT

SN: 27372-UP

2шт.

15

6210-82-6570

BRACKET

SN: 27372-UP

1шт.

16

01010-81025

BOLT

SN: 27372-UP

2шт.

17

01050-51260

BOLT

SN: 27372-UP

1шт.

18

01643-31232

WASHER

SN: 27372-UP

1шт.

19

6210-82-6550

COVER

SN: 27372-UP

1шт.

20

6212-85-6840

V-BELT SET

SN: 27372-UP

1шт.

21

6210-82-6840

PULLEY, HARDENING

SN: 27372-UP

1шт.

22

01010-80820

BOLT

SN: 27372-UP

3шт.

Выбрано товаров: 22