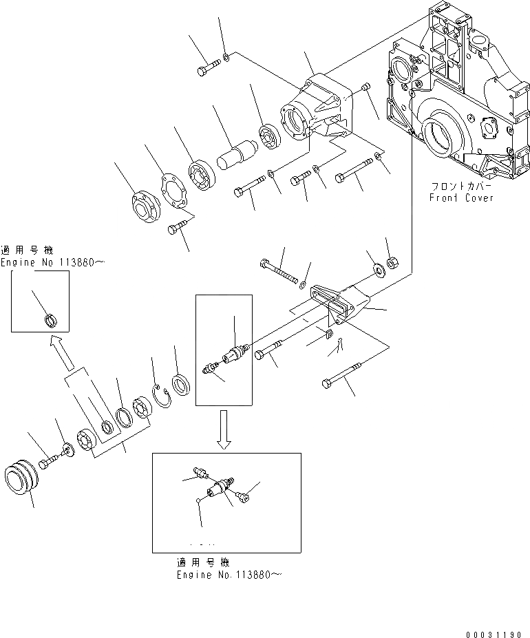
Запчасти Komatsu SAA6D140E-3A-8 ПРИВОД ВЕНТИЛЯТОРА ДВИГАТЕЛЬ

Схема запчастей Komatsu SAA6D140E-3A-8 - ПРИВОД ВЕНТИЛЯТОРА ДВИГАТЕЛЬ
1
2
3
4
5
6
7
8
9
10
11
12
13
13
13
13
14
15
16
16
16A
17
18
19
19
20
21
22
22
22A
23
24
25
26
27
28
29
30
31
32
FIT
1:1
100%

Артикул

Название

Примечание

Количество

|$1

6211-61-3600

FAN BRACKET ASS'Y

SN: 110003-UP

1шт.

1

6211-61-3310

HOUSING

SN: 110003-UP

1шт.

2

6211-61-3330

SHAFT

SN: 110003-UP

1шт.

3

6211-61-3320

BOSS

SN: 110003-UP

1шт.

4

01010-80812

BOLT

SN: 110003-UP

6шт.

5

6211-61-3240

PLATE

SN: 110003-UP

1шт.

6

06037-06208

BEARING,BALL

SN: 110003-UP

1шт.

7

06037-06309

BEARING,BALL

SN: 110003-UP

1шт.

8

07043-50108

PLUG

SN: 110003-UP

2шт.

9

01010-81280

BOLT

SN: 110003-UP

2шт.

10

01011-81220

BOLT

SN: 110003-UP

1шт.

11

01011-81250

BOLT

SN: 110003-UP

2шт.

12

01010-81245

BOLT

SN: 110003-UP

1шт.

13

01643-31232

WASHER

SN: 110003-UP

6шт.

|$15

6217-61-3702

TENSION PULLEY ASS'Y

SN: 113880-UP

1шт.

|$16

0

TENSION PULLEY ASS'Y

SN: 110003-113879

1шт.

14

6217-61-3820

BRACKET

SN: 110003-UP

1шт.

15

6211-62-4720

PULLEY,NON HARDENING

SN: 110003-UP

1шт.

16

6217-61-4731

SHAFT

SN: 113880-UP

1шт.

16

6211-62-4730

SHAFT

SN: 110003-113879

1шт.

16A

04260-00635

BALL

SN: 113880-UP

1шт.

17

6212-61-3721

BEARING,BALL

SN: 110003-UP

2шт.

18

6211-61-4770

SPACER

SN: 110003-UP

1шт.

19

6211-61-4781

SPACER

SN: 113880-UP

1шт.

19

6211-61-4780

SPACER

SN: 110003-113879

1шт.

20

6211-61-3890

PLATE

SN: 110003-UP

1шт.

21

01583-02012

NUT

SN: 110003-UP

1шт.

22

07020-00000

FITTING,GREASE

SN: 110003-UP

1шт.

22A

07029-00000

VALVE

SN: 113880-UP

1шт.

23

6217-61-3841

BOLT

SN: 110003-UP

1шт.

24

6211-61-3850

WASHER

SN: 110003-UP

1шт.

25

6211-61-3860

NUT

SN: 110003-UP

1шт.

26

04050-12015

PIN

SN: 110003-UP

1шт.

27

6211-61-4760

PLATE

SN: 110003-UP

1шт.

28

01010-80820

BOLT

SN: 110003-UP

2шт.

29

07012-00045

SEAL,DUST

SN: 113880-UP

1шт.

29

07011-00045

SEAL,DUST

SN: 110003-113879

1шт.

30

04065-06525

RING,SNAP

SN: 110003-UP

1шт.

31

01011-81265

BOLT

SN: 110003-UP

1шт.

32

01010-81295

BOLT

SN: 110003-UP

2шт.

Выбрано товаров: 40