Запчасти Komatsu SAA6D140E-3A-8 ТУРБОНАГНЕТАТЕЛЬ И МАСЛОПРОВОДЯЩАЯ ЛИНИЯ(№-) ДВИГАТЕЛЬ

Схема запчастей Komatsu SAA6D140E-3A-8 - ТУРБОНАГНЕТАТЕЛЬ И МАСЛОПРОВОДЯЩАЯ ЛИНИЯ(№-) ДВИГАТЕЛЬ
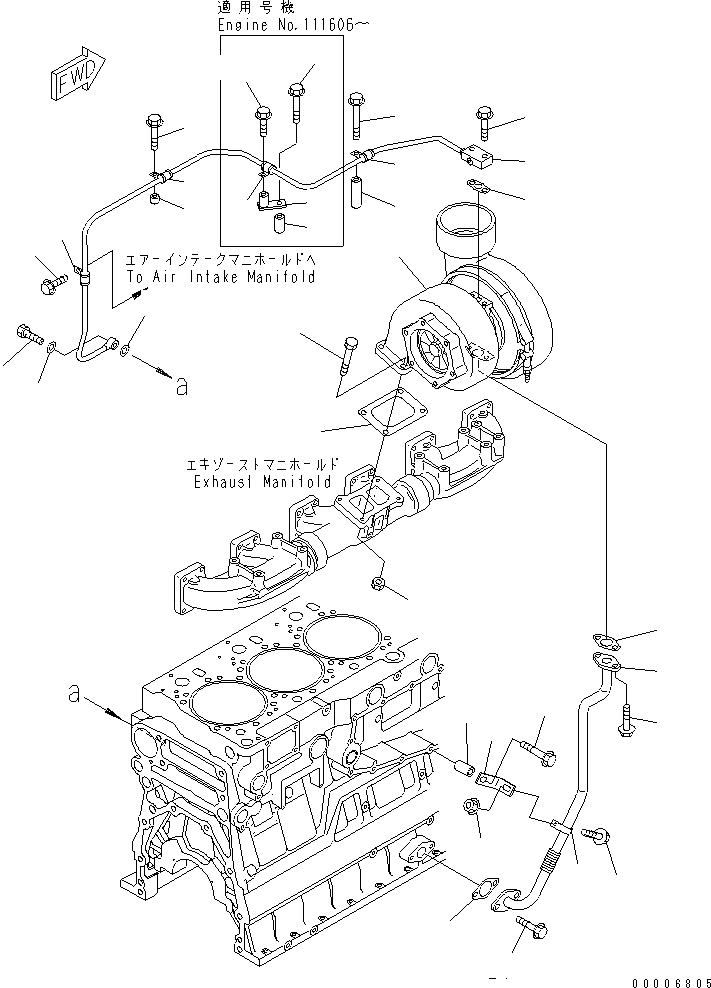
1
2
3
4
5
6
7
7
8
9
10
11
12
13
14
15
16
17
18
19
20
21
22
23
24
25
26
27
28
29
30
31
32
33
FIT
1:1
100%

Артикул

Название

Примечание

Количество

1

6505-65-5030

TURBOCHARGER ASS'Y,(SEE FIG.A1530-B4G2)

SN: 110003-UP

1шт.

2

6218-11-5830

GASKET (K1)

SN: 110003-UP

1шт.

3

6138-13-4510

BOLT

SN: 110003-UP

4шт.

4

6114-11-5590

NUT

SN: 110003-UP

4шт.

5

6218-51-8151

TUBE,SUPPLY

SN: 110003-UP

1шт.

6

07206-31014

BOLT,JOINT

SN: 110003-UP

1шт.

7

07005-01412

GASKET (K1)

SN: 110003-UP

2шт.

8

6151-51-8161

GASKET (K1)

SN: 110003-UP

1шт.

9

01435-01035

BOLT

SN: 110003-UP

2шт.

10

6215-71-4940

CLAMP

SN: 110003-UP

1шт.

11

01435-01025

BOLT

SN: 110003-UP

1шт.

12

6215-71-4940

CLAMP

SN: 110003-UP

1шт.

13

6215-71-4480

SPACER

SN: 110003-UP

1шт.

14

01435-01035

BOLT

SN: 110003-UP

1шт.

15

6215-71-4940

CLAMP

SN: 110003-UP

1шт.

16

6136-11-5120

SPACER

SN: 110003-UP

1шт.

17

01435-01085

BOLT

SN: 110003-UP

1шт.

18

6218-51-8210

PLATE

SN: 111606-UP

1шт.

19

203-54-11170

SPACER

SN: 111606-UP

1шт.

20

01435-01055

BOLT

SN: 111606-UP

1шт.

21

6215-71-4940

CLAMP

SN: 111606-UP

1шт.

22

01435-01014

BOLT

SN: 111606-UP

1шт.

23

6218-51-8110

TUBE

SN: 110003-UP

1шт.

24

6151-51-8151

GASKET (K1)

SN: 110003-UP

1шт.

25

01435-01025

BOLT

SN: 110003-UP

2шт.

26

6127-51-6822

GASKET (K1)

SN: 110003-UP

1шт.

27

01435-01020

BOLT

SN: 110003-UP

2шт.

28

6204-11-5690

BRACKET

SN: 110003-UP

1шт.

29

6142-22-4640

SPACER

SN: 110003-UP

1шт.

30

01435-01075

BOLT

SN: 110003-UP

1шт.

31

04434-51910

CLIP

SN: 110003-UP

1шт.

32

01435-01016

BOLT

SN: 110003-UP

1шт.

33

01584-01008

NUT

SN: 110003-UP

1шт.

Выбрано товаров: 33