Запчасти Komatsu SAA6D140E-3B-8 ТЕРМОЗАЩИТА (/) ГОРНЫЙ ТОРМОЗ(№8-) ДВИГАТЕЛЬ

Схема запчастей Komatsu SAA6D140E-3B-8 - ТЕРМОЗАЩИТА (/) ГОРНЫЙ ТОРМОЗ(№8-) ДВИГАТЕЛЬ
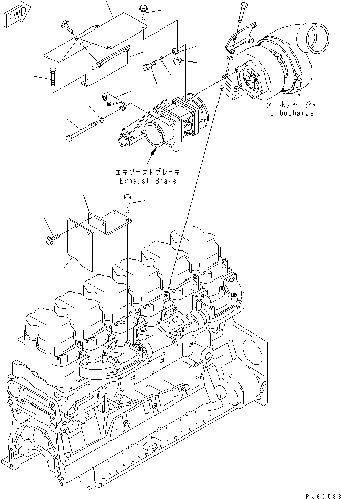
1
2
3
4
5
6
7
8
9
10
11
12
13
14
15
FIT
1:1
100%

Артикул

Название

Примечание

Количество

1

6218-11-5471

COVER

SN: 110238-UP

1шт.

2

6218-11-5450

BRACKET

SN: 110238-UP

1шт.

3

01011-E1250

BOLT

SN: 110238-UP

2шт.

4

01643-31232

WASHER

SN: 110238-UP

2шт.

5

01435-01020

BOLT

SN: 110238-UP

2шт.

6

01584-01008

NUT

SN: 110238-UP

2шт.

7

6218-11-5460

BRACKET

SN: 110238-UP

1шт.

8

01020-11030

BOLT

SN: 110238-UP

1шт.

9

01643-31032

WASHER

SN: 110238-UP

1шт.

10

6218-11-5661

BRACKET

SN: 110238-UP

1шт.

11

01010-E1045

BOLT

SN: 110238-UP

2шт.

12

6218-11-9860

BRACKET

SN: 110238-UP

1шт.

13

01010-E1040

BOLT

SN: 110238-UP

1шт.

14

6218-11-9540

PLATE

SN: 110360-UP

1шт.

14

0

PLATE

SN: 110238-110359

1шт.

15

01435-01016

BOLT

SN: 110238-UP

2шт.

Выбрано товаров: 16