Качественные детали и логистика
Оригинальные и аналоговые запчасти с доставкой по России, Казахстану и Беларуси
©2022 PartSell ООО "Система" ИНН 2463123282 ОГРН 1212400004838
Центральный офис: г. Красноярск, Академика Киренского, д.87, пом.4
Телефон: 8 (800) 777-65-74 Email: zakaz@partsell.ru
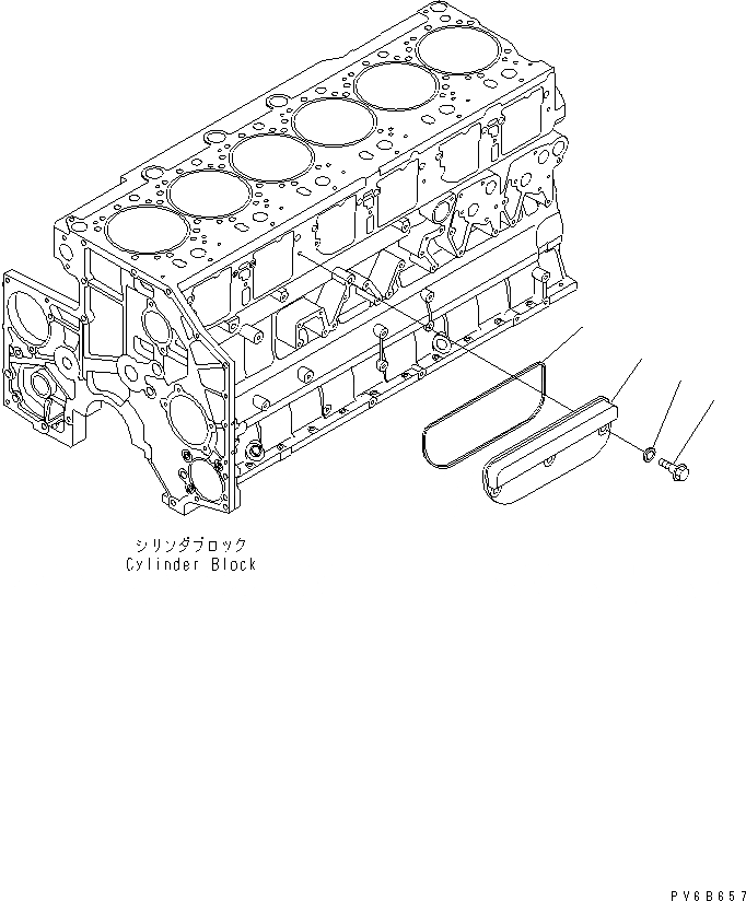
КРЫШКА ТОЛКАТЕЛЕЙ КЛАПАНА(№-)
№
Артикул
Название
Примечание
Количество
1
6210-21-6410
COVER,CAMFOLLOWER
SN: 110001-UP
3шт.
2
6217-21-6880
O-RING (K2)
SN: 110429-UP
0
PACKING (K2)
SN: 110001-110428
3
6210-21-6471
BOLT
9шт.
4
6150-21-6391
Выбрано товаров: 0