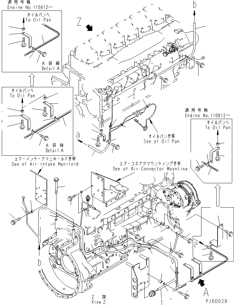
Запчасти Komatsu SAA6D140E-3C-8 ЭЛЕКТРОПРОВОДКА (/) ДАТЧИК И ПЕРЕКЛЮЧАТЕЛЬ(№-) ДВИГАТЕЛЬ

Схема запчастей Komatsu SAA6D140E-3C-8 - ЭЛЕКТРОПРОВОДКА (/) ДАТЧИК И ПЕРЕКЛЮЧАТЕЛЬ(№-) ДВИГАТЕЛЬ
1
1
1
1
1
2
3
4
5
5
5
5
6
6
6
6
7
7
7
7
8
8
8
8
8
9
9
9
9
10
11
12
13
14
15
16
17
17
17
18
19
20
21
22
23
24
25
26
27
27
28
29
29
30
31
31
32
33
34
34
35
35
35
35
36
37
FIT
1:1
100%

Артикул

Название

Примечание

Количество

1

6218-81-8212

WIRING HARNESS

SN: 110812-UP

1шт.

1

0

WIRING HARNESS

SN: 110134-110811

1шт.

2

04434-52110

CLIP

SN: 110134-UP

1шт.

3

144-874-7470

BOSS

SN: 110134-UP

1шт.

4

01435-01045

BOLT

SN: 110134-UP

1шт.

5

6217-11-9591

BRACKET

SN: 110134-UP

2шт.

6

419-15-17540

SPACER

SN: 110134-UP

2шт.

7

01435-01040

BOLT

SN: 110134-UP

2шт.

8

04434-51610

CLIP

SN: 110812-UP

2шт.

8

0

CLIP

SN: 110134-110811

3шт.

9

01435-01016

BOLT

SN: 110812-UP

2шт.

9

01435-01016

BOLT

SN: 110134-110811

3шт.

10

6218-81-8130

BRACKET

SN: 110134-110811

1шт.

11

01435-01225

BOLT

SN: 110134-110811

2шт.

12

04434-51610

CLIP

SN: 110134-UP

1шт.

13

01435-01020

BOLT

SN: 110134-UP

1шт.

14

6934-71-5860

BRACKET

SN: 110134-UP

1шт.

15

419-15-17540

SPACER

SN: 110134-UP

1шт.

16

01435-01045

BOLT

SN: 110134-UP

1шт.

17

08034-20519

BAND

SN: 110134-UP

3шт.

18

01435-01016

BOLT

SN: 110134-UP

1шт.

19

04434-51210

CLIP

SN: 110134-UP

1шт.

20

01435-01090

BOLT

SN: 110134-UP

1шт.

21

144-874-7470

BOSS

SN: 110134-UP

1шт.

22

426-01-11310

BRACKET

SN: 110134-UP

1шт.

23

01435-01016

BOLT

SN: 110134-UP

1шт.

24

04434-51410

CLIP

SN: 110134-UP

1шт.

25

04434-51810

CLIP

SN: 110134-UP

1шт.

26

04434-51410

CLIP

SN: 110134-UP

1шт.

27

04434-51210

CLIP

SN: 110134-UP

2шт.

28

01436-01015

BOLT

SN: 110134-UP

2шт.

29

6207-11-5970

SPACER

SN: 110134-UP

2шт.

30

04434-51010

CLIP

SN: 110134-UP

1шт.

31

04434-50810

CLIP

SN: 110134-UP

2шт.

32

04434-50610

CLIP

SN: 110134-UP

1шт.

33

6131-12-5920

SPACER

SN: 110134-UP

1шт.

34

01435-01020

BOLT

SN: 110134-UP

2шт.

35

08034-20519

BAND

SN: 110134-UP

4шт.

36

01435-01016

BOLT

SN: 110134-UP

2шт.

37

01435-01040

BOLT

SN: 110134-UP

1шт.

Выбрано товаров: 40