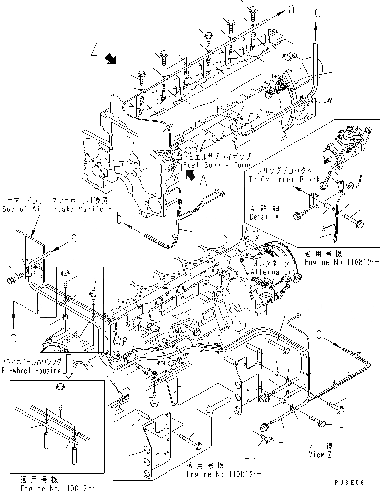
Запчасти Komatsu SAA6D140E-3C-8 ЭЛЕКТРОПРОВОДКА (/) ТОПЛИВН. ВПРЫСК(№-) ДВИГАТЕЛЬ

Схема запчастей Komatsu SAA6D140E-3C-8 - ЭЛЕКТРОПРОВОДКА (/) ТОПЛИВН. ВПРЫСК(№-) ДВИГАТЕЛЬ
1
2
2
2
2
2
2
2
2
2
3
3
3
3
3
4
4
4
5
6
7
8
9
9
9
9
9
10
10
11
12
13
14
15
15
15A
16
16
17
18
19
20
21
21
21
21
22
23
24
25
26
27
FIT
1:1
100%

Артикул

Название

Примечание

Количество

1

6218-81-8220

WIRING HARNESS

SN: 110134-UP

1шт.

2

04434-52110

CLIP

SN: 110134-UP

7шт.

3

144-874-7470

BOSS

SN: 110134-UP

4шт.

4

01435-01045

BOLT

SN: 110812-UP

2шт.

|4

01435-01045

BOLT

SN: 110134-110811

4шт.

5

01435-01040

BOLT

SN: 110134-UP

1шт.

6

01435-01050

BOLT

SN: 110134-UP

1шт.

7

01436-01015

BOLT

SN: 110812-UP

1шт.

|7

01435-01016

BOLT

SN: 110134-110811

1шт.

8

6691-41-8230

SPACER¤ 10MM

SN: 110134-UP

6шт.

9

01435-00825

BOLT

SN: 110134-UP

6шт.

10

04434-51810

CLIP

SN: 110134-UP

2шт.

11

04434-51710

CLIP

SN: 110134-UP

1шт.

12

04434-51510

CLIP

SN: 110134-UP

1шт.

13

04434-51310

CLIP

SN: 110134-UP

1шт.

14

04434-51010

CLIP

SN: 110134-UP

1шт.

15

6218-81-8111

BRACKET

SN: 110134-UP

1шт.

|15

0

BRACKET

SN: (110134-110811)

1шт.

15A

6150-71-7130

COLLAR

SN: 110812-UP

2шт.

16

01436-01005

BOLT

SN: 110134-UP

2шт.

17

6218-81-8120

BRACKET

SN: 110134-UP

1шт.

18

01435-01040

BOLT

SN: 110134-UP

2шт.

19

419-15-17540

SPACER

SN: 110134-UP

2шт.

20

01435-01016

BOLT

SN: 110134-UP

2шт.

21

6218-81-8231

WIRING HARNESS

SN: 110812-UP

1шт.

|21

0

WIRING HARNESS

SN: 110134-110811

1шт.

22

04434-51410

CLIP

SN: 110134-UP

1шт.

23

144-874-7470

BOSS

SN: 110134-UP

1шт.

24

01435-01040

BOLT

SN: 110134-UP

1шт.

25

04434-50810

CLIP

SN: 110812-UP

1шт.

26

01435-01085

BOLT

SN: 110812-UP

1шт.

27

6211-23-6971

SPACER

SN: 110812-UP

1шт.

Выбрано товаров: 32