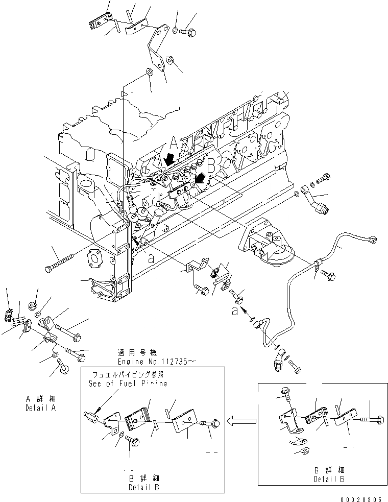
Запчасти Komatsu SAA6D140E-3D-8 ТОПЛИВН. НАСОС ПОДАЮЩ. И ВОЗВРАТ. ТРУБЫ ДВИГАТЕЛЬ

Схема запчастей Komatsu SAA6D140E-3D-8 - ТОПЛИВН. НАСОС ПОДАЮЩ. И ВОЗВРАТ. ТРУБЫ ДВИГАТЕЛЬ
1
1
1
1
1
1
1
1
1
1
2
3
4
5
6
7
8
8A
9
10
11
12
13
13
14
15
16
17
18
18
19
19
20
20A
21
21
21
21
22
22
23
23
24
25
26
27
28
29
FIT
1:1
100%

Артикул

Название

Примечание

Количество

1

6218-71-4110

TUBE,SUPPLY

SN: 111144-UP

2шт.

1

0

TUBE,SUPPLY

SN: (111144-113413)

2шт.

1

0

TUBE,SUPPLY

SN: 110003-111143

2шт.

2

6218-71-5210

BRACKET

SN: 113414-UP

1шт.

2

0

BRACKET

SN: 110004-113413

1шт.

2

0

BRACKET

SN: 110003-110003

1шт.

3

6110-23-6490

SPACER

SN: 110003-UP

1шт.

4

6151-81-4340

BOLT

SN: 110003-UP

1шт.

5

01584-01008

NUT

SN: 110003-UP

1шт.

6

6217-71-5170

CLAMP

SN: 110003-UP

1шт.

7

6217-71-5210

CLAMP

SN: 110003-UP

1шт.

8

01435-00640

BOLT

SN: 113414-UP

2шт.

8

0

BOLT

SN: 110003-113413

2шт.

8A

01643-30623

WASHER

SN: 110003-UP

2шт.

9

6218-71-5230

BRACKET

SN: 113414-UP

1шт.

9

0

BRACKET

SN: 110003-113413

1шт.

10

6218-71-5220

BRACKET

SN: 113414-UP

1шт.

10

0

PLATE

SN: 110003-113413

1шт.

11

01435-01035

BOLT

SN: 113414-UP

1шт.

11

0

BOLT

SN: 110003-113413

1шт.

12

01584-01008

NUT

SN: 110003-UP

1шт.

13

01643-31032

WASHER

SN: 113414-UP

2шт.

13

01643-31032

WASHER

SN: 110003-113413

1шт.

14

01436-01080

BOLT

SN: 113414-UP

1шт.

14

0

BOLT

SN: 110003-113413

1шт.

15

6217-71-6640

CLAMP

SN: 112441-UP

1шт.

15

0

CLAMP

SN: 110172-112440

1шт.

15

0

CLAMP

SN: 110003-110171

1шт.

16

6217-71-6650

CLAMP

SN: 112441-UP

1шт.

16

0

CLAMP

SN: 110172-112440

1шт.

16

0

CLAMP

SN: 110003-110171

1шт.

17

01435-00635

BOLT

SN: 113414-UP

1шт.

17

0

BOLT

SN: 110003-113413

1шт.

18

6218-71-5240

BRACKET

SN: 113414-UP

1шт.

18

0

BRACKET

SN: 110003-113413

1шт.

19

01435-00820

BOLT

SN: 113414-UP

1шт.

19

0

BOLT

SN: 110003-113413

1шт.

20

01584-01008

NUT

SN: 110003-113413

1шт.

20A

01643-30823

WASHER

SN: 113414-UP

1шт.

21

6218-71-5260

CLAMP

SN: 113414-UP

2шт.

21

0

CLAMP

SN: 110003-113413

2шт.

22

01435-00630

BOLT

SN: 110003-UP

2шт.

23

6217-71-5492

TUBE

SN: 110003-UP

1шт.

24

6210-51-8320

CLIP

SN: 110003-UP

1шт.

25

6217-71-5660

BRACKET

SN: 110003-UP

1шт.

26

01435-01020

BOLT

SN: 110003-UP

1шт.

27

6217-71-6650

CLAMP

SN: 112441-UP

2шт.

27

0

CLAMP

SN: 110172-112440

2шт.

27

0

CLAMP

SN: 110003-110171

2шт.

28

01435-00630

BOLT

SN: 110003-UP

1шт.

29

6217-71-8811

JOINT

SN: 110003-UP

1шт.

Выбрано товаров: 51