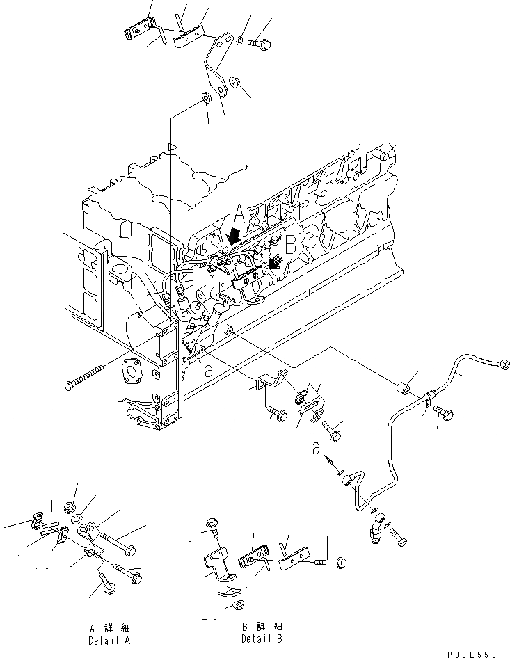
Запчасти Komatsu SAA6D140E-3D-8 ТОПЛИВН. НАСОС ПОДАЮЩ. И ВОЗВРАТ. ТРУБЫ(№-8) ДВИГАТЕЛЬ

Схема запчастей Komatsu SAA6D140E-3D-8 - ТОПЛИВН. НАСОС ПОДАЮЩ. И ВОЗВРАТ. ТРУБЫ(№-8) ДВИГАТЕЛЬ
1
1
1
1
1
1
1
1
2
3
4
5
6
7
8
8A
9
10
11
12
13
14
15
16
17
18
19
20
21
22
23
23
24
25
26
27
28
29
30
FIT
1:1
100%

Артикул

Название

Примечание

Количество

1

6217-71-4110

TUBE,SUPPLY

SN: 110134-110811

2шт.

2

6217-71-5312

BRACKET

SN: 110134-110811

1шт.

3

6110-23-6490

SPACER

SN: 110134-110811

1шт.

4

6151-81-4340

BOLT

SN: 110134-110811

1шт.

5

01584-01008

NUT

SN: 110134-110811

1шт.

6

6217-71-5170

CLAMP

SN: 110134-110811

1шт.

7

6217-71-5210

CLAMP

SN: 110134-110811

1шт.

8

01435-00635

BOLT

SN: 110134-110811

2шт.

8A

01643-30623

WASHER

SN: 110134-110811

2шт.

9

6217-71-5291

BRACKET

SN: 110134-110811

1шт.

10

6127-11-4421

PLATE

SN: 110134-110811

1шт.

11

01435-01030

BOLT

SN: 110134-110811

1шт.

12

01584-01008

NUT

SN: 110134-110811

1шт.

13

01643-31032

WASHER

SN: 110134-110811

1шт.

14

01436-01075

BOLT

SN: 110134-110811

1шт.

15

6217-71-5563

CLAMP

SN: 110134-110811

1шт.

16

6217-71-5573

CLAMP

SN: 110134-110811

1шт.

17

01435-00630

BOLT

SN: 110134-110811

1шт.

18

6217-71-5281

BRACKET

SN: 110134-110811

1шт.

19

01435-01025

BOLT

SN: 110134-110811

1шт.

20

01584-01008

NUT

SN: 110134-110811

1шт.

21

6217-71-5210

CLAMP

SN: 110134-110811

2шт.

22

01435-00630

BOLT

SN: 110134-110811

2шт.

23

6217-71-5492

TUBE,RETURN

SN: 110134-110811

1шт.

24

175-79-83760

SPACER

SN: 110134-110811

1шт.

25

01435-01035

BOLT

SN: 110134-110811

1шт.

26

6210-51-8320

CLIP

SN: 110134-110811

1шт.

27

6217-71-5660

BRACKET

SN: 110134-110811

1шт.

28

01435-01020

BOLT

SN: 110134-110811

1шт.

29

6217-71-5573

CLAMP

SN: 110134-110811

2шт.

30

01435-00630

BOLT

SN: 110134-110811

1шт.

Выбрано товаров: 0