Запчасти Komatsu SAA6D140E-3D-8 ВОЗДУШН. ВЕНТИЛЯЦИЯ И ДАТЧИК ТЕМПЕРАТУРЫ ВОДЫ(№-) ДВИГАТЕЛЬ

Схема запчастей Komatsu SAA6D140E-3D-8 - ВОЗДУШН. ВЕНТИЛЯЦИЯ И ДАТЧИК ТЕМПЕРАТУРЫ ВОДЫ(№-) ДВИГАТЕЛЬ
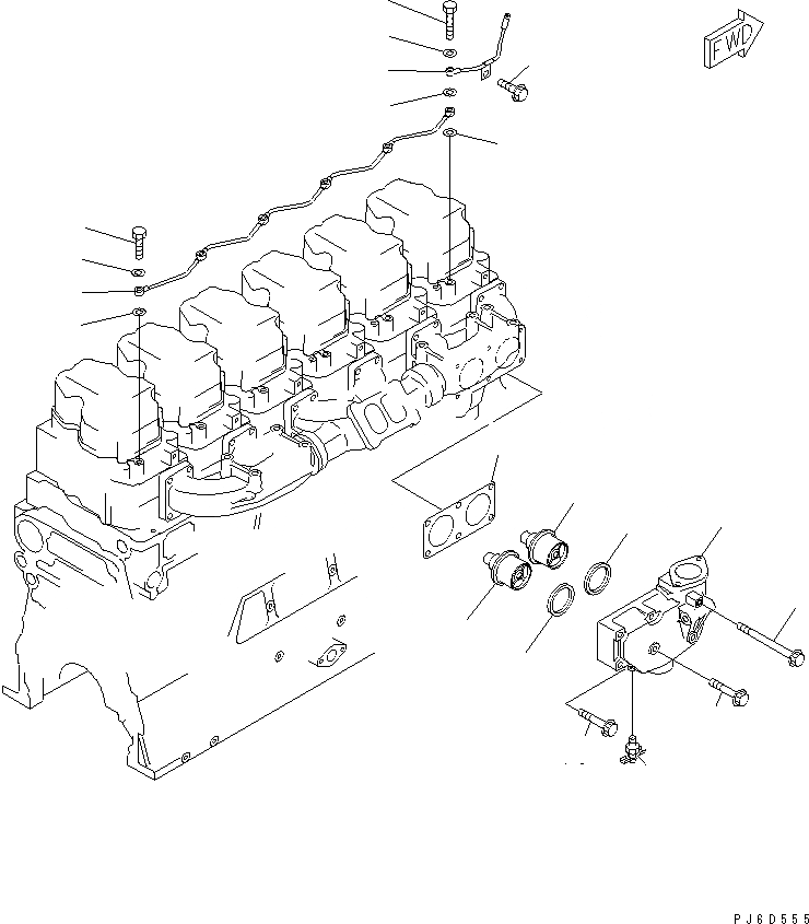
1
2
3
4
5
6
6
6
6
6
7
8
9
10
10
11
12
12
13
13
FIT
1:1
100%

Артикул

Название

Примечание

Количество

1

6218-11-6650

TUBE

SN: 110134-UP

1шт.

2

07206-30710

BOLT,JOINT

SN: 110134-UP

5шт.

3

6217-11-6520

TUBE

SN: 110134-UP

1шт.

4

6215-11-6560

BOLT,JOINT

SN: 110134-UP

1шт.

5

01435-01016

BOLT

SN: 110134-UP

1шт.

6

07003-01015

GASKET (K1)

SN: 110134-UP

13шт.

7

6210-61-6410

HOUSING,THERMOSTAT

SN: 110134-UP

1шт.

8

07062-00000

VALVE

SN: 110134-UP

1шт.

9

6210-61-6421

GASKET (K2)

SN: 110134-UP

1шт.

10

01437-01065

BOLT

SN: 110134-UP

5шт.

11

01438-11010

BOLT

SN: 110134-UP

1шт.

12

6162-13-6440

SEAL,THERMOSTAT (K2)

SN: 110134-UP

2шт.

13

600-421-6630

THERMOSTAT

SN: 110134-UP

2шт.

Выбрано товаров: 0