Запчасти Komatsu SAA6D140E-3G-8 ТРУБОПРОВОД ВПУСКА ВОЗДУХА(№-) ДВИГАТЕЛЬ

Схема запчастей Komatsu SAA6D140E-3G-8 - ТРУБОПРОВОД ВПУСКА ВОЗДУХА(№-) ДВИГАТЕЛЬ
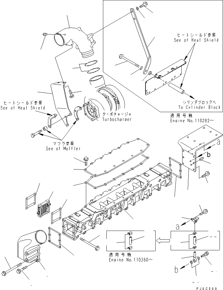
1
2
3
3
4
5
6
7
7
8
9
10
11
12
13
14
15
16
17
18
19
20
21
22
22
23
23
24
25
26
27
28
29
30
31
32
FIT
1:1
100%

Артикул

Название

Примечание

Количество

1

6217-11-4110

MANIFOLD,AIR INTAKE

SN: 110003-UP

1шт.

2

600-815-4291

HEATER,RIBBON

SN: 110003-UP

6шт.

3

6210-11-4811

GASKET (K1)

SN: 110003-UP

12шт.

4

01436-01070

BOLT

SN: 110003-UP

15шт.

5

6218-11-4340

CONNECTOR

SN: 110003-UP

1шт.

6

6218-11-4510

PLATE

SN: 110003-UP

1шт.

7

6217-11-4820

GASKET (K1)

SN: 110003-UP

2шт.

8

01436-01040

BOLT

SN: 110003-UP

4шт.

9

01435-01035

BOLT

SN: 110003-UP

2шт.

10

01435-01025

BOLT

SN: 110003-UP

5шт.

11

6218-11-4210

PLATE

SN: 110003-UP

1шт.

12

6218-11-4220

GASKET (K1)

SN: 110003-UP

1шт.

13

01435-01025

BOLT

SN: 110003-UP

6шт.

14

07042-70108

PLUG

SN: 110003-UP

1шт.

15

6218-11-4420

CONNECTOR

SN: 110003-UP

1шт.

16

07042-70108

PLUG

SN: 110003-UP

1шт.

17

6218-11-4430

BRACKET

SN: 110003-UP

1шт.

18

02895-77075

O-RING (K1)

SN: 110003-UP

2шт.

19

01435-01025

BOLT

SN: 110003-UP

2шт.

20

6217-81-9240

SENSOR,BOOST PRESSURE

SN: 110003-UP

1шт.

21

07206-30710

BOLT,JOINT

SN: 110003-UP

1шт.

22

6217-11-4430

HOSE

SN: 110003-UP

1шт.

23

07285-00115

CLIP

SN: 110360-UP

2шт.

|23

0

CLAMP

SN: 110003-110359

2шт.

24

6206-71-1770

JOINT

SN: 110003-UP

1шт.

25

07005-01012

GASKET (K1)

SN: 110003-UP

2шт.

26

01435-00612

BOLT

SN: 110003-UP

2шт.

27

6218-11-4910

BRACKET

SN: 110282-UP

1шт.

28

6162-13-4860

WASHER

SN: 110282-UP

1шт.

29

01436-01075

BOLT

SN: 110282-UP

1шт.

30

01643-31032

WASHER

SN: 110282-UP

1шт.

31

01435-01025

BOLT

SN: 110282-UP

2шт.

32

01643-31032

WASHER

SN: 110282-UP

2шт.

Выбрано товаров: 33