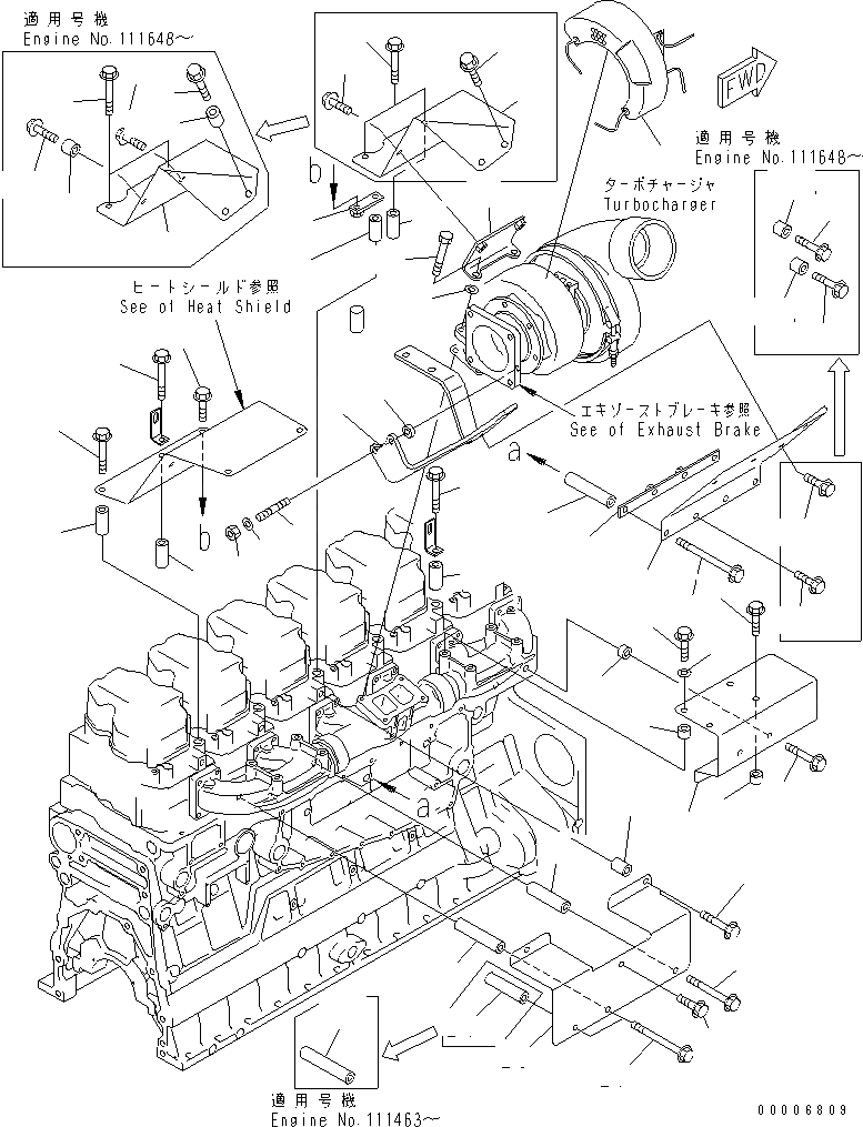
Запчасти Komatsu SAA6D140E-3J-8 ТЕРМОЗАЩИТА (/) ТУРБОНАГНЕТАТЕЛЬ И ВЫПУСКНОЙ КОЛЛЕКТОР (ГОРНЫЙ ТОРМОЗ СПЕЦ-Я.)(№8-) ДВИГАТЕЛЬ

Схема запчастей Komatsu SAA6D140E-3J-8 - ТЕРМОЗАЩИТА (/) ТУРБОНАГНЕТАТЕЛЬ И ВЫПУСКНОЙ КОЛЛЕКТОР (ГОРНЫЙ ТОРМОЗ СПЕЦ-Я.)(№8-) ДВИГАТЕЛЬ
1
2
2
3
4
5
6
7
8
9
10
11
12
13
14
14
14A
14A
14A
14A
15
16
17
18
18
19
20
21
22
23
24
24
25
26
27
27A
28
28
29
29
30
30
30
30
31
31
31
31
32
33
34
35
35
35A
36
37
38
39
FIT
1:1
100%

Артикул

Название

Примечание

Количество

1

6218-11-5411

COVER

SN: 110238-UP

1шт.

2

6631-11-5630

SPACER

SN: 110238-UP

4шт.

3

01435-01035

BOLT

SN: 110238-UP

2шт.

4

6631-11-6390

SPACER

SN: 110238-UP

2шт.

5

01435-01080

BOLT

SN: 110238-UP

2шт.

6

6218-11-5422

COVER

SN: 110238-UP

1шт.

7

6218-11-5542

BRACKET

SN: 110238-UP

1шт.

8

6218-11-8550

STUD

SN: 110238-UP

2шт.

9

01643-31032

WASHER

SN: 110238-UP

2шт.

10

01435-01045

BOLT

SN: 110238-UP

2шт.

11

01643-31032

WASHER

SN: 110238-UP

2шт.

12

21T-72-14930

BOSS

SN: 110238-UP

2шт.

13

01582-21008

NUT

SN: 110238-UP

2шт.

14

01435-01035

BOLT

SN: 111648-UP

4шт.

|14

0

BOLT

SN: 110238-111647

4шт.

14A

6631-11-5630

SPACER

SN: 111648-UP

9шт.

15

6218-11-5480

BRACKET

SN: 110238-UP

1шт.

16

6152-72-6290

SPACER

SN: 110238-UP

2шт.

17

01436-01060

BOLT

SN: 110238-UP

2шт.

18

01435-01040

BOLT

SN: 111648-UP

2шт.

|18

0

BOLT

SN: 110238-111647

2шт.

19

6218-11-5310

COVER

SN: 110238-UP

1шт.

20

6218-11-5431

COVER

SN: 110238-UP

1шт.

21

01435-01016

BOLT

SN: 110238-UP

1шт.

22

203-54-11170

SPACER

SN: 110238-UP

2шт.

23

01435-01050

BOLT

SN: 110238-UP

2шт.

24

6217-11-9841

SPACER

SN: 111463-UP

1шт.

|24

6217-11-9841

SPACER

SN: 110238-111462

2шт.

25

01436-01015

BOLT

SN: 110238-UP

1шт.

26

6152-72-6290

SPACER

SN: 110238-UP

1шт.

27

01436-01040

BOLT

SN: 110238-UP

2шт.

27A

6152-51-5880

SPACER

SN: 111463-UP

1шт.

28

6218-11-5441

COVER

SN: 110238-UP

1шт.

29

01435-01035

BOLT

SN: 111648-UP

2шт.

|29

0

BOLT

SN: 110238-111647

2шт.

30

6164-91-6290

SPACER

SN: 110238-UP

4шт.

31

01435-01070

BOLT

SN: 110238-UP

4шт.

32

6218-11-5570

BRACKET

SN: 110238-UP

1шт.

33

6217-11-5910

BOLT,(SEE FIG.A1530-A4G3)

SN: 110238-UP

2шт.

34

01643-31032

WASHER,(SEE FIG.A1530-A4G3)

SN: 110238-UP

2шт.

35

01435-01016

BOLT

SN: 111648-UP

1шт.

|35

01435-01016

BOLT

SN: 110238-111647

2шт.

35A

01435-01035

BOLT

SN: 111648-UP

1шт.

36

6218-11-5580

PLATE

SN: 110238-UP

1шт.

37

6110-25-6290

SPACER

SN: 111632-UP

1шт.

|37

0

COLLAR

SN: 110238-111631

1шт.

38

01435-01075

BOLT

SN: 110238-UP

1шт.

39

01435-01016

BOLT

SN: 110238-UP

1шт.

Выбрано товаров: 48