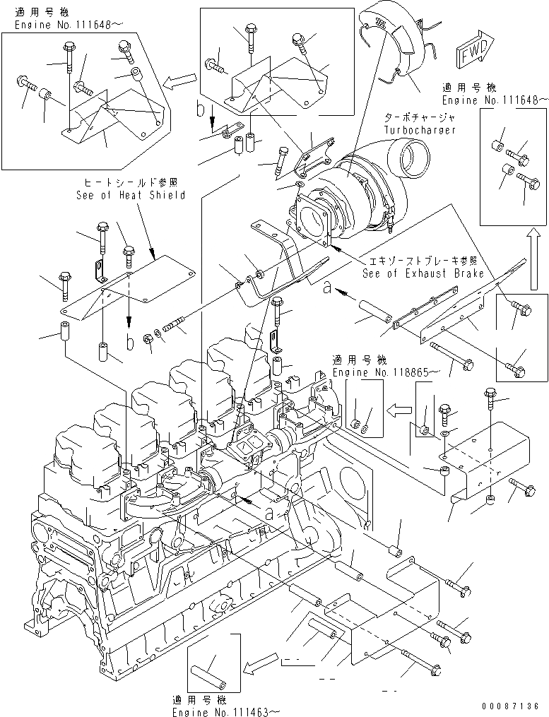
Запчасти Komatsu SAA6D140E-3J-8 ТЕРМОЗАЩИТА (/) ТУРБОНАГНЕТАТЕЛЬ И ВЫПУСКНОЙ КОЛЛЕКТОР (ГОРНЫЙ ТОРМОЗ СПЕЦ-Я.)(№8-) ДВИГАТЕЛЬ

Схема запчастей Komatsu SAA6D140E-3J-8 - ТЕРМОЗАЩИТА (/) ТУРБОНАГНЕТАТЕЛЬ И ВЫПУСКНОЙ КОЛЛЕКТОР (ГОРНЫЙ ТОРМОЗ СПЕЦ-Я.)(№8-) ДВИГАТЕЛЬ
1
2
2
3
4
4
5
6
7
8
9
10
11
12
13
14
15
15
16
16
16
16
17
18
19
20
20
21
22
23
24
25
26
26
27
28
29
30
31
31
32
32
33
33
33
33
34
34
34
34
35
36
37
38
38
38
39
40
41
42
FIT
1:1
100%

Артикул

Название

Примечание

Количество

1

6218-11-5411

COVER

SN: 110238-UP

1шт.

2

6631-11-5630

SPACER

SN: 110238-UP

4шт.

3

01435-01035

BOLT

SN: 110238-UP

2шт.

4

6631-11-6390

SPACER

SN: 110238-UP

2шт.

5

01640-21016

WASHER

SN: 118865-UP

2шт.

6

01435-01080

BOLT

SN: 110238-UP

2шт.

7

6218-11-5422

COVER

SN: 110238-UP

1шт.

8

6218-11-5542

BRACKET

SN: 110238-UP

1шт.

9

6218-11-8550

STUD

SN: 110238-UP

2шт.

10

01643-31032

WASHER

SN: 110238-UP

2шт.

11

01435-01045

BOLT

SN: 110238-UP

2шт.

12

01643-31032

WASHER

SN: 110238-UP

2шт.

13

21T-72-14930

BOSS

SN: 110238-UP

2шт.

14

01582-21008

NUT

SN: 110238-UP

2шт.

15

01435-01035

BOLT

SN: 111648-UP

4шт.

15

0

BOLT

SN: 110238-111647

4шт.

16

6631-11-5630

SPACER

SN: 111648-UP

9шт.

17

6218-11-5480

BRACKET

SN: 110238-UP

1шт.

18

6152-72-6290

SPACER

SN: 110238-UP

2шт.

19

01436-01060

BOLT

SN: 110238-UP

2шт.

20

01435-01040

BOLT

SN: 111648-UP

2шт.

20

0

BOLT

SN: 110238-111647

2шт.

21

6218-11-5310

COVER

SN: 110238-UP

1шт.

22

6218-11-5431

COVER

SN: 110238-UP

1шт.

23

01435-01016

BOLT

SN: 110238-UP

1шт.

24

203-54-11170

SPACER

SN: 110238-UP

2шт.

25

01435-01050

BOLT

SN: 110238-UP

2шт.

26

6217-11-9841

SPACER

SN: 111463-UP

1шт.

26

6217-11-9841

SPACER

SN: 110238-111462

2шт.

27

01436-01015

BOLT

SN: 110238-UP

1шт.

28

6152-72-6290

SPACER

SN: 110238-UP

1шт.

29

01436-01040

BOLT

SN: 110238-UP

2шт.

30

6152-51-5880

SPACER

SN: 111463-UP

1шт.

31

6218-11-5441

COVER

SN: 110238-UP

1шт.

32

01435-01035

BOLT

SN: 111648-UP

2шт.

32

0

BOLT

SN: 110238-111647

2шт.

33

6164-91-6290

SPACER

SN: 110238-UP

4шт.

34

01435-01070

BOLT

SN: 110238-UP

4шт.

35

6218-11-5570

BRACKET

SN: 110238-UP

1шт.

36

6217-11-5910

BOLT,(SEE FIG.A1530-A4G3)

SN: 110238-UP

2шт.

37

01643-31032

WASHER,(SEE FIG.A1530-A4G3)

SN: 110238-UP

2шт.

38

01435-01016

BOLT

SN: 111648-UP

1шт.

38

01435-01016

BOLT

SN: 110238-111647

2шт.

39

6218-11-5580

PLATE

SN: 110238-UP

1шт.

40

6110-25-6290

SPACER

SN: 111632-UP

1шт.

40

0

COLLAR

SN: 110238-111631

1шт.

41

01435-01070

BOLT

SN: 110238-UP

1шт.

42

01435-01016

BOLT

SN: 110238-UP

1шт.

Выбрано товаров: 0