Запчасти Komatsu SAA6D140E-3J-8 ТОПЛИВН. НАСОС И COMMON RAIL КРЕПЛЕНИЕ(№8-) ДВИГАТЕЛЬ

Схема запчастей Komatsu SAA6D140E-3J-8 - ТОПЛИВН. НАСОС И COMMON RAIL КРЕПЛЕНИЕ(№8-) ДВИГАТЕЛЬ
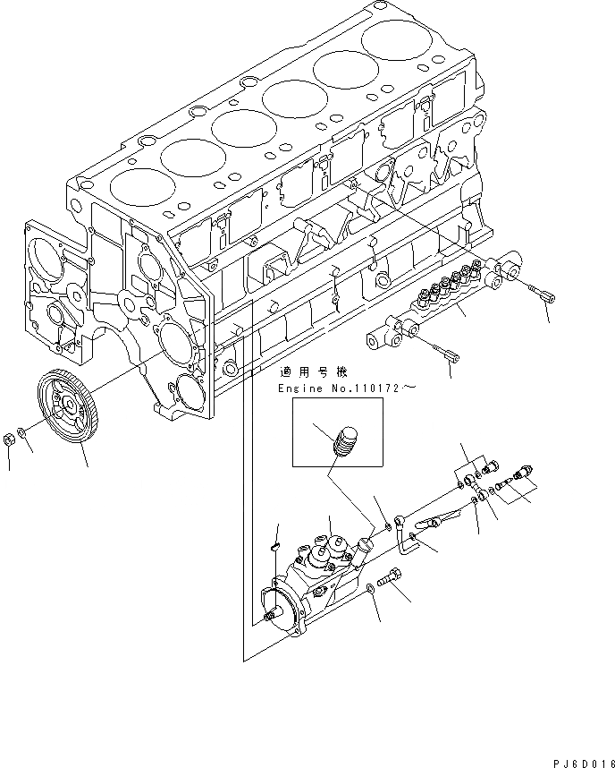
1
1
1
1
2
3
4
5
6
7
8
9
10
11
11
12
12
FIT
1:1
100%

Артикул

Название

Примечание

Количество

1

6218-71-1111

FUEL PUMP ASS'Y,(SEE FIG.A4010-C4L3)

SN: 110238-UP

1шт.

1

0

FUEL PUMP ASS'Y,(SEE FIG.A4010-C4L3)

SN: (110238-113419)

1шт.

2

6217-71-5910

TUBE

SN: 110238-UP

1шт.

3

6217-71-1910

COVER

SN: 110238-UP

1шт.

4

01010-81035

BOLT

SN: 110238-UP

4шт.

5

01643-31032

WASHER

SN: 110238-UP

4шт.

6

6217-71-3220

GEAR,PUMP DRIVE

SN: 110238-UP

1шт.

7

04010-00519

KEY

SN: 110238-UP

1шт.

8

01643-32060

WASHER

SN: 110238-UP

1шт.

9

01583-02012

NUT

SN: 110238-UP

1шт.

10

6217-71-1211

RAIL ASS'Y,(SEE FIG.A4010-E4L3)

SN: 110238-UP

1шт.

10

0

RAIL ASS'Y,(SEE FIG.A4010-E4L3)

SN: (110238-110552)

1шт.

11

6217-71-5251

BOLT

SN: 110238-UP

2шт.

12

07005-01412

SEAL, WASHER (K2)

SN: 110238-UP

2шт.

12

07005-01412

SEAL, WASHER,(NOT SHOWN) (K2)

SN: 110238-UP

10шт.

Выбрано товаров: 15