Запчасти Komatsu SAA6D140E-3J ТЕРМОСТАТ И ВОДН. СОЕДИН-Е ДВИГАТЕЛЬ

Схема запчастей Komatsu SAA6D140E-3J - ТЕРМОСТАТ И ВОДН. СОЕДИН-Е ДВИГАТЕЛЬ
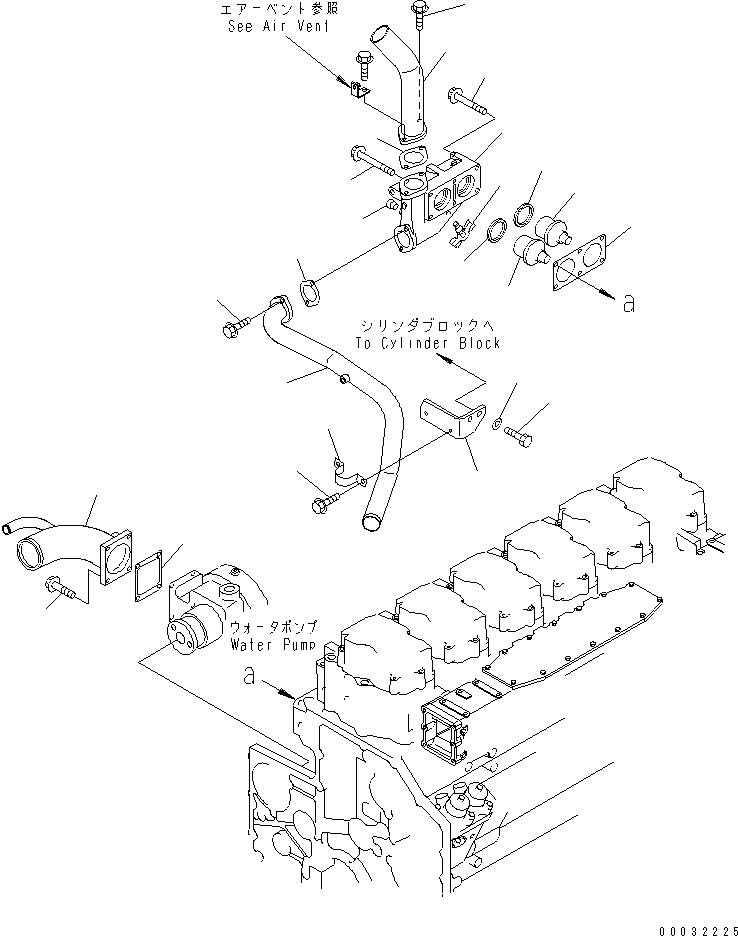
1
2
3
4
5
6
7
8
9
10
11
12
13
14
15
15
16
16
17
18
19
20
21
22
FIT
1:1
100%

Артикул

Название

Примечание

Количество

1

6218-61-4150

TUBE

SN: .-UP

1шт.

2

6210-61-6870

GASKET (K2)

SN: .-UP

1шт.

3

01435-01025

BOLT

SN: .-UP

2шт.

4

6218-61-4140

BRACKET

SN: .-UP

1шт.

5

01010-81230

BOLT

SN: .-UP

2шт.

6

01640-21223

WASHER

SN: .-UP

2шт.

7

07282-14912

CLIP

SN: .-UP

1шт.

8

01435-01016

BOLT

SN: .-UP

2шт.

9

6211-61-6410

HOUSING

SN: .-UP

1шт.

10

07062-00000

VALVE

SN: .-UP

1шт.

11

07043-00108

PLUG

SN: .-UP

1шт.

12

6210-61-6421

GASKET (K2)

SN: .-UP

1шт.

13

01437-01065

BOLT

SN: .-UP

4шт.

14

01438-01005

BOLT

SN: .-UP

2шт.

15

6162-13-6440

SEAL,THERMOSTAT (K2)

SN: .-UP

2шт.

16

600-421-6630

THERMOSTAT

SN: .-UP

2шт.

17

6218-61-6820

CONNECTOR

SN: .-UP

1шт.

18

6212-61-6821

GASKET (K6)

SN: .-UP

1шт.

19

01435-01030

BOLT

SN: .-UP

4шт.

20

6218-61-6270

CONNECTOR

SN: .-UP

1шт.

21

6210-61-6441

GASKET (K2)

SN: .-UP

1шт.

22

01435-01025

BOLT

SN: .-UP

1шт.

Выбрано товаров: 22