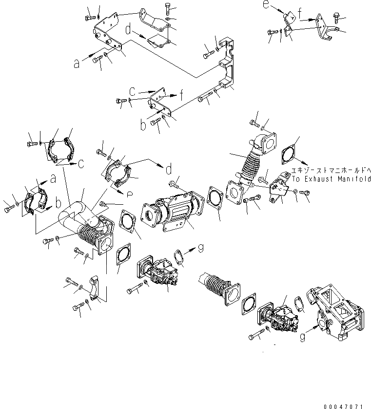
Запчасти Komatsu SAA6D140E-5 ВЫПУСКН. GAS RECIRCULATION КЛАПАН (/7) (ОХЛАДИТЕЛЬ И КЛАПАН КРЕПЛЕНИЕ) (С BYPASS КЛАПАН)(№-97) ДВИГАТЕЛЬ

Схема запчастей Komatsu SAA6D140E-5 - ВЫПУСКН. GAS RECIRCULATION КЛАПАН (/7) (ОХЛАДИТЕЛЬ И КЛАПАН КРЕПЛЕНИЕ) (С BYPASS КЛАПАН)(№-97) ДВИГАТЕЛЬ
1
1
2
3
4
4
5
5
6
7
8
9
10
11
12
13
14
15
16
17
17
18
18
19
20
21
22
23
24
25
26
26
27
28
29
29
29
29
30
30
30
31
31
31
32
32
32
33
33
33
34
35
36
37
37
38
39
39
40
40
41
42
42
43
43
44
45
46
47
48
FIT
1:1
100%

Артикул

Название

Примечание

Количество

1

6166-61-6341

GASKET

SN: 530003-@

2шт.

2

6261-41-4900

VALVE ASS'Y

SN: 530003-@

1шт.

3

6261-41-9500

VALVE ASS'Y,BYPASS

SN: 530003-@

1шт.

4

01011-E1005

BOLT

SN: 530003-@

4шт.

5

01643-31032

WASHER

SN: 530003-@

4шт.

6

6261-61-7110

COOLER ASS'Y

SN: 530003-@

1шт.

7

01435-01220

BOLT

SN: 530003-@

4шт.

8

6138-13-4240

GASKET

SN: 530003-@

1шт.

9

6207-11-5390

GASKET

SN: 530003-@

1шт.

10

6261-11-9120

TUBE,EXHAUST

SN: 530003-@

1шт.

11

6261-11-9150

BRACKET

SN: 530003-@

1шт.

12

01020-11025

BOLT

SN: 530003-@

2шт.

13

01020-11040

BOLT

SN: 530003-@

4шт.

14

01020-11050

BOLT

SN: 530003-@

4шт.

15

6631-11-5630

SPACER

SN: 530003-@

4шт.

16

01435-01035

BOLT

SN: 530003-@

2шт.

17

01643-31032

WASHER

SN: 530003-@

6шт.

18

6207-11-5390

GASKET

SN: 530003-@

2шт.

19

6261-11-9421

TUBE,BYPASS

SN: 530003-530697

1шт.

20

6215-11-5920

PLUG

SN: 530003-@

1шт.

21

6261-11-9840

BRACKET

SN: 530003-@

1шт.

22

6261-11-9750

BRACKET

SN: 530003-@

1шт.

23

01020-11060

BOLT

SN: 530003-@

2шт.

24

01643-31032

WASHER

SN: 530003-@

2шт.

25

6261-11-9220

PLATE

SN: 530003-@

1шт.

26

01010-E1030

BOLT

SN: 530003-@

6шт.

27

01010-E1060

BOLT

SN: 530003-@

2шт.

28

01010-E1050

BOLT

SN: 530003-@

2шт.

29

01643-31032

WASHER

SN: 530003-@

10шт.

30

6261-11-9870

CLAMP

SN: 530003-@

3шт.

31

6261-11-9880

CLAMP

SN: 530003-@

3шт.

32

01010-E1025

BOLT

SN: 530003-@

6шт.

33

01643-31032

WASHER

SN: 530003-@

6шт.

34

6261-11-9740

BRACKET

SN: 530003-@

1шт.

35

01010-E1050

BOLT

SN: 530003-@

1шт.

36

01010-E1080

BOLT

SN: 530003-@

2шт.

37

01643-31032

WASHER

SN: 530003-@

3шт.

38

6261-11-9970

BRACKET

SN: 530003-@

1шт.

39

01010-E1025

BOLT

SN: 530003-@

3шт.

40

01643-31032

WASHER

SN: 530003-@

3шт.

41

6261-11-9730

BRACKET

SN: 530003-@

1шт.

42

01010-E1025

BOLT

SN: 530003-@

3шт.

43

01643-31032

WASHER

SN: 530003-@

3шт.

44

6261-11-9760

BRACKET

SN: 530003-@

1шт.

45

01010-E1025

BOLT

SN: 530003-@

2шт.

46

01643-31032

WASHER

SN: 530003-@

2шт.

47

6261-11-9960

BRACKET

SN: 530003-@

1шт.

48

01435-01035

BOLT

SN: 530003-@

2шт.

Выбрано товаров: 48