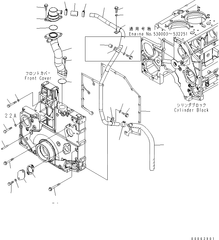
Запчасти Komatsu SAA6D140E-5 ЭЛЕМЕНТЫ ПЕРЕДН. КРЫШКИ (ЭЛЕМЕНТЫ КРЕПЛЕНИЯ И САПУН)(№-) ДВИГАТЕЛЬ

Схема запчастей Komatsu SAA6D140E-5 - ЭЛЕМЕНТЫ ПЕРЕДН. КРЫШКИ (ЭЛЕМЕНТЫ КРЕПЛЕНИЯ И САПУН)(№-) ДВИГАТЕЛЬ
1
2
3
3
4
5
6
7
7
8
9
9
9
10
11
12
13
14
14
15
16
17
18
19
20
21
22
23
24
25
26
27
28
FIT
1:1
100%

Артикул

Название

Примечание

Количество

1

6212-25-8710

BREATHER

SN: 530003-UP

1шт.

2

01435-01025

BOLT

SN: 530003-UP

2шт.

3

07000-72060

O-RING

SN: 530003-UP

2шт.

4

6261-21-8610

CONNECTOR,BREATHER

SN: 530003-UP

1шт.

5

01435-01035

BOLT

SN: 530003-UP

2шт.

6

6141-64-7841

HOSE

SN: 530003-UP

1шт.

7

07281-00419

CLAMP

SN: 530003-UP

2шт.

8

6261-21-8780

TUBE,BREATHER

SN: 530003-UP

1шт.

9

154-04-12420

CLAMP

SN: 532252-UP

2шт.

|$11

154-04-12420

CLAMP

SN: 530003-532251

3шт.

10

01435-01020

BOLT

SN: 530003-UP

1шт.

11

01435-01040

BOLT

SN: 530003-532251

1шт.

12

6152-11-4970

SPACER

SN: 530003-532251

1шт.

13

01435-01225

BOLT

SN: 530003-UP

1шт.

14

01643-31032

WASHER

SN: 532252-UP

1шт.

|$17

01643-31032

WASHER

SN: 530003-532251

2шт.

15

01643-31232

WASHER

SN: 530003-UP

1шт.

16

07287-02611

HOSE

SN: 530003-UP

1шт.

17

07285-00280

CLIP

SN: 530003-UP

1шт.

18

6251-21-3211

PLATE

SN: 530003-UP

1шт.

19

6251-21-3231

GASKET

SN: 530003-UP

1шт.

20

6210-22-3910

POINTER

SN: 530003-UP

1шт.

21

6217-21-3251

GASKET

SN: 530003-UP

1шт.

22

01010-81275

BOLT

SN: 530003-UP

1шт.

23

01010-81290

BOLT

SN: 530003-UP

7шт.

24

01436-01010

BOLT

SN: 530003-UP

1шт.

25

01435-01090

BOLT

SN: 530003-UP

3шт.

26

01640-21223

WASHER

SN: 530003-UP

8шт.

27

6251-21-3250

GASKET

SN: 530003-UP

2шт.

28

01050-51225

BOLT

SN: 530003-UP

2шт.

Выбрано товаров: 30