Запчасти Komatsu SAA6D140E-5 ТОПЛИВН. НАСОС ПОДАЮЩ. И ВОЗВРАТ. ТРУБЫ(№-) ДВИГАТЕЛЬ

Схема запчастей Komatsu SAA6D140E-5 - ТОПЛИВН. НАСОС ПОДАЮЩ. И ВОЗВРАТ. ТРУБЫ(№-) ДВИГАТЕЛЬ
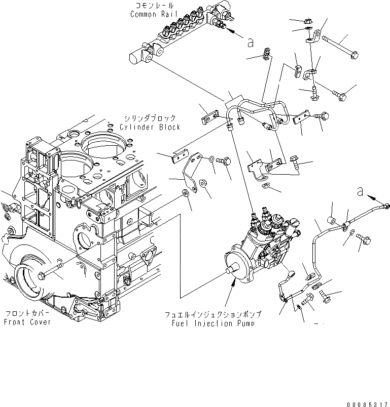
1
2
3
3
3
4
5
6
7
8
9
10
11
12
12
13
14
15
16
17
18
18
18
19
20
21
22
23
23
24
25
26
27
28
28
FIT
1:1
100%

Артикул

Название

Примечание

Количество

1

6110-23-6490

SPACER

SN: 530003-UP

1шт.

2

6217-71-5170

CLAMP

SN: 530003-UP

1шт.

3

6217-71-5210

CLAMP

SN: 530003-UP

3шт.

4

6217-71-5281

BRACKET

SN: 530003-UP

1шт.

5

6261-71-5440

BRACKET

SN: 530003-UP

1шт.

6

6217-71-6640

CLAMP

SN: 530003-UP

1шт.

7

6217-71-6650

CLAMP

SN: 530003-UP

1шт.

8

6261-71-5670

BRACKET

SN: 530003-UP

1шт.

9

6261-71-5690

BRACKET

SN: 530003-UP

1шт.

10

6261-71-4110

TUBE,SUPPLY

SN: 530003-UP

2шт.

11

01436-01010

BOLT

SN: 530003-UP

1шт.

12

01435-00630

BOLT

SN: 530003-UP

3шт.

13

01643-30823

WASHER

SN: 530003-UP

2шт.

14

01435-00640

BOLT

SN: 530003-UP

2шт.

15

01435-01035

BOLT

SN: 530003-UP

1шт.

16

01643-31032

WASHER

SN: 530003-UP

1шт.

17

01435-01025

BOLT

SN: 530003-UP

1шт.

18

01584-01008

NUT

SN: 530003-UP

3шт.

19

01436-01080

BOLT

SN: 530003-UP

1шт.

20

175-79-83760

SPACER

SN: 530003-UP

1шт.

21

6210-51-8320

CLIP

SN: 530003-UP

1шт.

22

6261-71-5411

TUBE,RETURN

SN: 530003-UP

1шт.

23

6217-71-6650

CLAMP,HALF

SN: 530003-UP

2шт.

24

01435-00630

BOLT

SN: 530003-UP

1шт.

25

01435-01040

BOLT

SN: 530003-UP

1шт.

26

6210-51-8320

CLIP

SN: 530003-UP

1шт.

27

01435-01020

BOLT

SN: 530003-UP

1шт.

28

01643-31032

WASHER

SN: 530003-UP

2шт.

Выбрано товаров: 28