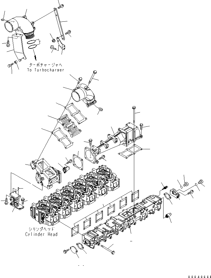
Запчасти Komatsu SAA6D140E-5 ТРУБОПРОВОД ВПУСКА ВОЗДУХА И СОЕДИН-Е(№-) ДВИГАТЕЛЬ

Схема запчастей Komatsu SAA6D140E-5 - ТРУБОПРОВОД ВПУСКА ВОЗДУХА И СОЕДИН-Е(№-) ДВИГАТЕЛЬ
1
2
3
4
5
5
6
7
8
9
10
11
12
13
14
15
16
17
18
19
20
21
22
23
24
25
26
27
28
29
30
31
32
33
33
33
34
35
36
37
37
38
39
40
41
41
42
42
FIT
1:1
100%

Артикул

Название

Примечание

Количество

1

6210-11-4811

GASKET

SN: 530008-UP

6шт.

2

6261-11-4110

MANIFOLD,AIR INTAKE

SN: 530008-UP

1шт.

3

01436-01070

BOLT

SN: 530008-UP

24шт.

4

600-815-4280

HEATER,RIBBON

SN: 530008-UP

1шт.

5

6211-11-4821

GASKET

SN: 530008-UP

2шт.

6

6261-11-4350

CONNECTOR

SN: 530008-UP

1шт.

7

01435-01070

BOLT

SN: 530008-UP

5шт.

8

01436-01090

BOLT

SN: 530008-UP

1шт.

9

07042-A0108

PLUG

SN: 530008-UP

1шт.

10

6261-11-7210

HOUSING,JUNCTION

SN: 530008-UP

1шт.

11

6261-11-7220

BRACKET

SN: 530008-UP

1шт.

12

01435-01025

BOLT

SN: 530008-UP

4шт.

13

01435-01030

BOLT

SN: 530008-UP

4шт.

14

04020-00820

PIN,DOWEL

SN: 530008-UP

2шт.

15

6261-11-2140

NOZZLE,VENTURI

SN: 530008-UP

1шт.

16

01437-10816

BOLT

SN: 530008-UP

2шт.

17

6211-11-4821

GASKET

SN: 530008-UP

1шт.

18

6261-11-7410

CONNECTOR

SN: 530008-UP

1шт.

19

6261-11-7450

GASKET

SN: 530008-UP

1шт.

20

01435-01030

BOLT

SN: 530008-UP

2шт.

21

01435-01035

BOLT

SN: 530008-UP

2шт.

22

01435-01235

BOLT

SN: 530008-UP

4шт.

23

01436-01080

BOLT

SN: 530008-UP

4шт.

24

6560-61-7201

SENSOR ASS'Y,BOOST PRESSURE

SN: 530008-UP

1шт.

|$31

6560-61-7211

SENSOR ASS'Y

SN: 530008-UP

1шт.

|$32

6216-54-6320

O-RING

SN: 530008-UP

1шт.

25

6560-61-7300

SENSOR ASS'Y,INTAKE AIR TEMPERATURE

SN: 530008-UP

1шт.

|$34

6560-61-7310

SENSOR

SN: 530008-UP

1шт.

|$35

6735-21-1930

O-RING

SN: 530008-UP

1шт.

26

6261-11-4420

CONNECTOR

SN: 530008-UP

1шт.

27

6631-11-5630

SPACER

SN: 530008-UP

2шт.

28

6261-11-4430

BRACKET

SN: 530008-UP

1шт.

29

6261-11-4750

BRACKET

SN: 530008-UP

1шт.

30

6261-11-4910

BRACKET

SN: 530008-UP

1шт.

31

01020-11040

BOLT

SN: 530008-UP

2шт.

32

01435-01025

BOLT

SN: 530008-UP

2шт.

33

01435-01030

BOLT

SN: 530008-UP

6шт.

34

01584-01008

NUT

SN: 530008-UP

2шт.

35

02895-77075

O-RING

SN: 530008-UP

2шт.

36

07042-A0108

PLUG

SN: 530008-UP

2шт.

37

6212-61-6662

GASKET

SN: 530008-UP

2шт.

38

6215-61-6670

PLATE

SN: 530008-UP

1шт.

39

6261-11-4130

BLOCK

SN: 530008-UP

1шт.

40

01435-01030

BOLT

SN: 530008-UP

1шт.

41

07002-21423

O-RING

SN: 530008-UP

2шт.

42

07040-11409

PLUG

SN: 530008-UP

2шт.

Выбрано товаров: 46