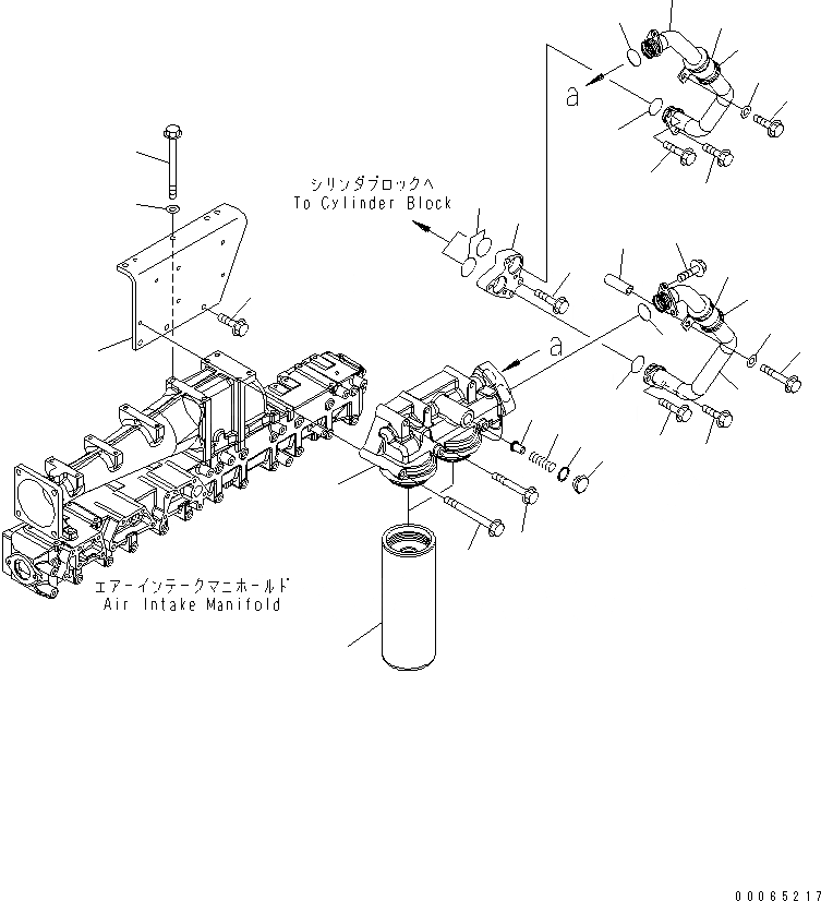
Запчасти Komatsu SAA6D140E-5AR-W МАСЛ. ФИЛЬТР И ТРУБЫ(№-) ДВИГАТЕЛЬ

Схема запчастей Komatsu SAA6D140E-5AR-W - МАСЛ. ФИЛЬТР И ТРУБЫ(№-) ДВИГАТЕЛЬ
1
2
3
4
5
6
7
8
9
10
11
11
12
13
13
14
14
15
16
17
18
19
20
21
21
22
23
24
24
25
25
26
27
28
29
1
2
3
4
5
6
7
8
9
10
11
11
12
13
13
14
14
15
16
17
18
19
20
21
21
22
23
24
24
25
25
26
27
28
29
FIT
1:1
100%

Артикул

Название

Примечание

Количество

|$2

6261-51-6701

HEAD ASS'Y,OIL FILTER

SN: 630234-UP

1шт.

|$3

0

HEAD ASS'Y,OIL FILTER

SN: 630026-630233

1шт.

1

6261-51-6711

HEAD

SN: 630234-UP

1шт.

1

6261-51-6710

HEAD

SN: 630026-630233

1шт.

2

6217-51-5660

CAP

SN: 630026-UP

1шт.

3

6162-55-5230

VALVE

SN: 630026-UP

1шт.

4

6162-53-5430

PACKING

SN: 630026-UP

1шт.

5

600-211-1890

SPRING

SN: 630026-UP

1шт.

6

600-211-1340

CARTRIDGE,OIL

SN: 630026-UP

2шт.

7

01435-01095

BOLT

SN: 630026-UP

3шт.

8

01436-01040

BOLT

SN: 630026-UP

3шт.

9

6261-51-5730

TUBE,RETURN

SN: 630026-UP

1шт.

10

6261-51-5740

TUBE,INLET

SN: 630026-UP

1шт.

11

07000-73034

O-RING

SN: 630026-UP

2шт.

12

01435-01025

BOLT

SN: 630026-UP

4шт.

13

6165-61-6770

CLIP

SN: 630026-UP

2шт.

14

6261-51-5750

CUSHION

SN: 630026-UP

2шт.

15

01435-01030

BOLT

SN: 630026-UP

1шт.

16

01643-31032

WASHER

SN: 630026-UP

1шт.

17

6211-11-9790

SPACER

SN: 630026-UP

1шт.

18

01435-01085

BOLT

SN: 630026-UP

1шт.

19

01643-31032

WASHER

SN: 630026-UP

1шт.

20

07000-73038

O-RING

SN: 630026-UP

2шт.

21

07000-73034

O-RING

SN: 630026-UP

2шт.

22

6261-51-5180

FLANGE

SN: 630026-UP

1шт.

23

01435-01045

BOLT

SN: 630026-UP

2шт.

24

01435-01050

BOLT

SN: 630026-UP

2шт.

25

01435-01020

BOLT

SN: 630026-UP

2шт.

26

6261-51-5790

BRACKET

SN: 630026-UP

1шт.

27

01435-01025

BOLT

SN: 630026-UP

3шт.

28

01011-81090

BOLT

SN: 630026-UP

2шт.

29

01643-31032

WASHER

SN: 630026-UP

2шт.

|$2

6261-51-6701

HEAD ASS'Y,OIL FILTER

SN: 630234-UP

1шт.

|$3

0

HEAD ASS'Y,OIL FILTER

SN: 630026-630233

1шт.

1

6261-51-6711

HEAD

SN: 630234-UP

1шт.

1

6261-51-6710

HEAD

SN: 630026-630233

1шт.

2

6217-51-5660

CAP

SN: 630026-UP

1шт.

3

6162-55-5230

VALVE

SN: 630026-UP

1шт.

4

6162-53-5430

PACKING

SN: 630026-UP

1шт.

5

600-211-1890

SPRING

SN: 630026-UP

1шт.

6

600-211-1340

CARTRIDGE,OIL

SN: 630026-UP

2шт.

7

01435-01095

BOLT

SN: 630026-UP

3шт.

8

01436-01040

BOLT

SN: 630026-UP

3шт.

9

6261-51-5730

TUBE,RETURN

SN: 630026-UP

1шт.

10

6261-51-5740

TUBE,INLET

SN: 630026-UP

1шт.

11

07000-73034

O-RING

SN: 630026-UP

2шт.

12

01435-01025

BOLT

SN: 630026-UP

4шт.

13

6165-61-6770

CLIP

SN: 630026-UP

2шт.

14

6261-51-5750

CUSHION

SN: 630026-UP

2шт.

15

01435-01030

BOLT

SN: 630026-UP

1шт.

16

01643-31032

WASHER

SN: 630026-UP

1шт.

17

6211-11-9790

SPACER

SN: 630026-UP

1шт.

18

01435-01085

BOLT

SN: 630026-UP

1шт.

19

01643-31032

WASHER

SN: 630026-UP

1шт.

20

07000-73038

O-RING

SN: 630026-UP

2шт.

21

07000-73034

O-RING

SN: 630026-UP

2шт.

22

6261-51-5180

FLANGE

SN: 630026-UP

1шт.

23

01435-01045

BOLT

SN: 630026-UP

2шт.

24

01435-01050

BOLT

SN: 630026-UP

2шт.

25

01435-01020

BOLT

SN: 630026-UP

2шт.

26

6261-51-5790

BRACKET

SN: 630026-UP

1шт.

27

01435-01025

BOLT

SN: 630026-UP

3шт.

28

01011-81090

BOLT

SN: 630026-UP

2шт.

29

01643-31032

WASHER

SN: 630026-UP

2шт.

Выбрано товаров: 64