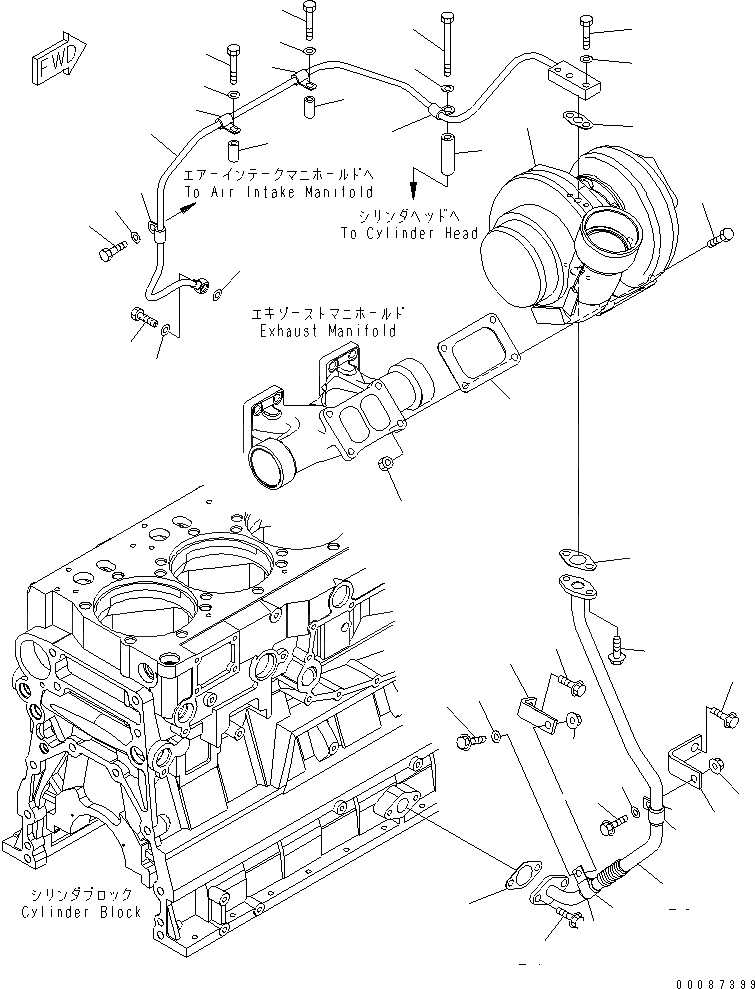
Запчасти Komatsu SAA6D140E-5AR-W КРЕПЛЕНИЕ ТУРБОНАГНЕТАТЕЛЯ И СМАЗКА(№-) ДВИГАТЕЛЬ

Схема запчастей Komatsu SAA6D140E-5AR-W - КРЕПЛЕНИЕ ТУРБОНАГНЕТАТЕЛЯ И СМАЗКА(№-) ДВИГАТЕЛЬ
1
2
3
4
5
5
6
7
8
8
9
9
10
11
11
12
12
13
14
15
16
17
18
19
19
20
21
22
23
24
24
25
26
27
28
29
30
31
32
33
34
35
36
37
38
1
2
3
4
5
5
6
7
8
8
9
9
10
11
11
12
12
13
14
15
16
17
18
19
19
20
21
22
23
24
24
25
26
27
28
29
30
31
32
33
34
35
36
37
38
FIT
1:1
100%

Артикул

Название

Примечание

Количество

1

6114-11-5590

NUT

SN: 630026-UP

4шт.

2

6138-13-4510

BOLT

SN: 630026-UP

4шт.

3

6261-11-5850

GASKET

SN: 630026-UP

1шт.

4

6505-68-5010

TURBOCHARGER ASS'Y,(SEE FIG.A1530-B4M5)

SN: 630026-UP

1шт.

5

207-62-32890

COLLAR

SN: 630026-UP

2шт.

6

6136-11-5120

SPACER

SN: 630026-UP

1шт.

7

6151-51-8161

GASKET

SN: 630026-UP

1шт.

8

6215-71-4930

CLAMP

SN: 630026-UP

2шт.

9

6215-71-4940

CLAMP

SN: 630026-UP

2шт.

10

6261-51-8160

TUBE,SUPPLY

SN: 630026-UP

1шт.

11

01010-80850

BOLT

SN: 630026-UP

2шт.

12

01643-30823

WASHER

SN: 630026-UP

2шт.

13

01010-81020

BOLT

SN: 630026-UP

1шт.

14

01643-31032

WASHER

SN: 630026-UP

1шт.

15

01010-81035

BOLT

SN: 630026-UP

2шт.

16

01643-31032

WASHER

SN: 630026-UP

2шт.

17

01010-81090

BOLT

SN: 630026-UP

2шт.

18

01643-31032

WASHER

SN: 630026-UP

2шт.

19

07005-01412

GASKET

SN: 630026-UP

2шт.

20

07206-31014

BOLT,JOINT

SN: 630026-UP

1шт.

21

6127-51-6822

GASKET

SN: 630026-UP

1шт.

22

6151-51-8151

GASKET

SN: 630026-UP

1шт.

23

6261-51-8110

TUBE,DRAIN

SN: 630026-UP

1шт.

24

01435-01025

BOLT

SN: 630026-UP

4шт.

25

6261-51-8410

BRACKET

SN: 630187-UP

1шт.

25

6261-51-8280

BRACKET

SN: 630026-630186

1шт.

26

01435-01225

BOLT

SN: 630026-UP

1шт.

27

01643-31032

WASHER

SN: 630026-UP

1шт.

28

01435-01025

BOLT

SN: 630026-UP

1шт.

29

01584-01008

NUT

SN: 630026-UP

1шт.

30

04434-52711

CLIP

SN: 20081028-UP

1шт.

30

04434-51910

CLIP

SN: 630026-630186

1шт.

31

6261-51-8370

CUSHION

SN: 630187-UP

1шт.

32

6261-51-8390

BRACKET

SN: 630187-UP

1шт.

32

6261-51-8130

BRACKET

SN: 630026-630186

1шт.

33

01435-01020

BOLT

SN: 630026-UP

2шт.

34

04434-52711

CLIP

SN: 630187-UP

1шт.

34

04434-51910

CLIP

SN: 630026-630186

1шт.

35

6261-51-8370

CUSHION

SN: 630186-UP

1шт.

36

01435-01025

BOLT

SN: 630026-UP

1шт.

37

01643-31032

WASHER

SN: 630026-UP

1шт.

38

01584-01008

NUT

SN: 630026-UP

1шт.

1

6114-11-5590

NUT

SN: 630026-UP

4шт.

2

6138-13-4510

BOLT

SN: 630026-UP

4шт.

3

6261-11-5850

GASKET

SN: 630026-UP

1шт.

4

6505-68-5010

TURBOCHARGER ASS'Y,(SEE FIG.A1530-B4M5)

SN: 630026-UP

1шт.

5

207-62-32890

COLLAR

SN: 630026-UP

2шт.

6

6136-11-5120

SPACER

SN: 630026-UP

1шт.

7

6151-51-8161

GASKET

SN: 630026-UP

1шт.

8

6215-71-4930

CLAMP

SN: 630026-UP

2шт.

9

6215-71-4940

CLAMP

SN: 630026-UP

2шт.

10

6261-51-8160

TUBE,SUPPLY

SN: 630026-UP

1шт.

11

01010-80850

BOLT

SN: 630026-UP

2шт.

12

01643-30823

WASHER

SN: 630026-UP

2шт.

13

01010-81020

BOLT

SN: 630026-UP

1шт.

14

01643-31032

WASHER

SN: 630026-UP

1шт.

15

01010-81035

BOLT

SN: 630026-UP

2шт.

16

01643-31032

WASHER

SN: 630026-UP

2шт.

17

01010-81090

BOLT

SN: 630026-UP

2шт.

18

01643-31032

WASHER

SN: 630026-UP

2шт.

19

07005-01412

GASKET

SN: 630026-UP

2шт.

20

07206-31014

BOLT,JOINT

SN: 630026-UP

1шт.

21

6127-51-6822

GASKET

SN: 630026-UP

1шт.

22

6151-51-8151

GASKET

SN: 630026-UP

1шт.

23

6261-51-8110

TUBE,DRAIN

SN: 630026-UP

1шт.

24

01435-01025

BOLT

SN: 630026-UP

4шт.

25

6261-51-8410

BRACKET

SN: 630187-UP

1шт.

25

6261-51-8280

BRACKET

SN: 630026-630186

1шт.

26

01435-01225

BOLT

SN: 630026-UP

1шт.

27

01643-31032

WASHER

SN: 630026-UP

1шт.

28

01435-01025

BOLT

SN: 630026-UP

1шт.

29

01584-01008

NUT

SN: 630026-UP

1шт.

30

04434-52711

CLIP

SN: 20081028-UP

1шт.

30

04434-51910

CLIP

SN: 630026-630186

1шт.

31

6261-51-8370

CUSHION

SN: 630187-UP

1шт.

32

6261-51-8390

BRACKET

SN: 630187-UP

1шт.

32

6261-51-8130

BRACKET

SN: 630026-630186

1шт.

33

01435-01020

BOLT

SN: 630026-UP

2шт.

34

04434-52711

CLIP

SN: 630187-UP

1шт.

34

04434-51910

CLIP

SN: 630026-630186

1шт.

35

6261-51-8370

CUSHION

SN: 630186-UP

1шт.

36

01435-01025

BOLT

SN: 630026-UP

1шт.

37

01643-31032

WASHER

SN: 630026-UP

1шт.

38

01584-01008

NUT

SN: 630026-UP

1шт.

Выбрано товаров: 84