Качественные детали и логистика
Оригинальные и аналоговые запчасти с доставкой по России, Казахстану и Беларуси
©2022 PartSell ООО "Система" ИНН 2463123282 ОГРН 1212400004838
Центральный офис: г. Красноярск, Академика Киренского, д.87, пом.4
Телефон: 8 (800) 777-65-74 Email: zakaz@partsell.ru
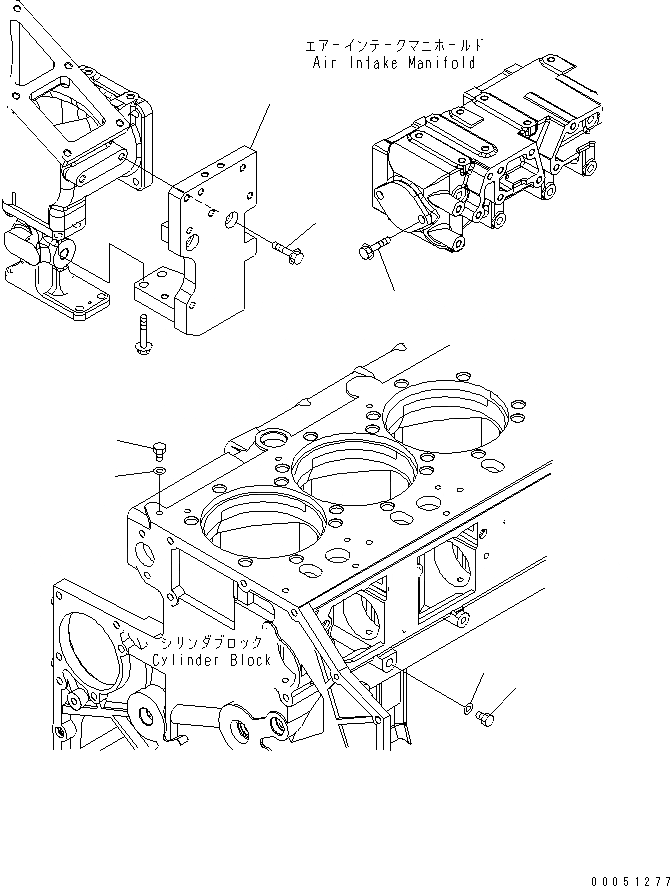
ВОДН. ЛИНИЯ ЗАГЛУШКА (БЕЗ АНТИКОРРОЗ. ЭЛЕМЕНТА)(№-)
№
Артикул
Название
Примечание
Количество
1
600-311-7520
PLUG
SN: 530266-UP
2шт.
2
07005-01412
SEAL, WASHER
3
21M-01-21231
BRACKET
1шт.
4
01435-01050
BOLT
4шт.
5
01435-01025
Выбрано товаров: 0