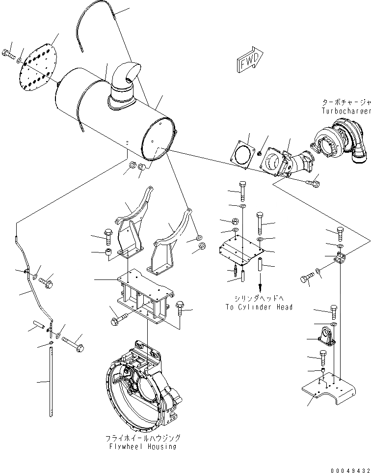
Запчасти Komatsu SAA6D140E-5B-01 ГЛУШИТЕЛЬ(№-9) ДВИГАТЕЛЬ

Схема запчастей Komatsu SAA6D140E-5B-01 - ГЛУШИТЕЛЬ(№-9) ДВИГАТЕЛЬ
1
2
2
3
4
5
6
7
8
9
10
11
12
13
14
15
15
16
16
17
18
19
20
21
22
23
24
25
26
27
28
29
30
31
32
33
34
35
36
37
38
39
40
41
42
43
44
45
46
47
48
FIT
1:1
100%

Артикул

Название

Примечание

Количество

1

6261-11-5610

MUFFLER

SN: 530001-535901

1шт.

2

6217-11-5750

BAND

SN: 530001-535901

2шт.

3

6215-11-5740

NUT

SN: 530001-535901

4шт.

4

01643-31032

WASHER

SN: 530001-535901

4шт.

5

6261-11-5421

COVER

SN: 530001-535901

1шт.

6

01010-80820

BOLT

SN: 530001-535901

12шт.

7

01643-30823

WASHER

SN: 530001-535901

12шт.

8

6261-11-5530

CONNECTOR

SN: 530001-535901

1шт.

9

6211-11-5890

GASKET

SN: 530001-535901

1шт.

10

6631-11-5630

SPACER

SN: 530001-535901

4шт.

11

01010-E1050

BOLT

SN: 530001-535901

4шт.

12

01580-01008

NUT

SN: 535786-535901

4шт.

12

0

NUT

SN: 530001-535785

4шт.

13

6215-11-5920

PLUG

SN: 530001-535901

1шт.

14

6261-11-5590

PLATE

SN: 530001-535901

1шт.

15

01010-E1025

BOLT

SN: 530001-535901

4шт.

16

01643-31032

WASHER

SN: 530001-535901

4шт.

17

6261-11-8461

BRACKET

SN: 530001-535901

1шт.

18

01010-E1045

BOLT

SN: 530001-535901

4шт.

19

6631-11-5630

SPACER

SN: 530001-535901

4шт.

20

6210-21-3752

HANGER

SN: 531718-535901

1шт.

20

0

BRACKET,HANGER

SN: 530001-531717

1шт.

21

01010-E1030

BOLT

SN: 530001-535901

4шт.

22

01643-31032

WASHER

SN: 530001-535901

4шт.

23

6261-11-5811

BRACKET

SN: 530001-535901

1шт.

24

6261-11-5821

BRACKET

SN: 530001-535901

1шт.

25

6261-11-5830

BRACKET

SN: 530001-535901

1шт.

26

01435-01025

BOLT

SN: 530001-535901

3шт.

27

01435-01045

BOLT

SN: 530001-535901

2шт.

28

01010-81045

BOLT

SN: 530001-535901

8шт.

29

6631-11-5630

SPACER

SN: 530001-535901

8шт.

30

6261-11-5580

TUBE,DRAIN

SN: 530001-535901

1шт.

31

6991-11-5990

CLAMP

SN: 530001-535901

2шт.

32

01643-31032

WASHER

SN: 530001-535901

1шт.

33

01435-01020

BOLT

SN: 530001-535901

1шт.

34

195-01-16420

COLLAR

SN: 530001-535901

1шт.

35

01643-31032

WASHER

SN: 530001-535901

1шт.

36

01436-01015

BOLT

SN: 530001-535901

1шт.

37

07260-20950

HOSE

SN: 531763-535901

1шт.

37

07260-20960

HOSE

SN: 530001-531762

1шт.

38

07285-00150

CLIP

SN: 530001-535901

1шт.

39

6261-11-9720

COVER

SN: 530001-535901

1шт.

40

6124-61-5720

SPACER

SN: 530001-535901

1шт.

41

01011-81025

BOLT

SN: 530001-535901

1шт.

42

01643-31032

WASHER

SN: 530001-535901

1шт.

43

6137-11-5120

SPACER

SN: 530001-535901

1шт.

44

01011-81005

BOLT

SN: 530001-535901

1шт.

45

01643-31032

WASHER

SN: 530001-535901

1шт.

46

6217-11-9790

BOLT

SN: 530001-535901

1шт.

47

01580-00806

NUT

SN: 530001-535901

1шт.

48

01643-30823

WASHER

SN: 530001-535901

1шт.

Выбрано товаров: 51