Запчасти Komatsu SAA6D140E-5B ВЫПУСКН. GAS RECIRCULATION КЛАПАН (/7) (EGR МАСЛ. НАСОС СМАЗКА) (№7-) AA ДВИГАТЕЛЬ

Схема запчастей Komatsu SAA6D140E-5B - ВЫПУСКН. GAS RECIRCULATION КЛАПАН (/7) (EGR МАСЛ. НАСОС СМАЗКА) (№7-) AA ДВИГАТЕЛЬ
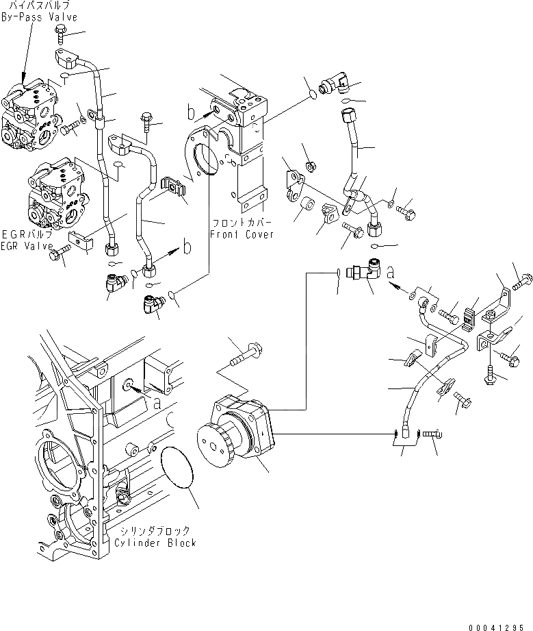
1
2
3
4
5
5
6
6
7
8
9
10
11
12
13
14
15
15
16
17
18
19
20
21
22
23
24
25
25
26
26
27
27
28
29
30
31
32
33
34
35
36
36
37
37
38
38
39
39
40
40
FIT
1:1
100%

Артикул

Название

Примечание

Количество

1

6261-51-9101

OIL PUMP ASSEMBLY

SN: 532670-UP

1шт.

|1

6261-51-9100

OIL PUMP ASSEMBLY

SN: 530001-532669

1шт.

2

01435-01255

BOLT

SN: 530001-UP

4шт.

3

07000-72085

O-RING

SN: 530001-UP

1шт.

4

6215-11-6560

BOLT, JOINT

SN: 530001-UP

1шт.

5

6217-71-6640

CLAMP

SN: 530001-UP

2шт.

6

6217-71-6650

CLAMP

SN: 530001-UP

2шт.

7

6261-51-9210

TUBE, OIL

SN: 530001-UP

1шт.

8

6261-71-5420

BRACKET

SN: 530001-UP

1шт.

9

6261-71-5430

BRACKET

SN: 530001-UP

1шт.

10

6934-72-7190

BOLT, JOINT

SN: 530001-UP

1шт.

11

01435-00625

BOLT

SN: 530001-UP

1шт.

12

01435-00630

BOLT

SN: 530001-UP

1шт.

13

01435-01020

BOLT

SN: 530001-UP

1шт.

14

01435-01025

BOLT

SN: 530001-UP

1шт.

15

07005-01012

GASKET

SN: 530001-UP

4шт.

16

6162-63-8820

CLIP

SN: 530001-UP

1шт.

17

6261-51-9310

TUBE, SUPPLY

SN: 530001-UP

1шт.

18

6261-51-9450

BRACKET

SN: 530001-UP

1шт.

19

6261-51-9460

BRACKET

SN: 530001-UP

1шт.

20

195-01-14540

COLLAR

SN: 530001-UP

1шт.

21

01435-01040

BOLT

SN: 530001-UP

1шт.

22

01435-01025

BOLT

SN: 530001-UP

1шт.

23

01643-31032

WASHER

SN: 530001-UP

1шт.

24

01584-01008

NUT

SN: 530001-UP

1шт.

25

02782-1042A

ELBOW

SN: 530001-UP

2шт.

26

02896-21012

O-RING

SN: 530001-UP

2шт.

27

07002-21823

O-RING

SN: 530001-UP

2шт.

28

6151-51-8540

CLIP

SN: 530001-UP

1шт.

29

6166-75-6820

CLAMP

SN: 530001-UP

1шт.

30

6261-51-9480

CLAMP

SN: 530001-UP

1шт.

31

6261-51-9320

TUBE, SUPPLY

SN: 530001-UP

1шт.

32

6261-51-9410

TUBE, SUPPLY

SN: 530001-UP

1шт.

33

01435-00835

BOLT

SN: 530001-UP

1шт.

34

01010-81030

BOLT

SN: 530001-UP

1шт.

35

01643-31032

WASHER

SN: 530001-UP

1шт.

36

02782-10311

ELBOW

SN: 530001-UP

2шт.

37

02896-21009

O-RING

SN: 530001-UP

2шт.

38

07002-21423

O-RING

SN: 530001-UP

2шт.

39

07000-E2012

O-RING

SN: 530001-UP

2шт.

40

01435-00825

BOLT

SN: 530001-UP

4шт.

Выбрано товаров: 41