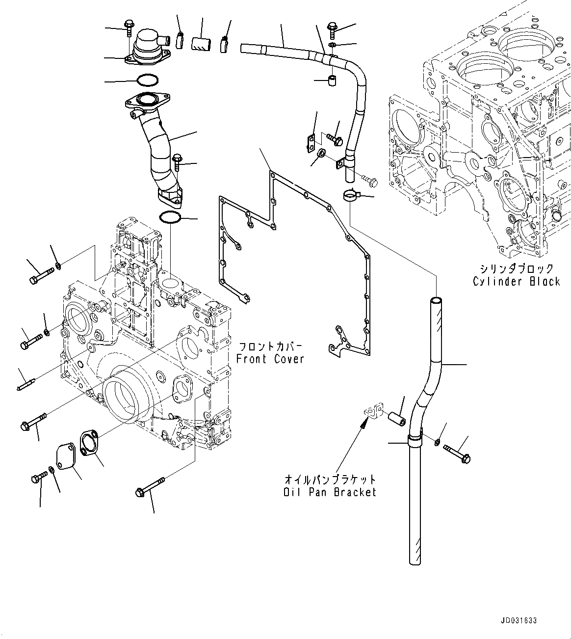
Запчасти Komatsu SAA6D140E-5B ЭЛЕМЕНТЫ ПЕРЕДН. КРЫШКИ (№98-) ЭЛЕМЕНТЫ ПЕРЕДН. КРЫШКИ

Схема запчастей Komatsu SAA6D140E-5B - ЭЛЕМЕНТЫ ПЕРЕДН. КРЫШКИ (№98-) ЭЛЕМЕНТЫ ПЕРЕДН. КРЫШКИ
28
29
26
27
24
30
31
32
33
22
23
18
16
17
19
20
2
4
3
2
25
1
5
7
6
7
8
12
11
9
21
14
13
15
10
FIT
1:1
100%

Артикул

Название

Примечание

Количество

1

6212-25-8710

Breather

SN: 536098-UP

1шт.

2

07000-72060

O-ring

SN: 536098-UP

2шт.

3

6261-21-8610

Connector, Breather

SN: 536098-UP

1шт.

4

01435-01035

Bolt

SN: 536098-UP

2шт.

5

01435-01025

Bolt

SN: 536098-UP

2шт.

6

6141-64-7841

Hose

SN: 536098-UP

1шт.

7

07281-00419

Clamp

SN: 536098-UP

2шт.

8

6261-21-8730

Tube, Breather

SN: 536098-UP

1шт.

9

154-04-12420

Clamp

SN: 536098-UP

2шт.

10

6643-21-6550

Collar

SN: 536098-UP

1шт.

11

01643-31032

Washer

SN: 536098-UP

1шт.

12

01435-01045

Bolt

SN: 536098-UP

1шт.

13

426-01-11310

Bracket

SN: 536098-UP

1шт.

14

01435-01030

Bolt

SN: 536098-UP

1шт.

15

6131-22-3760

Boss

SN: 536098-UP

1шт.

16

01435-01070

Bolt

SN: 536098-UP

1шт.

17

01643-31032

Washer

SN: 536098-UP

1шт.

18

04434-53411

Clip

SN: 536098-UP

1шт.

19

6152-51-5520

Spacer

SN: 536098-UP

1шт.

20

07287-02610

Hose

SN: 536098-UP

1шт.

21

07285-00280

Clip

SN: 536098-UP

1шт.

22

6251-21-3211

Plate

SN: 536098-UP

1шт.

23

6251-21-3231

Gasket

SN: 536098-UP

1шт.

24

6150-22-3360

Pointer

SN: 536098-UP

1шт.

25

6217-21-3251

Gasket

SN: 536098-UP

1шт.

26

01010-81275

Bolt

SN: 536098-UP

1шт.

27

01643-31232

Washer

SN: 536098-UP

1шт.

28

01010-81290

Bolt

SN: 536098-UP

5шт.

29

01643-31232

Washer

SN: 536098-UP

5шт.

30

01436-01010

Bolt

SN: 536098-UP

1шт.

31

01435-01090

Bolt

SN: 536098-UP

3шт.

32

6251-21-3250

Gasket

SN: 536098-UP

2шт.

33

01050-51225

Bolt

SN: 536098-UP

2шт.

Выбрано товаров: 33