Запчасти Komatsu SAA6D140E-5B IDLE ПРИВОДS (№98-) IDLE ПРИВОДS

Схема запчастей Komatsu SAA6D140E-5B - IDLE ПРИВОДS (№98-) IDLE ПРИВОДS
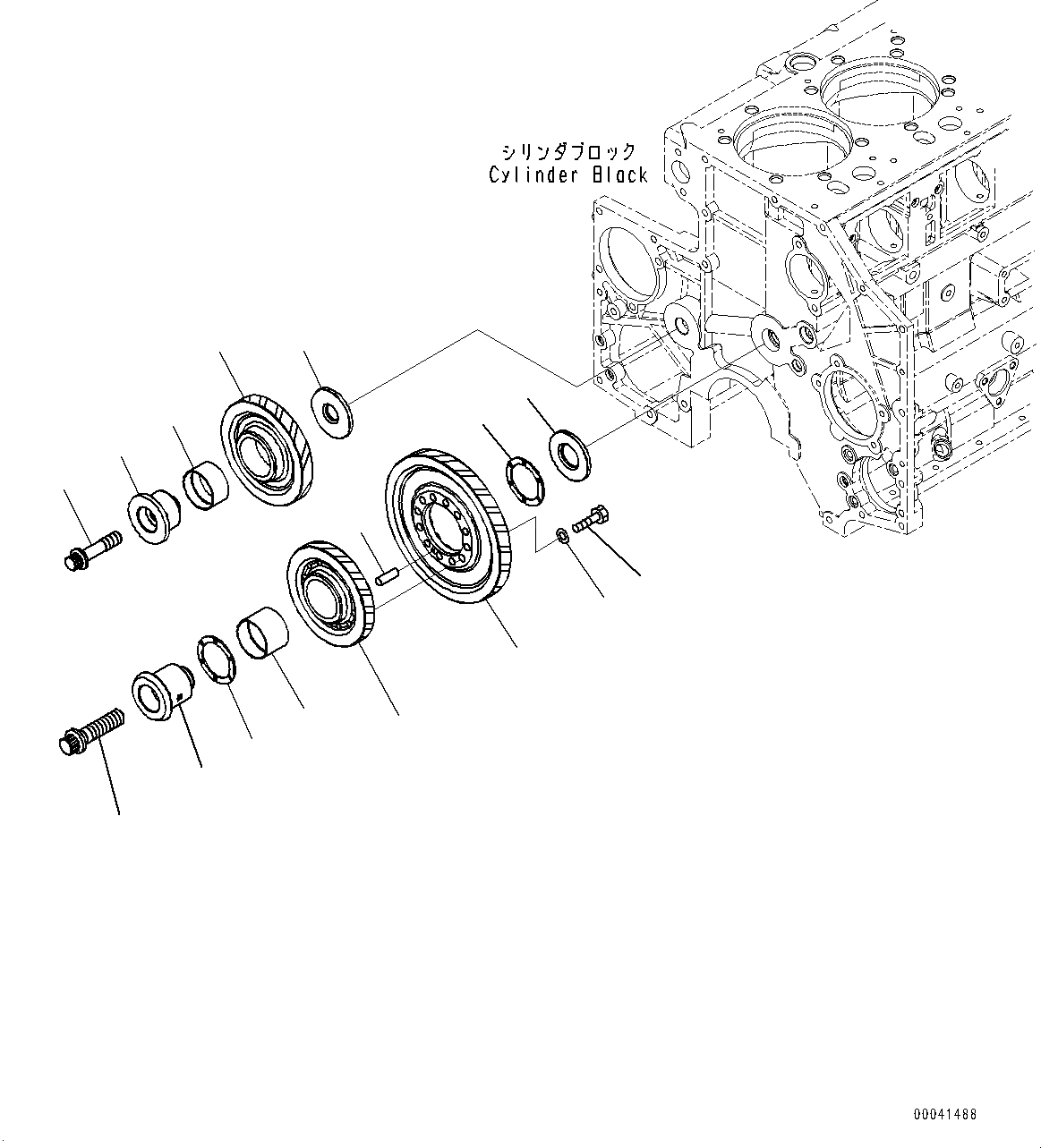
1
2
3
4
5
6
7
8
9
10
11
12
13
14
15
10
FIT
1:1
100%

Артикул

Название

Примечание

Количество

1

6212-31-6440

Gear

SN: 536098-UP

1шт.

1

6212-31-6420

Gear Assembly

SN: 536098-UP

1шт.

2

Gear,Idler

SN: 536098-UP

1шт.

3

6212-31-6130

Bushing

SN: 536098-UP

1шт.

4

22X-22-12670

Bolt

SN: 536098-UP

12шт.

5

6212-31-6490

Washer

SN: 536098-UP

12шт.

6

04020-00514

Pin, Dowel

SN: 536098-UP

1шт.

7

6210-22-2410

Shaft

SN: 536098-UP

1шт.

8

6210-22-2420

Plate

SN: 536098-UP

1шт.

9

6162-33-5322

Bolt

SN: 536098-UP

1шт.

10

6212-31-6140

Bearing

SN: 536098-UP

2шт.

|$11

6212-31-6100

Gear Assembly

SN: 536098-UP

1шт.

11

Gear, Idler

SN: 536098-UP

1шт.

12

6212-31-6120

Bushing

SN: 536098-UP

1шт.

13

6212-21-2511

Shaft

SN: 536098-UP

1шт.

14

6210-21-2422

Plate

SN: 536098-UP

1шт.

15

6212-21-2450

Bolt

SN: 536098-UP

1шт.

Выбрано товаров: 17