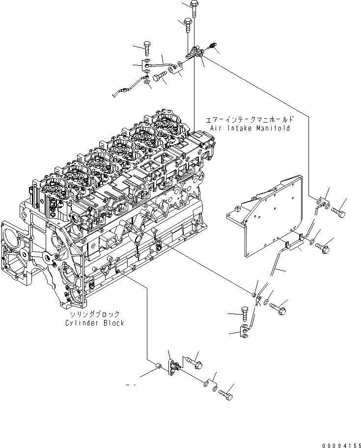
Запчасти Komatsu SAA6D140E-5BR-W ВОЗВРАТ ТОПЛИВА(№8-) ДВИГАТЕЛЬ

Схема запчастей Komatsu SAA6D140E-5BR-W - ВОЗВРАТ ТОПЛИВА(№8-) ДВИГАТЕЛЬ
1
2
3
4
5
6
7
8
8
9
10
11
11
12
12
13
13
14
15
16
17
17
18
19
20
21
22
FIT
1:1
100%

Артикул

Название

Примечание

Количество

1

07206-30812

BOLT,JOINT

SN: 630583-UP

1шт.

2

07005-01212

SEAL

SN: 630583-UP

2шт.

3

6261-71-8641

BLOCK

SN: 630583-UP

1шт.

4

01435-01025

BOLT

SN: 630583-UP

1шт.

5

01435-01055

BOLT

SN: 630583-UP

1шт.

6

6261-71-5810

TUBE

SN: 630583-UP

1шт.

7

6215-11-6560

BOLT,JOINT

SN: 630583-UP

1шт.

8

07005-01012

GASKET

SN: 630583-UP

3шт.

9

6261-81-6901

SENSOR ASS'Y,TEMPERATURE

SN: 630583-UP

1шт.

9

6261-84-9740

O-RING

SN: 630583-UP

1шт.

10

6261-71-5821

TUBE

SN: 630583-UP

1шт.

11

07206-30812

BOLT,JOINT

SN: 630583-UP

2шт.

12

07005-01212

SEAL

SN: 630583-UP

4шт.

13

6210-51-8320

CLIP

SN: 630583-UP

3шт.

14

01435-01020

BOLT

SN: 630583-UP

2шт.

15

6131-12-5920

SPACER

SN: 630583-UP

1шт.

16

01435-01030

BOLT

SN: 630583-UP

1шт.

17

01643-01032

WASHER

SN: 630583-UP

3шт.

18

6261-71-6240

BLOCK

SN: 630583-UP

1шт.

19

01435-01050

BOLT

SN: 630583-UP

2шт.

20

175-79-83760

SPACER

SN: 630583-UP

2шт.

21

07206-31014

BOLT,JOINT

SN: 630583-UP

1шт.

22

07005-01412

GASKET

SN: 630583-UP

2шт.

Выбрано товаров: 0