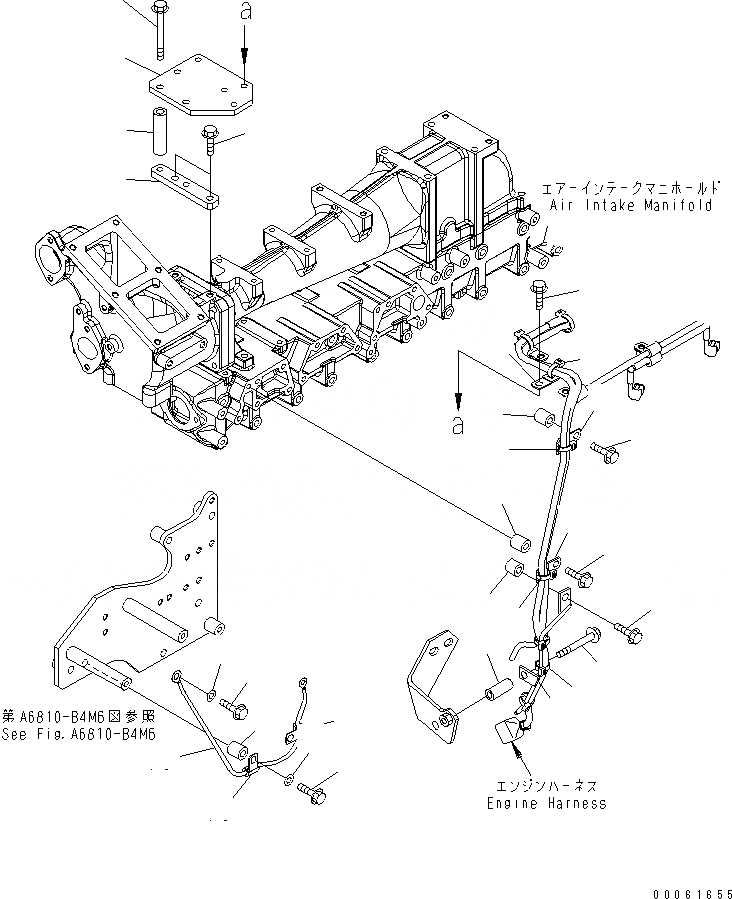
Запчасти Komatsu SAA6D140E-5BR-W ЭЛЕКТР. ЭЛЕКТРОПРОВОДКА (/)(№-) ДВИГАТЕЛЬ

Схема запчастей Komatsu SAA6D140E-5BR-W - ЭЛЕКТР. ЭЛЕКТРОПРОВОДКА (/)(№-) ДВИГАТЕЛЬ
1
1
2
2
3
3
4
5
6
7
8
9
9
9
10
11
12
13
14
15
16
17
18
19
19
20
21
21
22
23
FIT
1:1
100%

Артикул

Название

Примечание

Количество

1

144-874-7470

BOSS

SN: 630001-630436

2шт.

2

01435-01040

BOLT

SN: 630001-630436

2шт.

3

6218-81-8430

CLAMP

SN: 630001-630436

2шт.

4

6261-81-8680

BRACKET

SN: 630001-630436

1шт.

5

01435-01065

BOLT

SN: 630001-630436

1шт.

6

6143-11-4290

SPACER

SN: 630001-630436

1шт.

7

01435-01040

BOLT

SN: 630001-630436

1шт.

8

175-79-83760

SPACER

SN: 630001-630436

1шт.

9

6218-81-8490

BAND

SN: 630001-630436

5шт.

10

6261-81-8880

PLATE

SN: 630001-630436

1шт.

11

01435-01025

BOLT

SN: 630001-630436

2шт.

12

6240-21-7470

SPACER

SN: 630001-630436

2шт.

13

6261-81-8870

PLATE

SN: 630001-630436

1шт.

14

01436-01000

BOLT

SN: 630001-630436

2шт.

15

01435-01016

BOLT

SN: 630001-630436

1шт.

16

6218-81-8430

CLAMP

SN: 630001-630436

1шт.

17

6218-81-8490

BAND

SN: 630001-630436

2шт.

18

6261-81-8560

WIRING HARNESS

SN: 630001-630436

1шт.

19

600-051-2060

CLIP

SN: 630001-630436

2шт.

20

01435-01020

BOLT

SN: 630001-630436

1шт.

21

01643-31032

WASHER

SN: 630001-630436

2шт.

22

144-874-7470

BOSS

SN: 630001-630436

1шт.

23

01435-01040

BOLT

SN: 630001-630436

1шт.

Выбрано товаров: 23