Запчасти Komatsu SAA6D140E-5C-01 АНТИКОРРОЗ. ЭЛЕМЕНТ(№8-) ДВИГАТЕЛЬ

Схема запчастей Komatsu SAA6D140E-5C-01 - АНТИКОРРОЗ. ЭЛЕМЕНТ(№8-) ДВИГАТЕЛЬ
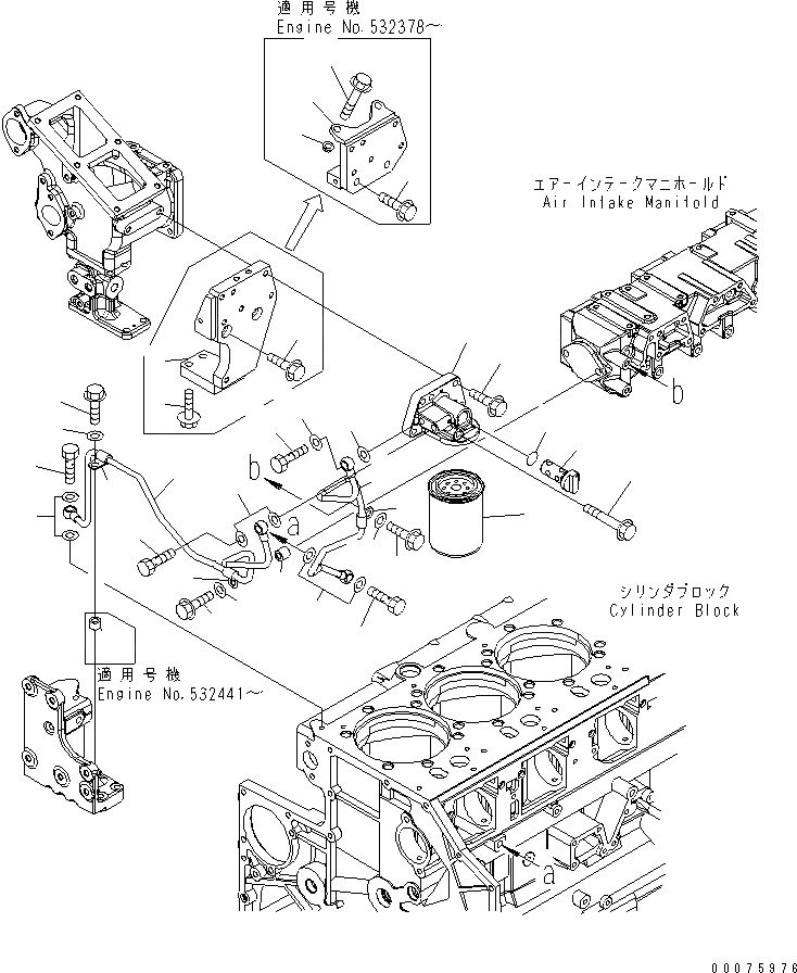
1
2
3
4
5
5
5
5A
5B
6
7
8
8
9
9
9
10
11
12
13
13
13
14
15
16
16
16
16
16
17
17
17
17
18
19
FIT
1:1
100%

Артикул

Название

Примечание

Количество

|$2

6217-61-8170

RESISTOR ASS'Y,CORROSION

SN: 530008-UP

1шт.

|$3

6217-61-8231

HEAD ASS'Y

SN: 530008-UP

1шт.

1

0

HEAD,CORROSION

SN: 530008-UP

1шт.

2

6217-61-8221

VALVE

SN: 530008-UP

1шт.

3

07000-A2021

O-RING

SN: 530008-UP

1шт.

4

600-411-1161

CARTRIDGE,CORROSION

SN: 530008-UP

1шт.

5

01437-01060

BOLT

SN: 532378-UP

2шт.

5

01435-01050

BOLT

SN: 530008-532377

4шт.

5A

01435-01085

BOLT

SN: 532378-UP

2шт.

5B

209-62-11810

SPACER

SN: 532378-UP

2шт.

6

01435-01035

BOLT

SN: 530008-UP

4шт.

7

01436-01000

BOLT

SN: 530008-UP

1шт.

8

6261-61-8251

BRACKET

SN: 532378-UP

1шт.

8

6261-61-8250

BRACKET

SN: 530008-532377

1шт.

9

6215-71-4940

CLAMP

SN: 530008-UP

3шт.

10

6631-11-5630

SPACER

SN: 530008-UP

1шт.

11

01435-01045

BOLT

SN: 530008-UP

1шт.

12

01435-01020

BOLT

SN: 530008-UP

1шт.

13

01643-31032

WASHER

SN: 530008-UP

3шт.

14

6261-61-8440

TUBE,INLET

SN: 530008-UP

1шт.

15

6261-61-8450

TUBE,RETURN

SN: 530008-UP

1шт.

16

07005-01412

SEAL, WASHER

SN: 530008-UP

8шт.

17

07206-31014

BOLT,JOINT

SN: 530008-UP

4шт.

18

01435-01035

BOLT

SN: 532441-UP

1шт.

18

01435-01020

BOLT

SN: 530008-532440

1шт.

19

6631-11-6390

SPACER

SN: 532441-UP

1шт.

Выбрано товаров: 0