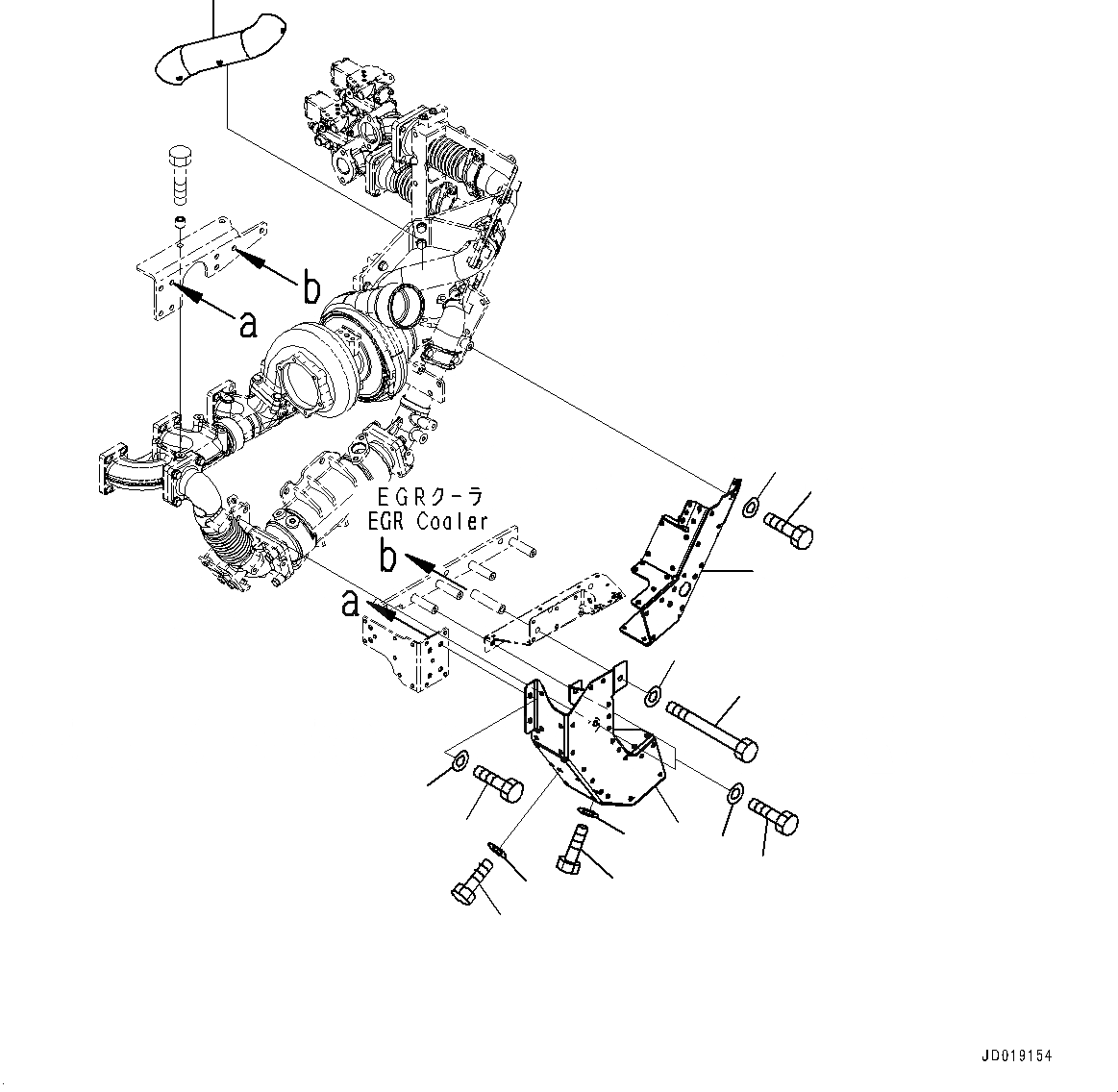
Запчасти Komatsu SAA6D140E-5C ТЕРМОЗАЩИТА, EGR ТРУБЫ И ОХЛАДИТЕЛЬ (№7-) ТЕРМОЗАЩИТА

Схема запчастей Komatsu SAA6D140E-5C - ТЕРМОЗАЩИТА, EGR ТРУБЫ И ОХЛАДИТЕЛЬ (№7-) ТЕРМОЗАЩИТА
1
2
4
6
7
3
5
4
5
2
3
11
9
10
8
FIT
1:1
100%

Артикул

Название

Примечание

Количество

1

6261-11-8690

Cover

SN: 535703-UP

1шт.

2

01010-81025

Bolt

SN: 535703-UP

4шт.

3

01643-31032

Washer

SN: 535703-UP

4шт.

4

01010-81030

Bolt

SN: 535703-UP

2шт.

5

01643-31032

Washer

SN: 535703-UP

2шт.

6

01011-81020

Bolt

SN: 535703-UP

1шт.

7

01643-31032

Washer

SN: 535703-UP

1шт.

8

6261-11-8790

Cover

SN: 535703-UP

1шт.

9

01010-81025

Bolt

SN: 535703-UP

4шт.

10

01643-31032

Washer

SN: 535703-UP

4шт.

11

6261-11-6940

Cover

SN: 535703-UP

1шт.

Выбрано товаров: 11