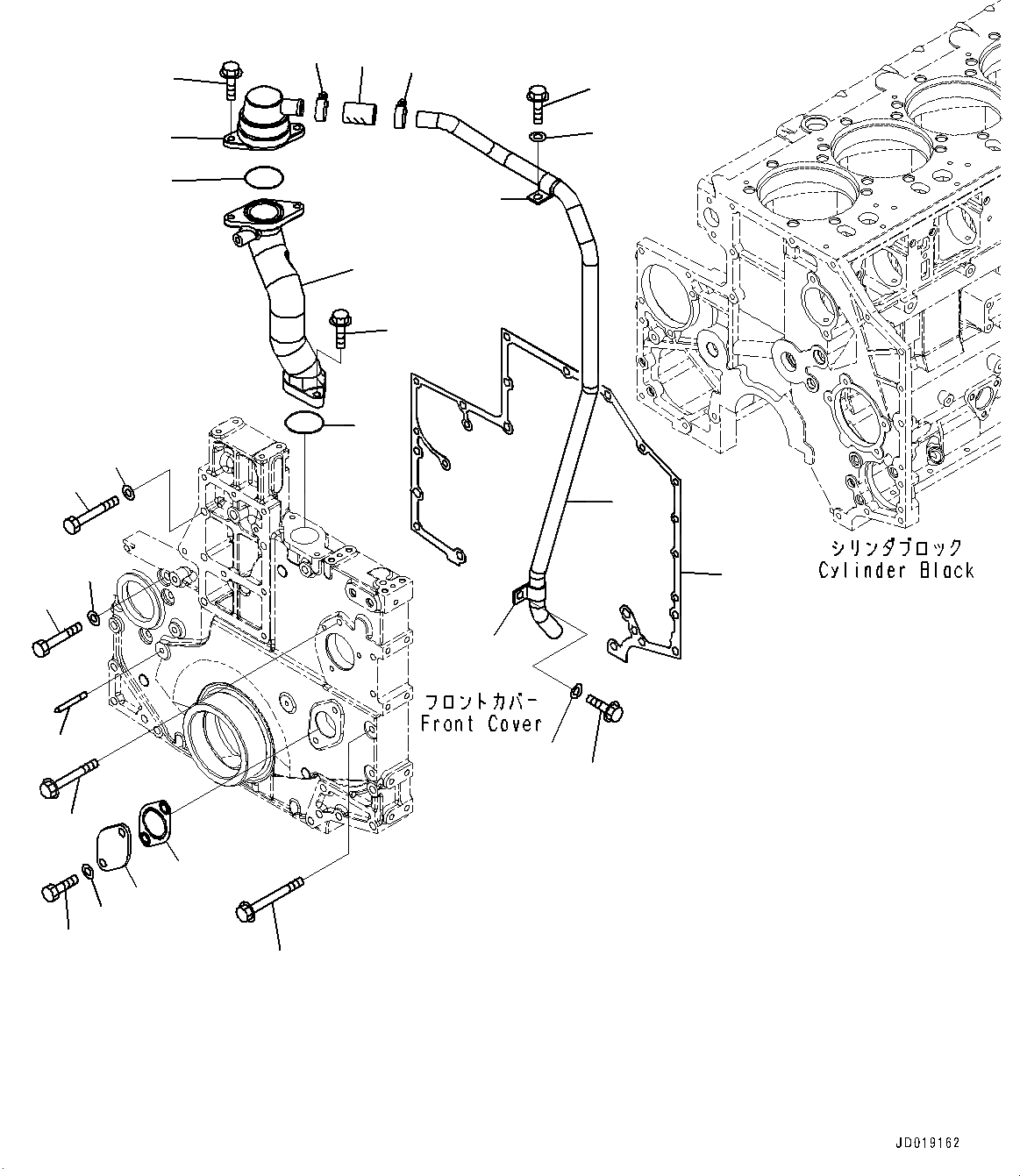
Запчасти Komatsu SAA6D140E-5C ЭЛЕМЕНТЫ ПЕРЕДН. КРЫШКИ И САПУН (№7-) ЭЛЕМЕНТЫ ПЕРЕДН. КРЫШКИ И САПУН

Схема запчастей Komatsu SAA6D140E-5C - ЭЛЕМЕНТЫ ПЕРЕДН. КРЫШКИ И САПУН (№7-) ЭЛЕМЕНТЫ ПЕРЕДН. КРЫШКИ И САПУН
19
16
18
21
20
22
23
3
4
4
5
17
8
9
12
10
9
7
6
7
2
1
13
11
24
25
14
15
FIT
1:1
100%

Артикул

Название

Примечание

Количество

1

6212-25-8710

Breather

SN: 535703-UP

1шт.

2

01435-01025

Bolt

SN: 535703-UP

2шт.

3

01435-01035

Bolt

SN: 535703-UP

2шт.

4

07000-72060

O-ring

SN: 535703-UP

2шт.

5

6261-21-8610

Connector, Breather

SN: 535703-UP

1шт.

6

6141-64-7841

Hose

SN: 535703-UP

1шт.

7

07281-00419

Clamp

SN: 535703-UP

2шт.

8

6261-21-8770

Tube, Breather

SN: 535703-UP

1шт.

9

154-04-12420

Clamp

SN: 535703-UP

2шт.

10

01435-01020

Bolt

SN: 535703-UP

1шт.

11

01435-01225

Bolt

SN: 535703-UP

1шт.

12

01643-31032

Washer

SN: 535703-UP

1шт.

13

01643-31232

Washer

SN: 535703-UP

1шт.

14

6251-21-3211

Plate

SN: 535703-UP

1шт.

15

6251-21-3231

Gasket

SN: 535703-UP

1шт.

16

6210-22-3910

Pointer

SN: 535703-UP

1шт.

17

6217-21-3251

Gasket

SN: 535703-UP

1шт.

18

01010-81275

Bolt

SN: 535703-UP

1шт.

19

01643-31232

Washer

SN: 535703-UP

1шт.

20

01010-81290

Bolt

SN: 535703-UP

7шт.

21

01643-31232

Washer

SN: 535703-UP

7шт.

22

01436-01010

Bolt

SN: 535703-UP

1шт.

23

01435-01090

Bolt

SN: 535703-UP

3шт.

24

6251-21-3250

Gasket

SN: 535703-UP

2шт.

25

01050-51225

Bolt

SN: 535703-UP

2шт.

Выбрано товаров: 25