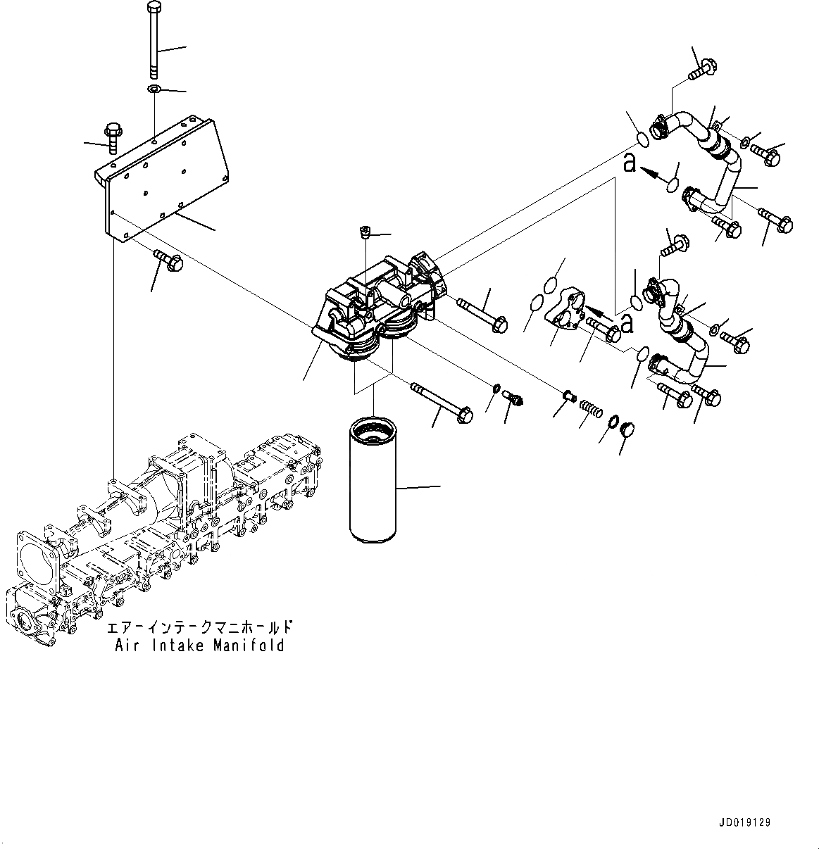
Запчасти Komatsu SAA6D140E-5C ДВИГАТЕЛЬ МАСЛ. ФИЛЬТР (№7-) ДВИГАТЕЛЬ МАСЛ. ФИЛЬТР

Схема запчастей Komatsu SAA6D140E-5C - ДВИГАТЕЛЬ МАСЛ. ФИЛЬТР (№7-) ДВИГАТЕЛЬ МАСЛ. ФИЛЬТР
29
28
27
30
26
8
1
12
4
5
3
19
6
2
18
16
9
11
20
14
21
21
24
25
24
22
23
16
25
18
17
19
15
14
7
15
13
20
17
10
FIT
1:1
100%

Артикул

Название

Примечание

Количество

|$0

6261-51-6801

Head Assembly, Oil Filter

SN: 535703-UP

1шт.

1

6261-51-6811

Head

SN: 535703-UP

1шт.

2

6217-51-5660

Cap

SN: 535703-UP

1шт.

3

6162-55-5230

Valve

SN: 535703-UP

1шт.

4

6162-53-5430

Packing

SN: 535703-UP

1шт.

5

600-211-1890

Spring

SN: 535703-UP

1шт.

6

600-211-1940

Alarm Assembly

SN: 535703-UP

1шт.

7

07005-01612

Seal, Washer

SN: 535703-UP

1шт.

8

07043-A0108

Plug

SN: 535703-UP

1шт.

9

600-211-1340

Cartridge, Oil

SN: 535703-UP

2шт.

10

01436-01005

Bolt

SN: 535703-UP

3шт.

11

01436-01040

Bolt

SN: 535703-UP

3шт.

12

6261-51-6330

Tube,Inlet

SN: 535703-UP

1шт.

13

6261-51-6340

Tube, Return

SN: 535703-UP

1шт.

14

07000-73034

O-ring

SN: 535703-UP

2шт.

15

01435-01025

Bolt

SN: 535703-UP

4шт.

16

6165-61-6770

Clip

SN: 535703-UP

2шт.

17

6261-51-5751

Cushion

SN: 535703-UP

2шт.

18

01435-01020

Bolt

SN: 535703-UP

2шт.

19

01643-31032

Washer

SN: 535703-UP

2шт.

20

07000-73038

O-ring

SN: 535703-UP

2шт.

21

07000-73034

O-ring

SN: 535703-UP

2шт.

22

6261-51-5180

Flange

SN: 535703-UP

1шт.

23

01435-01045

Bolt

SN: 535703-UP

2шт.

24

01435-01050

Bolt

SN: 535703-UP

2шт.

25

01435-01020

Bolt

SN: 535703-UP

2шт.

26

6261-51-6371

Bracket

SN: 535703-UP

1шт.

27

700-26-11122

Bolt

SN: 535703-UP

2шт.

28

01643-31032

Washer

SN: 535703-UP

2шт.

29

01435-01025

Bolt

SN: 535703-UP

4шт.

30

01435-01035

Bolt

SN: 535703-UP

1шт.

Выбрано товаров: 31