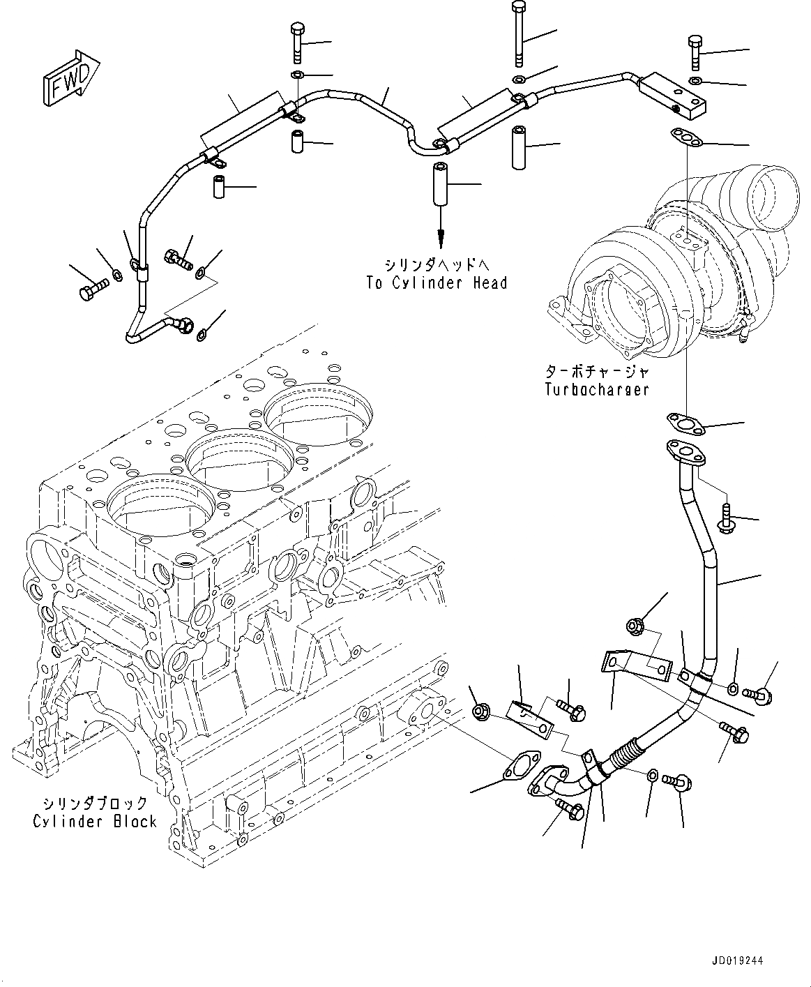
Запчасти Komatsu SAA6D140E-5CR ТУРБОНАГНЕТАТЕЛЬ, СИСТЕМА СМАЗКИ МАСЛОПРОВОДЯЩАЯ ЛИНИЯ (№7-) ТУРБОНАГНЕТАТЕЛЬ

Схема запчастей Komatsu SAA6D140E-5CR - ТУРБОНАГНЕТАТЕЛЬ, СИСТЕМА СМАЗКИ МАСЛОПРОВОДЯЩАЯ ЛИНИЯ (№7-) ТУРБОНАГНЕТАТЕЛЬ
23
33
31
21
24
26
28
27
25
30
19
18
20
32
22
17
20
29
34
6
7
8
11
13
14
1
1
2
4
5
2
12
9
10
15
16
5
15
3
FIT
1:1
100%

Артикул

Название

Примечание

Количество

1

207-62-32890

Collar

SN: 630276-UP

2шт.

2

6136-11-5120

Spacer

SN: 630276-UP

2шт.

3

6151-51-8161

Gasket

SN: 630276-UP

1шт.

4

6215-71-4930

Clamp

SN: 630276-UP

2шт.

5

6215-71-4940

Clamp

SN: 630276-UP

3шт.

6

6261-51-8180

Tube, Supply

SN: 630276-UP

1шт.

7

01010-80850

Bolt

SN: 630276-UP

2шт.

8

01643-30823

Washer

SN: 630276-UP

2шт.

9

01010-81020

Bolt

SN: 630276-UP

1шт.

10

01643-31032

Washer

SN: 630276-UP

1шт.

11

01010-81035

Bolt

SN: 630276-UP

2шт.

12

01643-31032

Washer

SN: 630276-UP

2шт.

13

01010-81090

Bolt

SN: 630276-UP

2шт.

14

01643-31032

Washer

SN: 630276-UP

2шт.

15

07005-01412

Seal, Washer

SN: 630276-UP

2шт.

16

07206-31014

Bolt, Joint

SN: 630276-UP

1шт.

17

6127-51-6822

Gasket

SN: 630276-UP

1шт.

18

6151-51-8151

Gasket

SN: 630276-UP

1шт.

19

6261-51-8120

Tube, Drain

SN: 630276-UP

1шт.

20

01435-01025

Bolt

SN: 630276-UP

4шт.

21

04434-52711

Clip

SN: 630276-UP

1шт.

22

6261-51-8370

Cushion

SN: 630276-UP

1шт.

23

01643-31032

Washer

SN: 630276-UP

1шт.

24

01584-01008

Nut

SN: 630276-UP

1шт.

25

01435-01025

Bolt

SN: 630276-UP

1шт.

26

6261-51-8360

Bracket

SN: 630276-UP

1шт.

27

01435-01225

Bolt

SN: 630276-UP

1шт.

28

6261-51-8350

Bracket

SN: 630276-UP

1шт.

29

01435-01020

Bolt

SN: 630276-UP

1шт.

30

01435-01025

Bolt

SN: 630276-UP

1шт.

31

04434-52711

Clip

SN: 630276-UP

1шт.

32

6261-51-8370

Cushion

SN: 630276-UP

1шт.

33

01643-31032

Washer

SN: 630276-UP

1шт.

34

01584-01008

Nut

SN: 630276-UP

1шт.

Выбрано товаров: 34