Качественные детали и логистика
Оригинальные и аналоговые запчасти с доставкой по России, Казахстану и Беларуси
©2022 PartSell ООО "Система" ИНН 2463123282 ОГРН 1212400004838
Центральный офис: г. Красноярск, Академика Киренского, д.87, пом.4
Телефон: 8 (800) 777-65-74 Email: zakaz@partsell.ru
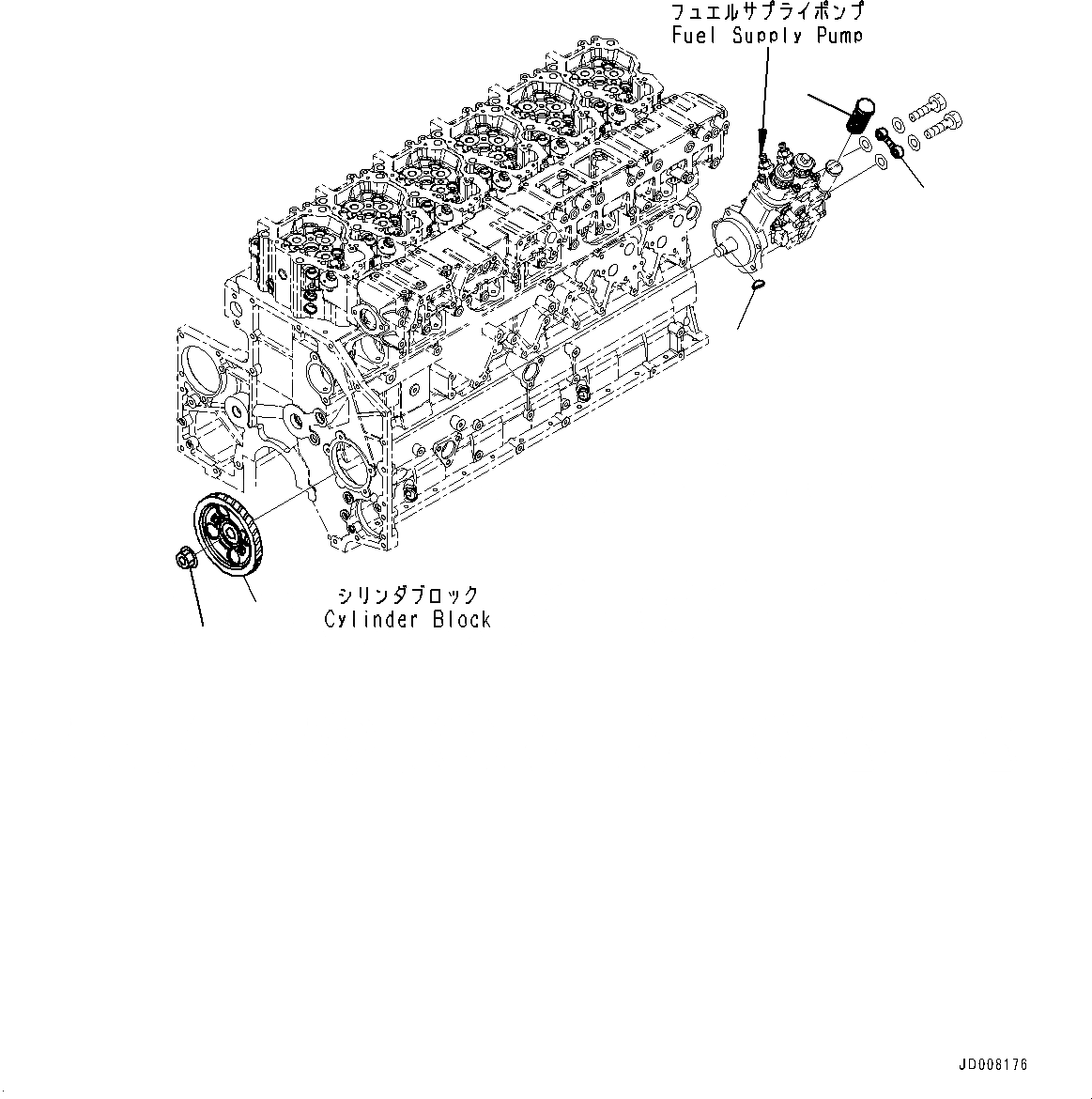
ТОПЛИВН. НАСОС, ПРИВОД (№7-7)
№
Артикул
Название
Примечание
Количество
1
6261-71-3220
Gear, Pump Drive
SN: 630276-630674
1шт.
2
04010-00519
Key, Woodruff
3
6219-71-3150
Nut
4
6217-71-1910
Cover, Priming Pump
5
6217-71-5910
Tube
Выбрано товаров: 0