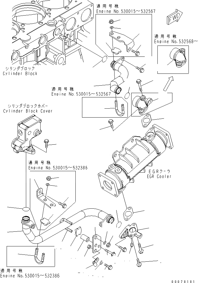
Запчасти Komatsu SAA6D140E-5D-01 ВЫПУСКН. GAS RECIRCULATION КЛАПАН (/7) (EGR ОХЛАДИТЕЛЬ ВОДН. ГИДРОЛИНИЯ)(№7-) ДВИГАТЕЛЬ

Схема запчастей Komatsu SAA6D140E-5D-01 - ВЫПУСКН. GAS RECIRCULATION КЛАПАН (/7) (EGR ОХЛАДИТЕЛЬ ВОДН. ГИДРОЛИНИЯ)(№7-) ДВИГАТЕЛЬ
1
2
3
4
5
5
6
7
8
9
10
11
11
12
12
13
13
14
15
15
16
16
17
18
19
20
21
22
23
23
24
24
25
26
27
27
28
29
30
31
32
33
FIT
1:1
100%

Артикул

Название

Примечание

Количество

1

6210-61-6551

GASKET

SN: 530015-@

1шт.

2

6261-61-7210

TUBE,WATER INLET

SN: 530015-@

1шт.

3

6261-61-7240

BRACKET

SN: 530015-532386

1шт.

4

6261-61-7250

CONNECTOR

SN: 530015-@

1шт.

5

6261-61-7260

O-RING

SN: 530015-@

2шт.

6

6261-61-7270

PLATE

SN: 530015-@

1шт.

7

01435-01020

BOLT

SN: 530015-532386

1шт.

8

01435-01025

BOLT

SN: 530015-@

1шт.

9

01435-01030

BOLT

SN: 530015-@

1шт.

10

01435-01035

BOLT

SN: 530015-@

1шт.

11

01435-01055

BOLT

SN: 530015-@

2шт.

12

01597-01009

NUT

SN: 532387-@

2шт.

12

01597-01009

NUT

SN: 530015-532386

4шт.

13

01643-31032

WASHER

SN: 532387-@

2шт.

13

01643-31032

WASHER

SN: 530015-532386

4шт.

14

07042-A0108

PLUG

SN: 530015-@

1шт.

15

07283-33450

CLIP,PIPE

SN: 532387-@

1шт.

15

07283-33450

CLIP,PIPE

SN: 530015-532386

2шт.

16

07283-53444

SEAT

SN: 532387-@

1шт.

16

07283-53444

SEAT

SN: 530015-532386

2шт.

17

6150-81-6920

SPACER

SN: 530015-@

1шт.

18

01435-01020

BOLT

SN: 530015-@

1шт.

19

01643-31032

WASHER

SN: 530015-@

1шт.

20

01580-01008

NUT

SN: 530015-@

1шт.

21

600-051-2060

CLIP

SN: 530015-@

1шт.

22

6210-61-6551

GASKET

SN: 530015-@

1шт.

23

6261-61-7260

O-RING

SN: 530015-@

2шт.

24

6261-61-7431

CONNECTOR

SN: 532568-@

1шт.

24

6261-61-7430

CONNECTOR

SN: 530015-532567

1шт.

25

6261-61-7410

TUBE,WATER RETURN

SN: 530015-@

1шт.

26

6261-61-7420

BRACKET

SN: 530015-532567

1шт.

27

01435-01020

BOLT

SN: 532568-@

1шт.

27

01435-01020

BOLT

SN: 530015-532567

2шт.

28

01435-01025

BOLT

SN: 530015-@

1шт.

29

01435-01055

BOLT

SN: 530015-@

1шт.

30

01597-01009

NUT

SN: 530015-532567

2шт.

31

01643-31032

WASHER

SN: 530015-532567

2шт.

32

07283-33450

CLIP,PIPE

SN: 530015-532567

1шт.

33

07283-53444

SEAT

SN: 530015-532567

1шт.

Выбрано товаров: 39