Запчасти Komatsu SAA6D140E-5D-01 ЭЛЕМЕНТЫ БЛОКА ЦИЛИНДРОВ (МАСЛ. ДАТЧИК И С ПОДОГРЕВАТЕЛЬ ХЛАДАГЕНТА)(№8-) ДВИГАТЕЛЬ

Схема запчастей Komatsu SAA6D140E-5D-01 - ЭЛЕМЕНТЫ БЛОКА ЦИЛИНДРОВ (МАСЛ. ДАТЧИК И С ПОДОГРЕВАТЕЛЬ ХЛАДАГЕНТА)(№8-) ДВИГАТЕЛЬ
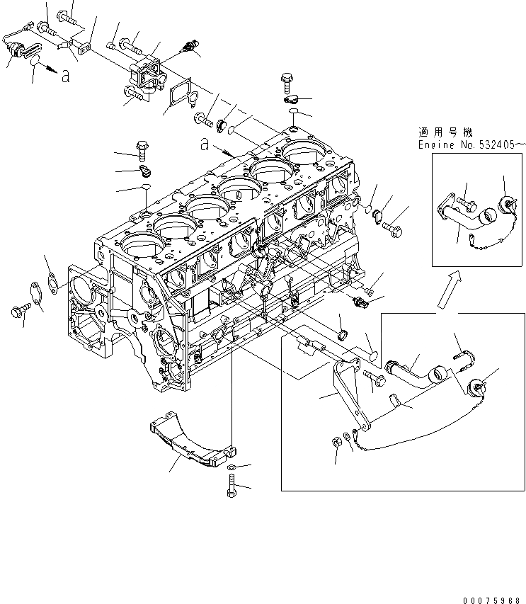
1
2
3
4
5
6
7
8
9
10
11
12
13
14
15
15
16
17
17
17A
18
19
19
20
21
22
23
24
25
26
27
28
29
30
31
32
32
32
33
34
34
34
34
35
35
35
FIT
1:1
100%

Артикул

Название

Примечание

Количество

1

6261-21-1990

COVER

SN: 530528-UP

1шт.

2

6261-21-1970

GASKET

SN: 530528-UP

1шт.

3

01435-01065

BOLT

SN: 530528-UP

4шт.

4

01435-01035

BOLT

SN: 530528-UP

1шт.

5

07043-A0415

PLUG

SN: 530528-UP

1шт.

6

07043-70108

PLUG

SN: 530528-UP

2шт.

7

6219-81-1961

SENSOR ASS'Y,OIL PRESSURE

SN: 530528-UP

1шт.

7

6219-81-1991

O-RING

SN: 530528-UP

1шт.

8

600-815-9240

HEATER,WATER

SN: 530528-UP

1шт.

9

6150-21-1190

O-RING

SN: 530528-UP

1шт.

10

08193-20010

CLIP

SN: 530528-UP

1шт.

11

01435-01016

BOLT

SN: 530528-UP

1шт.

12

6218-61-8750

PLATE

SN: 530528-UP

1шт.

13

01435-01030

BOLT

SN: 530528-UP

1шт.

14

6217-21-1220

BRACKET,UNDER FLAME

SN: 530528-UP

1шт.

15

01010-81050

BOLT

SN: 530528-UP

4шт.

16

01643-31032

WASHER

SN: 530528-UP

4шт.

17

6261-21-7410

FILLER,OIL

SN: 532405-UP

1шт.

17

6261-21-7310

FILLER,OIL

SN: 530528-532404

1шт.

17A

01435-01025

BOLT

SN: 532405-UP

1шт.

18

07000-73034

O-RING

SN: 530528-UP

1шт.

19

07025-00100

CAP,OIL FILLER

SN: 530528-UP

1шт.

20

6261-21-7320

BRACKET

SN: 530528-532404

1шт.

21

01435-01070

BOLT

SN: 530528-532404

1шт.

22

6152-21-6590

SPACER

SN: 530528-532404

2шт.

23

07283-34354

CLIP

SN: 530528-532404

1шт.

24

07283-54353

SEAT

SN: 530528-532404

1шт.

25

01643-31032

WASHER

SN: 530528-532404

2шт.

26

01597-01009

NUT

SN: 530528-532404

2шт.

27

07046-44016

PLUG

SN: 532405-UP

1шт.

27

07046-44016

PLUG

SN: 530528-532404

2шт.

28

6261-81-6901

SENSOR ASS'Y,WATER TEMPERATURE

SN: 534133-UP

1шт.

28

6261-81-6900

SENSOR ASS'Y,WATER TEMPERATURE

SN: 530528-534132

1шт.

28

6261-81-6910

SENSOR

SN: 530528-534132

1шт.

28

6261-84-9740

O-RING

SN: 530528-UP

1шт.

29

6210-21-1950

FLANGE

SN: 530528-UP

1шт.

30

6696-61-9921

GASKET

SN: 530528-UP

1шт.

31

01435-01225

BOLT

SN: 530528-UP

2шт.

32

6217-21-1940

COVER

SN: 530528-UP

3шт.

33

6218-21-1940

COVER

SN: 530528-UP

1шт.

34

6215-61-6630

O-RING

SN: 534978-UP

4шт.

34

07000-73025

O-RING

SN: 530528-534977

4шт.

35

01435-01020

BOLT

SN: 530528-UP

2шт.

Выбрано товаров: 43