Запчасти Komatsu SAA6D140E-5D-01 КРЕПЛЕНИЕ ДВИГАТЕЛЯ(№-) ДВИГАТЕЛЬ

Схема запчастей Komatsu SAA6D140E-5D-01 - КРЕПЛЕНИЕ ДВИГАТЕЛЯ(№-) ДВИГАТЕЛЬ
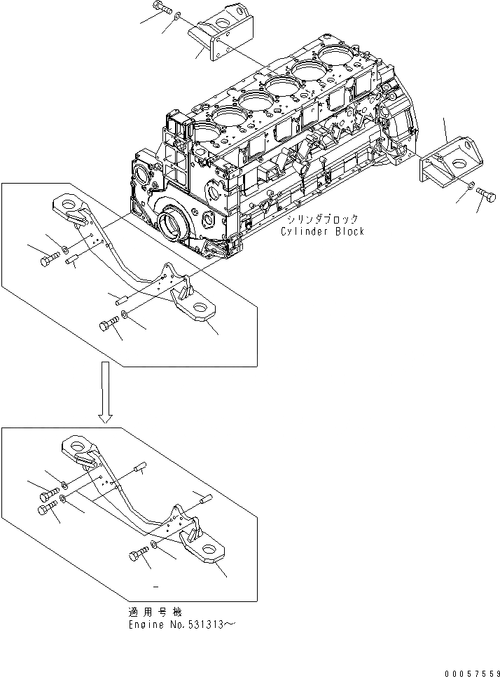
1
1
2
2
2
2
2A
3
3
3
3
3
4
4
4
4
5
6
7
7
8
8
FIT
1:1
100%

Артикул

Название

Примечание

Количество

1

6218-21-3754

SUPPORT,FRONT

SN: 530015-UP

1шт.

2

01011-81215

BOLT

SN: 531313-UP

4шт.

2

01011-81215

BOLT

SN: 530015-531312

7шт.

2A

01011-81210

BOLT

SN: 531313-UP

3шт.

3

01643-31232

WASHER

SN: 531313-UP

7шт.

3

0

WASHER

SN: 530015-531312

7шт.

4

04020-01434

PIN,DOWEL

SN: 530015-UP

2шт.

5

566-01-6B160

BRACKET,R.H.

SN: 530015-UP

1шт.

6

566-01-6B150

BRACKET,L.H.

SN: 530015-UP

1шт.

7

01010-61645

BOLT

SN: 530015-UP

8шт.

8

01643-31645

WASHER

SN: 530015-UP

8шт.

Выбрано товаров: 11