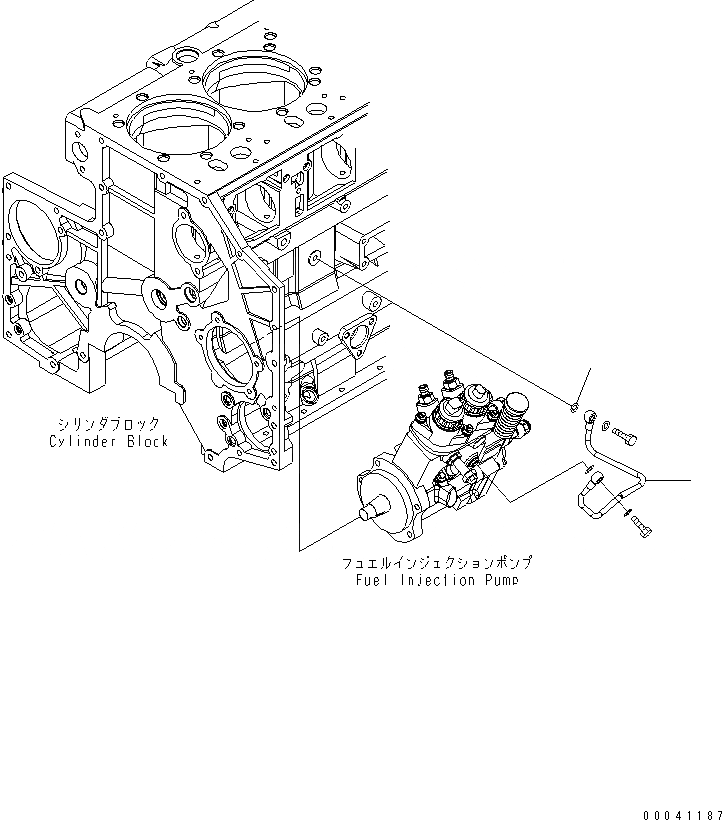
Запчасти Komatsu SAA6D140E-5D-01 ТОПЛИВН. НАСОС СМАЗКА ДВИГАТЕЛЬ

Схема запчастей Komatsu SAA6D140E-5D-01 - ТОПЛИВН. НАСОС СМАЗКА ДВИГАТЕЛЬ
1
2
FIT
1:1
100%

Артикул

Название

Примечание

Количество

1

6261-51-7110

TUBE,SUPPLY

SN: 530001-UP

1шт.

2

07005-01012

SEAL, WASHER

SN: 530001-UP

1шт.

Выбрано товаров: 0