Запчасти Komatsu SAA6D140E-5D-01 АНТИКОРРОЗ. ЭЛЕМЕНТ(№-) ДВИГАТЕЛЬ

Схема запчастей Komatsu SAA6D140E-5D-01 - АНТИКОРРОЗ. ЭЛЕМЕНТ(№-) ДВИГАТЕЛЬ
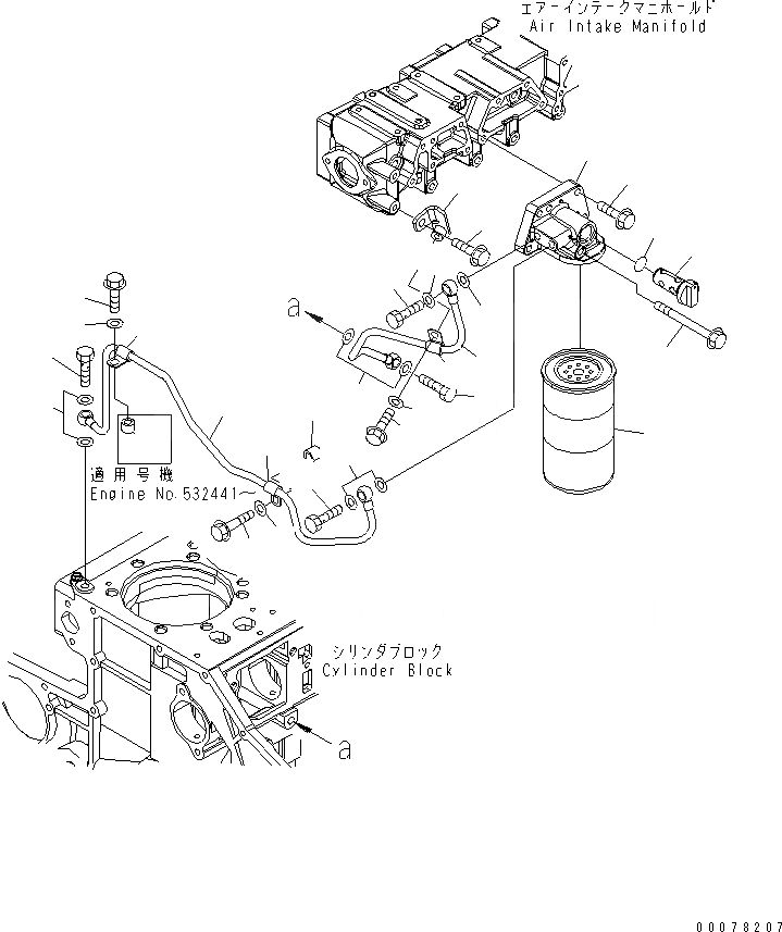
1
1
1
2
3
4
5
5A
6
6
7
7
7
8
9
10
10
10
10
10
11
11
11
11
12
13
14
15
16
17
FIT
1:1
100%

Артикул

Название

Примечание

Количество

1

6215-71-4940

CLAMP

SN: 530015-UP

3шт.

2

6631-11-5630

SPACER

SN: 530015-UP

1шт.

3

6261-61-8660

BRACKET

SN: 530015-UP

1шт.

4

01435-01045

BOLT

SN: 530015-UP

1шт.

5

01435-01035

BOLT

SN: 532441-UP

1шт.

5

01435-01020

BOLT

SN: 530015-532440

1шт.

5A

6631-11-6390

SPACER

SN: 532441-UP

1шт.

6

01435-01020

BOLT

SN: 530015-UP

2шт.

7

01643-31032

WASHER

SN: 530015-UP

3шт.

8

6261-61-8640

TUBE,RETURN

SN: 530015-UP

1шт.

9

6261-61-8630

TUBE,INLET

SN: 530015-UP

1шт.

10

07005-01412

SEAL, WASHER

SN: 530015-UP

8шт.

11

07206-31014

BOLT,JOINT

SN: 530015-UP

4шт.

|$16

6217-61-8160

RESISTOR ASS'Y,CORROSION

SN: 530015-UP

1шт.

|$17

6217-61-8231

HEAD ASS'Y

SN: 530015-UP

1шт.

12

6217-61-8211

HEAD,CORROSION

SN: 530015-UP

1шт.

13

6217-61-8221

VALVE

SN: 530015-UP

1шт.

14

07000-A2021

O-RING

SN: 530015-UP

1шт.

15

600-411-1171

CARTRIDGE,CORROSION

SN: 530015-UP

1шт.

16

01435-01035

BOLT

SN: 530015-UP

4шт.

17

01436-01000

BOLT

SN: 530015-UP

1шт.

Выбрано товаров: 21