Запчасти Komatsu SAA6D140E-5D ВЫПУСКН. GAS RE-CIRCULATION (EGR) КЛАПАН (7/7)(№-) ДВИГАТЕЛЬ ГОЛОВКА ЦИЛИНДРОВ И ITS КОМПОНЕНТЫ

Схема запчастей Komatsu SAA6D140E-5D - ВЫПУСКН. GAS RE-CIRCULATION (EGR) КЛАПАН (7/7)(№-) ДВИГАТЕЛЬ ГОЛОВКА ЦИЛИНДРОВ И ITS КОМПОНЕНТЫ
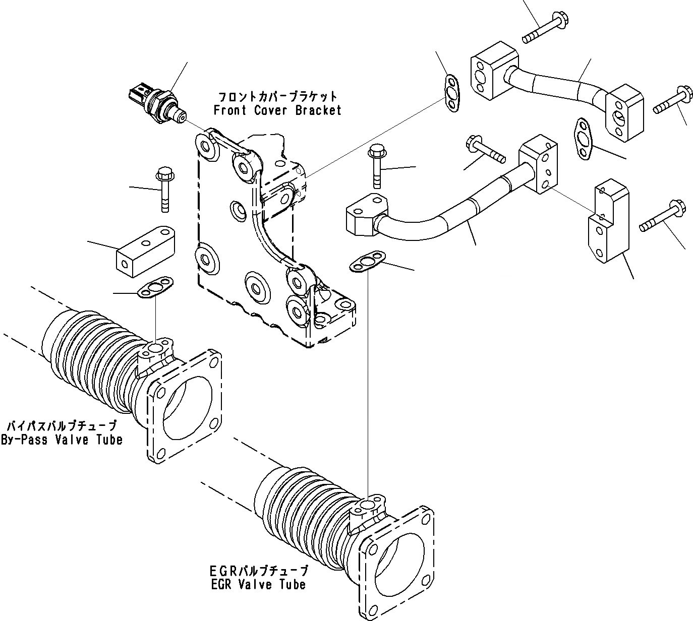
12
11
10
9
8
7
6
5
4
3
2
1
4
6
6
FIT
1:1
100%

Артикул

Название

Примечание

Количество

1

6261-11-7110

Tube

SN: 530015-UP

1шт.

2

6261-11-7120

Tube

SN: 530015-UP

1шт.

3

6261-11-7130

Block

SN: 530015-UP

1шт.

4

6261-11-7160

Gasket

SN: 530015-UP

2шт.

5

6261-11-7260

Gasket

SN: 530015-UP

1шт.

6

01435-00835

Bolt

SN: 530015-UP

6шт.

7

01435-00845

Bolt

SN: 530015-UP

2шт.

8

01435-00850

Bolt

SN: 530015-UP

2шт.

9

6261-11-8890

Block

SN: 530015-UP

1шт.

10

01435-00835

Bolt

SN: 530015-UP

2шт.

11

6261-11-7160

Gasket

SN: 530015-UP

1шт.

12

6219-81-1970

Sensor, Pressure

SN: 530015-UP

1шт.

|12

6219-81-1980

Sensor

SN: 530015-UP

1шт.

|12

6219-81-1990

O-ring

SN: 530015-UP

1шт.

Выбрано товаров: 14