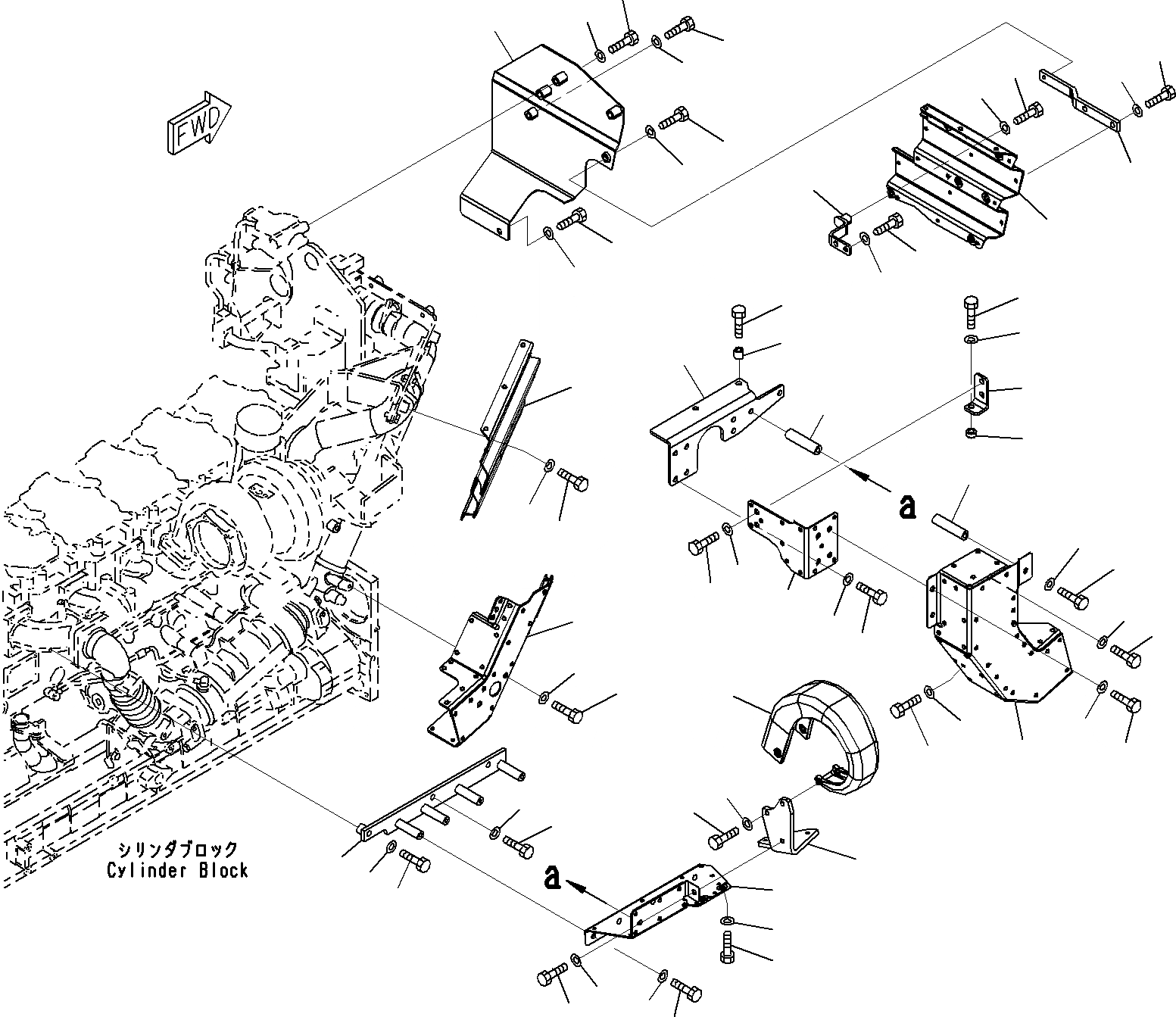
Запчасти Komatsu SAA6D140E-5D ТЕРМОЗАЩИТА(№-) ДВИГАТЕЛЬ ГОЛОВКА ЦИЛИНДРОВ И ITS КОМПОНЕНТЫ

Схема запчастей Komatsu SAA6D140E-5D - ТЕРМОЗАЩИТА(№-) ДВИГАТЕЛЬ ГОЛОВКА ЦИЛИНДРОВ И ITS КОМПОНЕНТЫ
32
31
30
29
22
20
19
18
10
9
8
7
5
2
1
2
3
3
6
10
37
35
45
44
43
42
41
40
39
38
37
36
35
34
33
28
27
26
25
24
23
21
17
16
15
14
13
12
11
6
4
3
24
27
27
27
37
37
45
45
45
2
5
FIT
1:1
100%

Артикул

Название

Примечание

Количество

1

6261-11-8450

Cover

SN: 530015-UP

1шт.

2

01010-81020

Bolt

SN: 530015-UP

5шт.

3

01643-31032

Washer

SN: 530015-UP

5шт.

4

6261-11-8880

Cover

SN: 530015-UP

1шт.

5

01010-81025

Bolt

SN: 530015-UP

4шт.

6

01643-31032

Washer

SN: 530015-UP

4шт.

7

6261-11-8420

Bracket

SN: 530015-UP

1шт.

8

01010-81025

Bolt

SN: 530015-UP

2шт.

9

01010-81040

Bolt

SN: 530015-UP

1шт.

10

01643-31032

Washer

SN: 530015-UP

3шт.

11

6261-11-8530

Bracket

SN: 530015-UP

1шт.

12

01010-E1040

Bolt

SN: 530015-UP

2шт.

13

6631-11-5630

Spacer

SN: 530015-UP

2шт.

14

6261-11-8490

Bracket

SN: 530015-UP

1шт.

15

01010-81040

Bolt

SN: 530015-UP

1шт.

16

01643-31032

Washer

SN: 530015-UP

1шт.

17

6132-21-4630

Spacer

SN: 530015-UP

1шт.

18

6261-11-4840

Bracket

SN: 530015-UP

1шт.

19

01020-11025

Bolt, Stainless

SN: 530015-UP

2шт.

20

01643-51032

Washer

SN: 530015-UP

2шт.

21

6215-71-6190

Spacer

SN: 530015-UP

1шт.

22

6261-11-8430

Cover

SN: 530015-UP

1шт.

23

6261-11-8510

Cover

SN: 530015-UP

1шт.

24

01010-81025

Bolt

SN: 530015-UP

4шт.

25

01010-81030

Bolt

SN: 530015-UP

2шт.

26

01011-81020

Bolt

SN: 530015-UP

1шт.

27

01643-31032

Washer

SN: 530015-UP

7шт.

28

6215-71-6190

Spacer

SN: 530015-UP

1шт.

29

6261-11-8790

Cover

SN: 530015-UP

1шт.

30

01010-81025

Bolt

SN: 530015-UP

4шт.

31

01643-31032

Washer

SN: 530015-UP

4шт.

32

6261-11-8590

Cover

SN: 530015-UP

1шт.

33

6261-11-8330

Cover

SN: 530015-UP

1шт.

34

6261-11-8740

Bracket

SN: 530015-UP

1шт.

35

01010-81025

Bolt

SN: 530015-UP

10шт.

36

01010-81020

Bolt

SN: 530015-UP

2шт.

37

01643-31032

Washer

SN: 530015-UP

14шт.

38

01010-81035

Bolt

SN: 530015-UP

2шт.

39

6261-11-8350

Bracket

SN: 530015-UP

1шт.

40

6261-11-8670

Cover

SN: 530015-UP

1шт.

41

01010-81020

Bolt

SN: 530015-UP

1шт.

42

01010-81025

Bolt

SN: 530015-UP

1шт.

43

01010-81040

Bolt

SN: 530015-UP

1шт.

44

01010-81050

Bolt

SN: 530015-UP

3шт.

45

01643-31032

Washer

SN: 530015-UP

6шт.

Выбрано товаров: 45