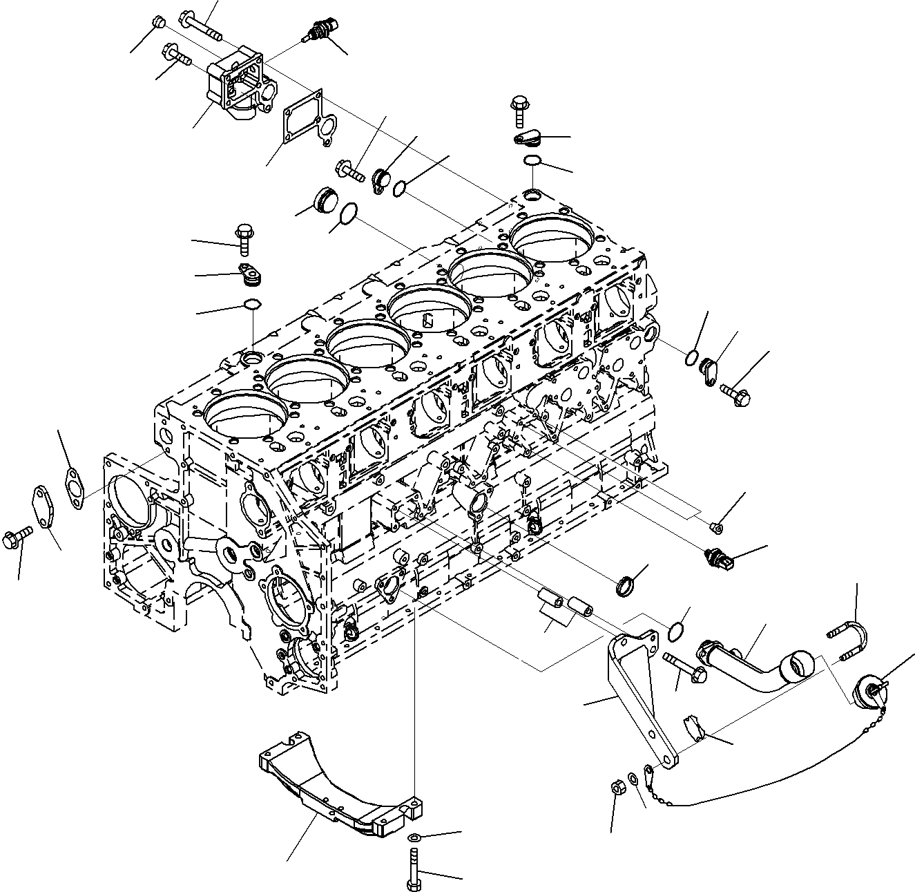
Запчасти Komatsu SAA6D140E-5D БЛОК ЦИЛИНДРОВ ФИТТИНГ ЧАСТИ(№-) ДВИГАТЕЛЬ БЛОК ЦИЛИНДРОВ И ITS КОМПОНЕНТЫ

Схема запчастей Komatsu SAA6D140E-5D - БЛОК ЦИЛИНДРОВ ФИТТИНГ ЧАСТИ(№-) ДВИГАТЕЛЬ БЛОК ЦИЛИНДРОВ И ITS КОМПОНЕНТЫ
28
9
30
31
24
8
5
4
3
2
1
10
12
11
28
30
31
29
30
25
30
28
31
21
27
26
23
22
20
19
18
17
16
15
14
13
7
6
FIT
1:1
100%

Артикул

Название

Примечание

Количество

1

6261-21-1990

Connector

SN: 530015-UP

1шт.

2

6261-21-1970

Gasket

SN: 530015-UP

1шт.

3

01435-01065

Bolt

SN: 530015-UP

4шт.

4

01435-01035

Bolt

SN: 530015-UP

1шт.

5

07043-A0415

Plug, Taper

SN: 530015-UP

1шт.

6

07043-70108

Plug

SN: 530015-UP

2шт.

7

6219-81-1960

Sensor, Oil Pressure

SN: 530015-UP

1шт.

|7

6219-81-2040

Sensor

SN: 530015-UP

1шт.

|7

6219-81-1990

O-ring

SN: 530015-UP

1шт.

8

6150-21-1180

Plug

SN: 530015-UP

1шт.

9

6150-21-1190

O-ring

SN: 530015-UP

1шт.

10

6217-21-1220

Bracket

SN: 530015-UP

1шт.

11

01010-81050

Bolt

SN: 530015-UP

4шт.

12

01643-31032

Washer

SN: 530015-UP

4шт.

13

6261-21-7310

Filler

SN: 530015-UP

1шт.

14

07000-73034

O-ring

SN: 530015-UP

1шт.

15

07025-00100

Cap, Oil Filler

SN: 530015-UP

1шт.

16

6261-21-7320

Bracket

SN: 530015-UP

1шт.

17

01435-01070

Bolt

SN: 530015-UP

1шт.

18

6152-21-6590

Spacer

SN: 530015-UP

2шт.

19

07283-34354

Clip, Pipe

SN: 530015-UP

1шт.

20

07283-54353

Seat, Pipe Clip

SN: 530015-UP

1шт.

21

01643-31032

Washer

SN: 530015-UP

2шт.

22

01597-01009

Nut

SN: 530015-UP

2шт.

23

07046-44016

Plug, Expansion

SN: 530015-UP

2шт.

24

6261-81-6900

Sensor Assembly, Water temperature

SN: 530015-UP

1шт.

|24

6261-81-6910

Sensor

SN: 530015-UP

1шт.

|24

6261-84-9740

O-ring

SN: 530015-UP

1шт.

25

6210-21-1950

Flange

SN: 530015-UP

1шт.

26

6696-61-9921

Gasket

SN: 530015-UP

1шт.

27

01435-01225

Bolt

SN: 530015-UP

2шт.

28

6217-21-1940

Cover

SN: 530015-UP

3шт.

29

6218-21-1940

Cover

SN: 530015-UP

1шт.

30

07000-73025

O-ring

SN: 530015-UP

4шт.

31

01435-01020

Bolt

SN: 530015-UP

2шт.

Выбрано товаров: 35