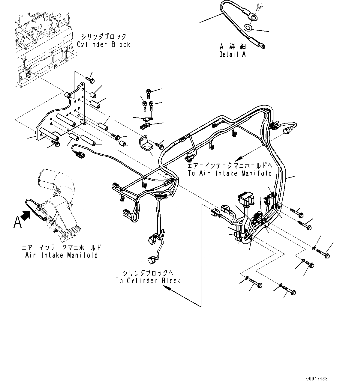
Запчасти Komatsu SAA6D140E-5D ПРОВОДКА, ПРОВОДКА (/) (№8-) ПРОВОДКА

Схема запчастей Komatsu SAA6D140E-5D - ПРОВОДКА, ПРОВОДКА (/) (№8-) ПРОВОДКА
32
31
28
24
18
13
12
11
10
9
8
7
5
12
18
27
6
2
1
34
33
30
29
26
25
23
22
21
20
19
16
15
14
6
4
3
34
23
22
17
FIT
1:1
100%

Артикул

Название

Примечание

Количество

1

6211-81-4280

Wire, L=220mm

SN: 535823-UP

1шт.

2

01643-51032

Washer

SN: 535823-UP

1шт.

3

6261-81-8581

Wiring Harness

SN: 535823-UP

1шт.

4

6261-81-8431

Bracket

SN: 535823-UP

1шт.

5

01435-01025

Bolt

SN: 535823-UP

2шт.

6

01435-01045

Bolt

SN: 535823-UP

2шт.

7

6261-81-1350

Bracket

SN: 535823-UP

1шт.

8

01435-01020

Bolt

SN: 535823-UP

2шт.

9

6261-81-1900

Sensor, Pressure, Ambient Air Pressure

SN: 535823-UP

1шт.

10

6261-81-1360

Plate

SN: 535823-UP

1шт.

11

01252-60525

Bolt

SN: 535823-UP

1шт.

12

01252-60625

Bolt, Hexagon Socket Head

SN: 535823-UP

2шт.

13

195-01-16420

Collar

SN: 535823-UP

1шт.

14

600-051-2180

Clip

SN: 535823-UP

1шт.

15

600-051-2080

Clip

SN: 535823-UP

1шт.

16

01643-31032

Washer

SN: 535823-UP

1шт.

17

01436-01015

Bolt

SN: 535823-UP

1шт.

18

6150-81-6940

Spacer

SN: 535823-UP

2шт.

19

600-051-2100

Clip

SN: 535823-UP

2шт.

20

600-051-2180

Clip

SN: 535823-UP

1шт.

21

600-051-2080

Clip

SN: 535823-UP

1шт.

22

01643-31032

Washer

SN: 535823-UP

2шт.

23

01435-01075

Bolt

SN: 535823-UP

2шт.

24

144-874-7470

Boss

SN: 535823-UP

1шт.

25

600-051-2100

Clip

SN: 535823-UP

2шт.

26

01643-31032

Washer

SN: 535823-UP

1шт.

27

01435-01045

Bolt

SN: 535823-UP

1шт.

28

6150-81-6940

Spacer

SN: 535823-UP

1шт.

29

6218-81-8440

Clamp

SN: 535823-UP

1шт.

30

01435-01080

Bolt

SN: 535823-UP

1шт.

31

144-874-7470

Boss

SN: 535823-UP

1шт.

32

6218-81-8430

Clamp

SN: 535823-UP

1шт.

33

01435-01085

Bolt

SN: 535823-UP

1шт.

34

6218-81-8490

Band

SN: 535823-UP

3шт.

Выбрано товаров: 34