Запчасти Komatsu SAA6D140E-5D ДАТЧИК (№8-) ДАТЧИК, PM-CLINIC СПЕЦ-Я.

Схема запчастей Komatsu SAA6D140E-5D - ДАТЧИК (№8-) ДАТЧИК, PM-CLINIC СПЕЦ-Я.
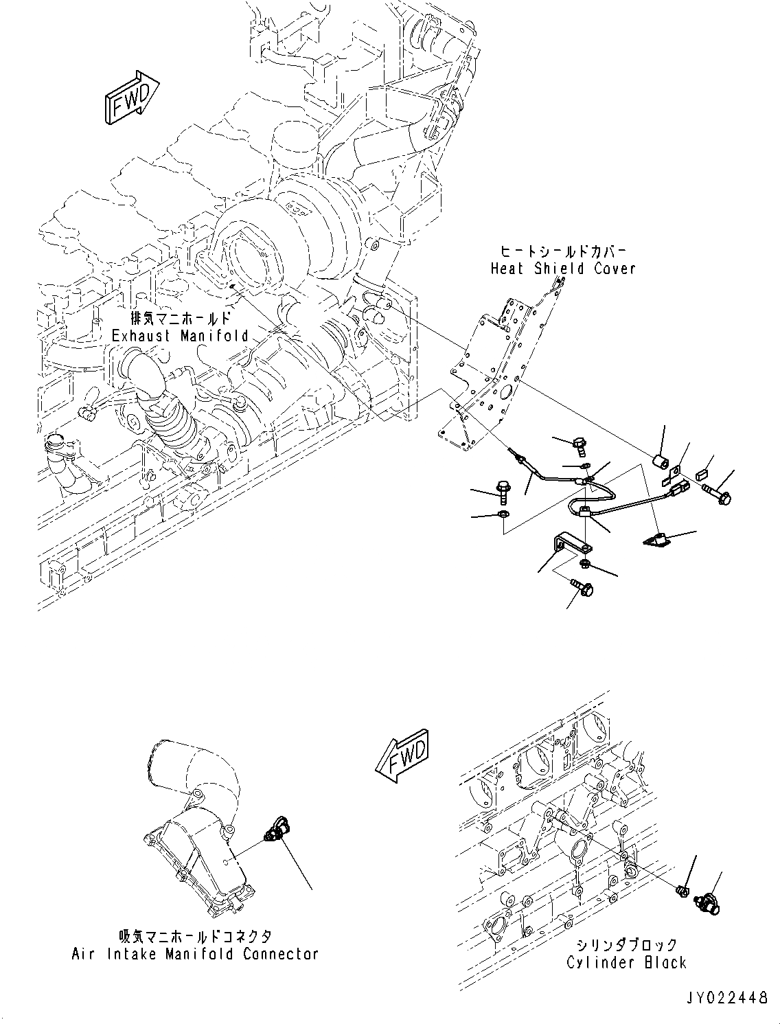
1
2
1
17
4
16
15
12
13
9
14
10
11
5
6
8
7
3
FIT
1:1
100%

Артикул

Название

Примечание

Количество

1

799-101-5160

Nipple

SN: 535823-UP

2шт.

2

202-62-21330

Bushing

SN: 535823-UP

1шт.

3

6215-11-8281

Sensor

SN: 535823-UP

1шт.

4

6240-81-5470

Connector

SN: 535823-UP

1шт.

5

426-06-11570

Bracket

SN: 535823-UP

1шт.

6

600-051-2050

Clip

SN: 535823-UP

1шт.

7

01435-01016

Bolt

SN: 535823-UP

1шт.

8

01643-31032

Washer

SN: 535823-UP

1шт.

9

6156-51-8270

Bracket

SN: 535823-UP

1шт.

10

01435-01230

Bolt

SN: 535823-UP

1шт.

11

600-051-2050

Clip

SN: 535823-UP

1шт.

12

01435-01025

Bolt

SN: 535823-UP

1шт.

13

01643-31032

Washer

SN: 535823-UP

1шт.

14

01584-01008

Nut

SN: 535823-UP

1шт.

15

144-874-7470

Boss

SN: 535823-UP

1шт.

16

08193-20010

Clip

SN: 535823-UP

1шт.

17

01435-01045

Bolt

SN: 535823-UP

1шт.

Выбрано товаров: 17