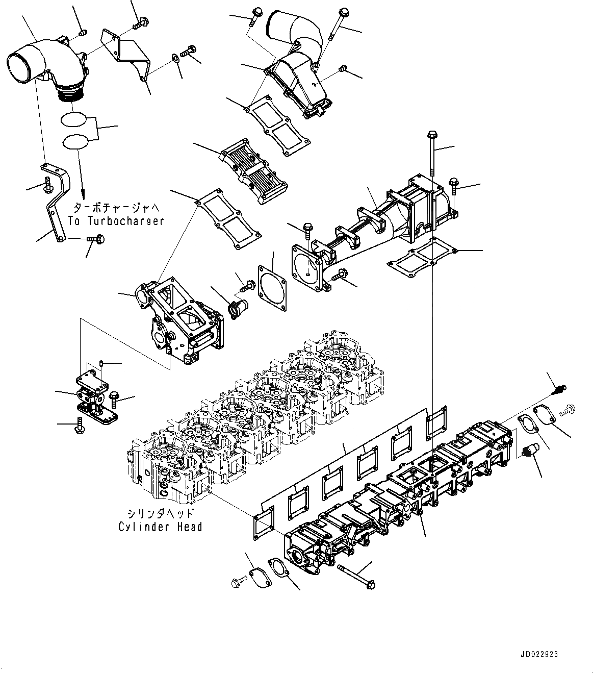
Запчасти Komatsu SAA6D140E-5D ТРУБОПРОВОД ВПУСКА ВОЗДУХА И СОЕДИН-Е (№8-) ТРУБОПРОВОД ВПУСКА ВОЗДУХА И СОЕДИН-Е

Схема запчастей Komatsu SAA6D140E-5D - ТРУБОПРОВОД ВПУСКА ВОЗДУХА И СОЕДИН-Е (№8-) ТРУБОПРОВОД ВПУСКА ВОЗДУХА И СОЕДИН-Е
36
35
25
24
2
16
15
14
13
12
11
23
22
21
20
19
18
17
1
35
36
3
31
5
34
33
32
30
29
28
27
9
8
7
6
5
4
10
32
26
FIT
1:1
100%

Артикул

Название

Примечание

Количество

1

6210-11-4811

Gasket

SN: 535823-UP

6шт.

2

6261-11-4111

Manifold, Air Intake

SN: 536666-UP

1шт.

2

6261-11-4110

Manifold, Air Intake

SN: 535823-536665

1шт.

3

01436-01070

Bolt

SN: 535823-UP

20шт.

4

600-815-4280

Heater

SN: 535823-UP

1шт.

5

6211-11-4821

Gasket

SN: 535823-UP

2шт.

6

6261-11-4360

Connector

SN: 535823-UP

1шт.

7

01435-01065

Bolt

SN: 535823-UP

4шт.

8

01436-01060

Bolt

SN: 535823-UP

2шт.

9

07042-A0108

Plug

SN: 535823-UP

1шт.

10

6261-11-7210

Housing, Junction

SN: 535823-UP

1шт.

11

6261-11-7220

Bracket

SN: 535823-UP

1шт.

12

01435-01025

Bolt

SN: 535823-UP

4шт.

13

01435-01030

Bolt

SN: 535823-UP

4шт.

14

04020-00820

Pin, Dowel

SN: 535823-UP

2шт.

15

6261-11-9710

Nozzle, Venturi

SN: 535823-UP

1шт.

16

01437-10816

Bolt

SN: 535823-UP

2шт.

17

6211-11-4821

Gasket

SN: 535823-UP

1шт.

18

6261-11-7410

Connector

SN: 535823-UP

1шт.

19

6261-11-7450

Gasket

SN: 535823-UP

1шт.

20

01435-01030

Bolt

SN: 535823-UP

2шт.

21

01435-01035

Bolt

SN: 535823-UP

2шт.

22

01435-01235

Bolt

SN: 535823-UP

4шт.

23

01436-01080

Bolt

SN: 535823-UP

4шт.

24

6560-61-7202

Sensor, Pressure

SN: 536808-UP

1шт.

24

6560-61-7201

Sensor Assembly, Boost Pressure

SN: 535823-536807

1шт.

24

6560-61-7211

Sensor

SN: 535823-536807

1шт.

24

6216-54-6320

O-ring

SN: 535823-UP

1шт.

25

6560-61-7300

Sensor Assembly, Intake Air Temperature

SN: 535823-UP

1шт.

25

6560-61-7310

Sensor

SN: 535823-UP

1шт.

25

6735-21-1930

O-ring

SN: 535823-UP

1шт.

26

6261-11-4420

Connector

SN: 535823-UP

1шт.

27

6261-11-4480

Bracket

SN: 535823-UP

1шт.

28

6261-11-4490

Bracket

SN: 535823-UP

1шт.

29

01020-11025

Bolt, Stainless

SN: 535823-UP

2шт.

30

01643-51032

Washer

SN: 535823-UP

2шт.

31

01435-01035

Bolt

SN: 535823-UP

2шт.

32

01435-01030

Bolt

SN: 535823-UP

4шт.

33

02895-77075

O-ring

SN: 535823-UP

2шт.

34

07042-A0108

Plug

SN: 535823-UP

2шт.

35

6212-61-6662

Gasket

SN: 535823-UP

2шт.

36

6215-61-6670

Plate

SN: 535823-UP

2шт.

Выбрано товаров: 42