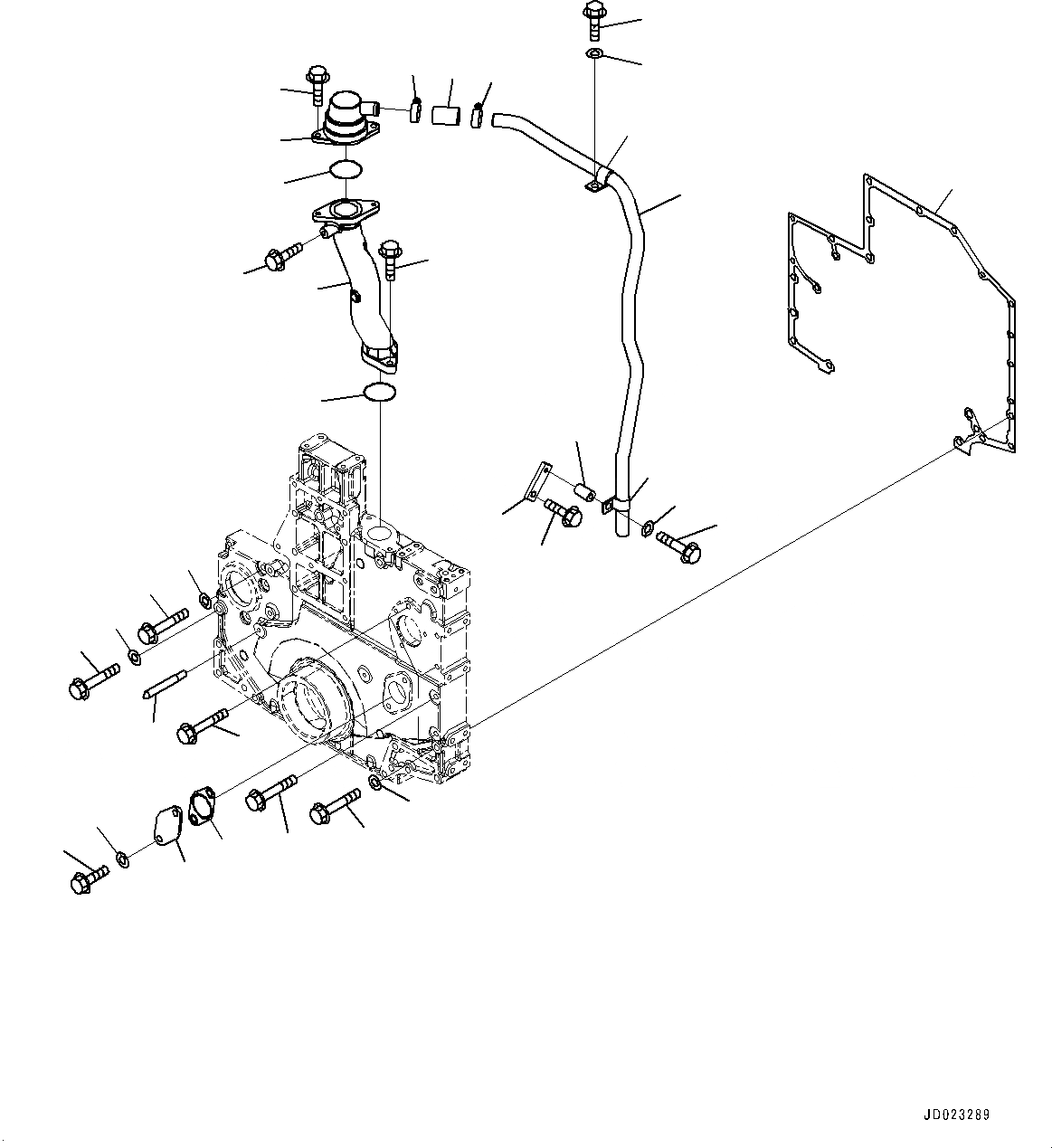
Запчасти Komatsu SAA6D140E-5D ЭЛЕМЕНТЫ ПЕРЕДН. КРЫШКИ, POINTER И САПУН КРЕПЛЕНИЕ (№8-) ЭЛЕМЕНТЫ ПЕРЕДН. КРЫШКИ

Схема запчастей Komatsu SAA6D140E-5D - ЭЛЕМЕНТЫ ПЕРЕДН. КРЫШКИ, POINTER И САПУН КРЕПЛЕНИЕ (№8-) ЭЛЕМЕНТЫ ПЕРЕДН. КРЫШКИ
27
26
16
17
24
22
23
25
18
22
23
20
21
3
4
2
3
1
2
5
7
6
7
9
8
19
10
9
12
11
14
15
13
12
FIT
1:1
100%

Артикул

Название

Примечание

Количество

1

6212-25-8710

Breather

SN: 535823-UP

1шт.

2

01435-01025

Bolt

SN: 535823-UP

2шт.

3

07000-72060

O-ring

SN: 535823-UP

2шт.

4

6261-21-8610

Connector, Breather

SN: 535823-UP

1шт.

5

01435-01035

Bolt

SN: 535823-UP

2шт.

6

6141-64-7841

Hose

SN: 535823-UP

1шт.

7

07281-00419

Clamp

SN: 535823-UP

2шт.

8

6261-21-8760

Tube, Breather

SN: 535823-UP

1шт.

9

154-04-12420

Clamp

SN: 535823-UP

2шт.

10

6150-81-6920

Spacer

SN: 535823-UP

1шт.

11

01435-01055

Bolt

SN: 535823-UP

1шт.

12

01643-31032

Washer

SN: 535823-UP

2шт.

13

01435-01020

Bolt

SN: 535823-UP

1шт.

14

6261-81-8660

Plate

SN: 535823-UP

1шт.

15

01435-01225

Bolt

SN: 535823-UP

1шт.

16

6251-21-3211

Plate

SN: 535823-UP

1шт.

17

6251-21-3231

Gasket

SN: 535823-UP

1шт.

18

6210-22-3910

Pointer

SN: 535823-UP

1шт.

19

6217-21-3251

Gasket

SN: 535823-UP

1шт.

20

01010-81275

Bolt

SN: 535823-UP

1шт.

21

01643-31232

Washer

SN: 535823-UP

1шт.

22

01010-81290

Bolt

SN: 535823-UP

7шт.

23

01643-31232

Washer

SN: 535823-UP

7шт.

24

01436-01010

Bolt

SN: 535823-UP

1шт.

25

01435-01090

Bolt

SN: 535823-UP

3шт.

26

6251-21-3250

Gasket

SN: 535823-UP

2шт.

27

01050-51225

Bolt

SN: 535823-UP

2шт.

Выбрано товаров: 27