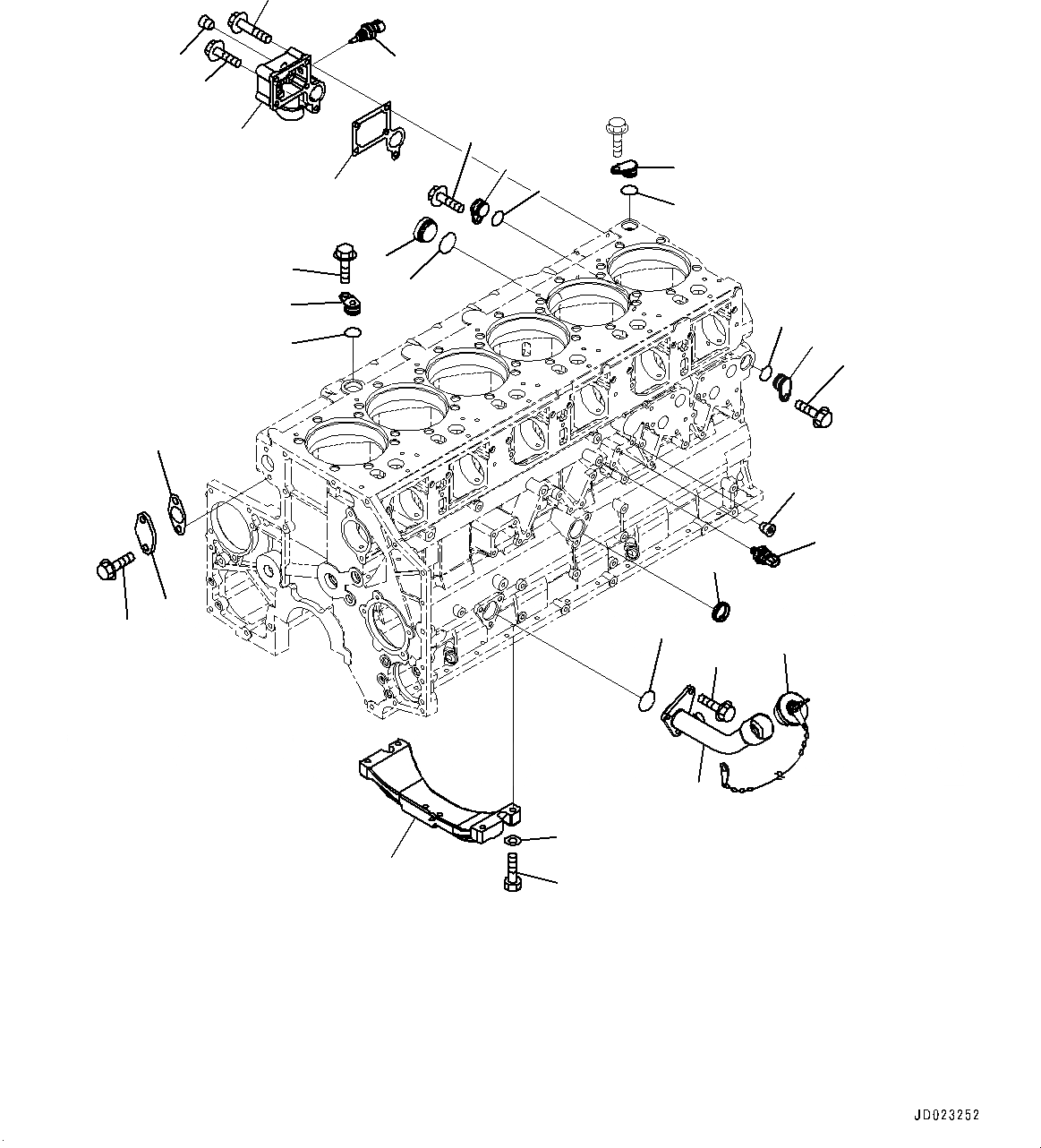
Запчасти Komatsu SAA6D140E-5D ЭЛЕМЕНТЫ БЛОКА ЦИЛИНДРОВ, МАСЛОНАЛИВНОЙ ПАТРУБОК И ДАТЧИК (№8-) ЭЛЕМЕНТЫ БЛОКА ЦИЛИНДРОВ

Схема запчастей Komatsu SAA6D140E-5D - ЭЛЕМЕНТЫ БЛОКА ЦИЛИНДРОВ, МАСЛОНАЛИВНОЙ ПАТРУБОК И ДАТЧИК (№8-) ЭЛЕМЕНТЫ БЛОКА ЦИЛИНДРОВ
1
2
3
4
5
8
9
18
22
25
26
10
11
12
6
7
13
17
14
25
22
26
21
19
20
16
15
24
22
24
23
26
FIT
1:1
100%

Артикул

Название

Примечание

Количество

1

6261-21-1990

Cover

SN: 535823-UP

1шт.

2

6261-21-1970

Gasket

SN: 535823-UP

1шт.

3

01435-01065

Bolt

SN: 535823-UP

4шт.

4

01435-01035

Bolt

SN: 535823-UP

1шт.

5

07043-A0415

Plug

SN: 535823-UP

1шт.

6

07043-70108

Plug

SN: 535823-UP

2шт.

7

6219-81-1961

Sensor Assembly, Oil Pressure

SN: 535823-UP

1шт.

7

6219-81-1991

O-ring

SN: 535823-UP

1шт.

8

6150-21-1180

Plug

SN: 535823-UP

1шт.

9

6150-21-1190

O-ring

SN: 535823-UP

1шт.

10

6217-21-1220

Bracket, Under Frame

SN: 535823-UP

1шт.

11

01010-81050

Bolt

SN: 535823-UP

4шт.

12

01643-31032

Washer

SN: 535823-UP

4шт.

13

6261-21-7410

Filler, Oil

SN: 535823-UP

1шт.

14

01435-01025

Bolt

SN: 535823-UP

2шт.

15

07000-73034

O-ring

SN: 535823-UP

1шт.

16

07025-00100

Cap, Oil Filler

SN: 535823-UP

1шт.

17

07046-44016

Plug

SN: 535823-UP

1шт.

18

6261-81-6901

Sensor Assembly, Water Temperature

SN: 535823-UP

1шт.

18

6216-84-9740

Seal

SN: 535823-UP

1шт.

19

6210-21-1950

Flange

SN: 535823-UP

1шт.

20

6696-61-9921

Gasket

SN: 535823-UP

1шт.

21

01435-01225

Bolt

SN: 535823-UP

2шт.

22

6217-21-1940

Cover

SN: 535823-UP

3шт.

23

6218-21-1940

Cover

SN: 535823-UP

1шт.

24

6215-61-6630

O-ring

SN: 535823-UP

2шт.

25

07000-73025

O-ring

SN: 535823-UP

2шт.

26

01435-01020

Bolt

SN: 535823-UP

3шт.

Выбрано товаров: 28