Запчасти Komatsu SAA6D140E-5D ТОПЛИВН. НАСОС, COMMON RAIL (№8-) ТОПЛИВН. НАСОС

Схема запчастей Komatsu SAA6D140E-5D - ТОПЛИВН. НАСОС, COMMON RAIL (№8-) ТОПЛИВН. НАСОС
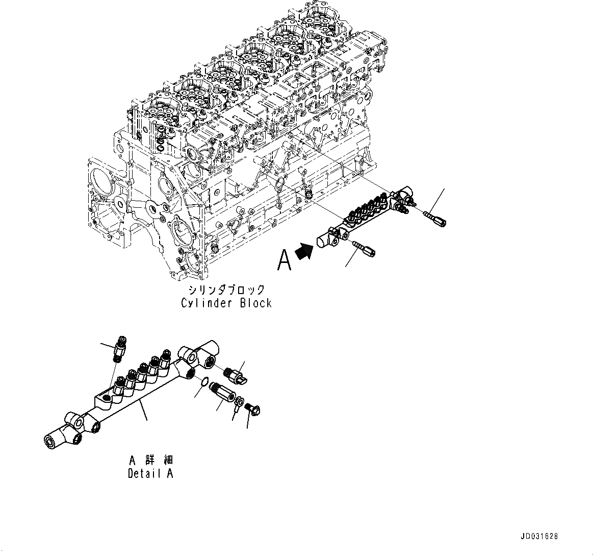
1
1
7
8
4
6
3
5
2
FIT
1:1
100%

Артикул

Название

Примечание

Количество

1

6217-71-5251

Bolt

SN: 535823-UP

2шт.

2

6261-71-1220

Common Rail Assembly, Common

SN: 535823-UP

1шт.

3

ND095400-0310

Limiter Assembly, Fuel Flow

SN: 535823-UP

6шт.

4

ND095420-0440

Limiter Assembly, Fuel Pressure

SN: 535823-UP

1шт.

5

ND499000-6160

Sensor Assembly, Fuel Pressure

SN: 535823-UP

1шт.

6

ND095444-0020

Ring, Picco

SN: 535823-UP

1шт.

7

ND095438-0090

Bolt, Joint

SN: 535823-UP

1шт.

8

ND949010-2530

Gasket

SN: 535823-UP

2шт.

Выбрано товаров: 8